GM Service Manual Online
For 1990-2009 cars only
Makes
🢒
Chevrolet
🢒
1997
🢒
Monte Carlo
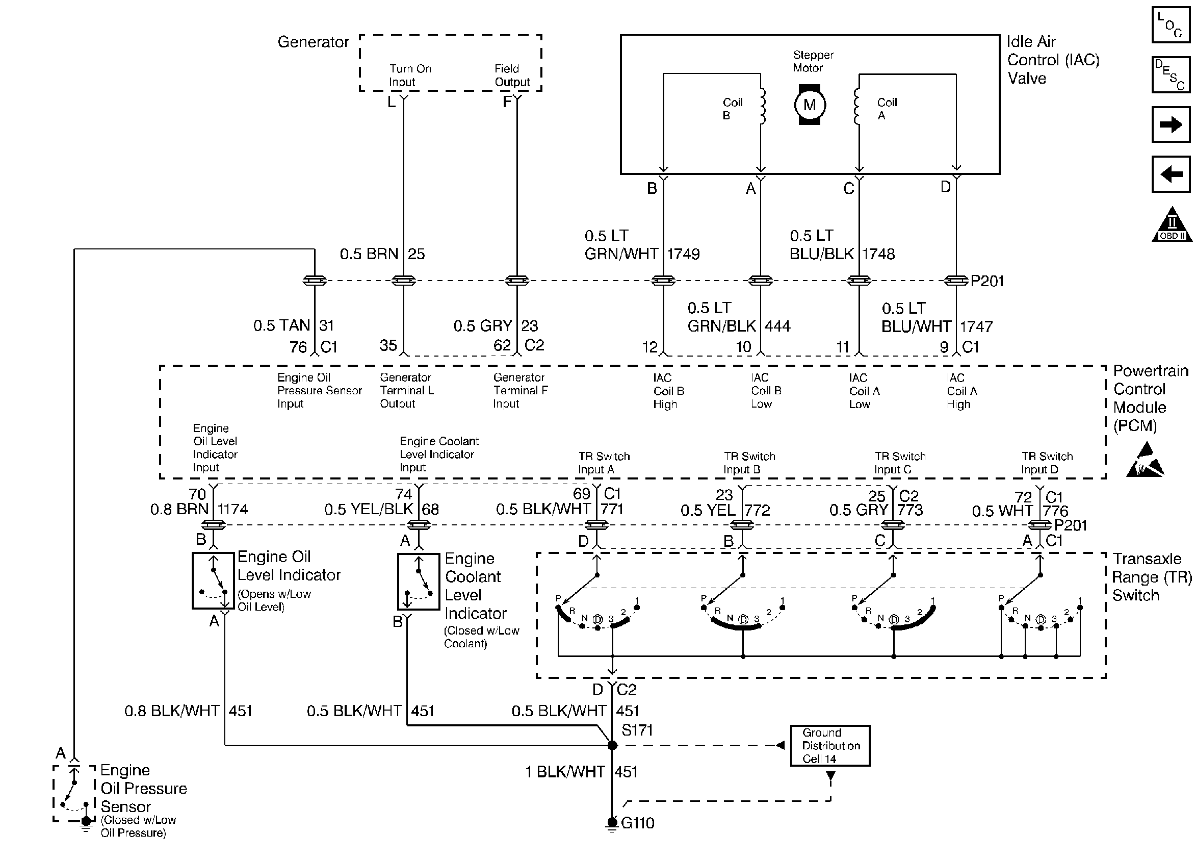
🢒 Engine Oil Pressure Sensor, Transaxle Range Switch, IAC Valve
Engine Oil Pressure Sensor, Transaxle Range Switch, IAC Valve
Engine Oil Pressure Sensor, Transaxle Range Switch, IAC Valve
Engine Controls Components
Information Sensors 1
Vehicle Speed Sensor
Heated Oxygen Sensors
OBD II Symbol Description Notice
Handling ESD Sensitive Parts Notice