GM Service Manual Online
For 1990-2009 cars only
Makes
🢒
Chevrolet
🢒
1997
🢒
Monte Carlo
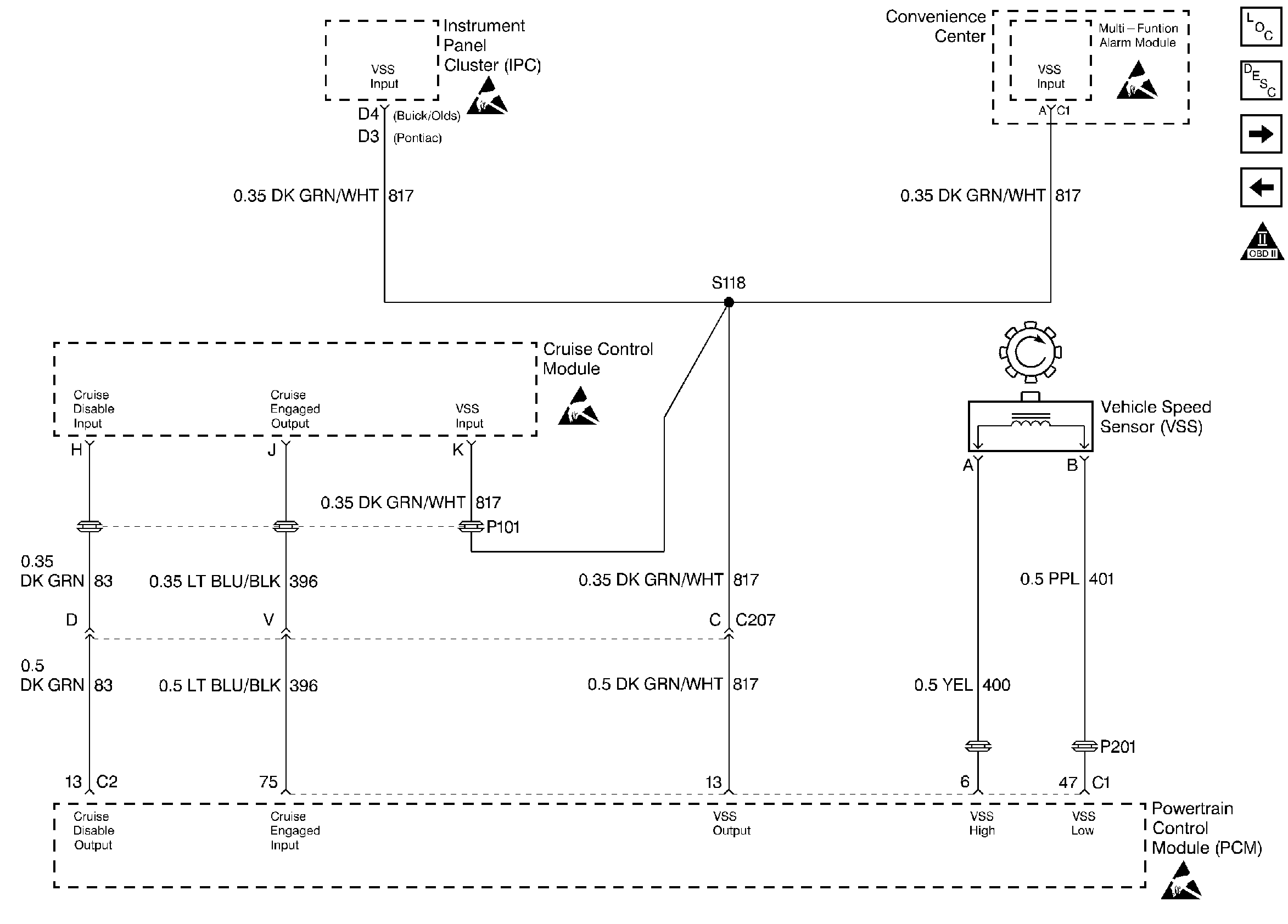
🢒 Vehicle Speed Sensor
Vehicle Speed Sensor
Vehicle Speed Sensor
Engine Controls Components
Information Sensors 1
Brake Switch and Automatic Transaxle
Engine Oil Pressure Sensor, Transaxle Range Switch, IAC Valve
OBD II Symbol Description Notice
Handling ESD Sensitive Parts Notice
Handling ESD Sensitive Parts Notice
Handling ESD Sensitive Parts Notice