GM Service Manual Online
For 1990-2009 cars only

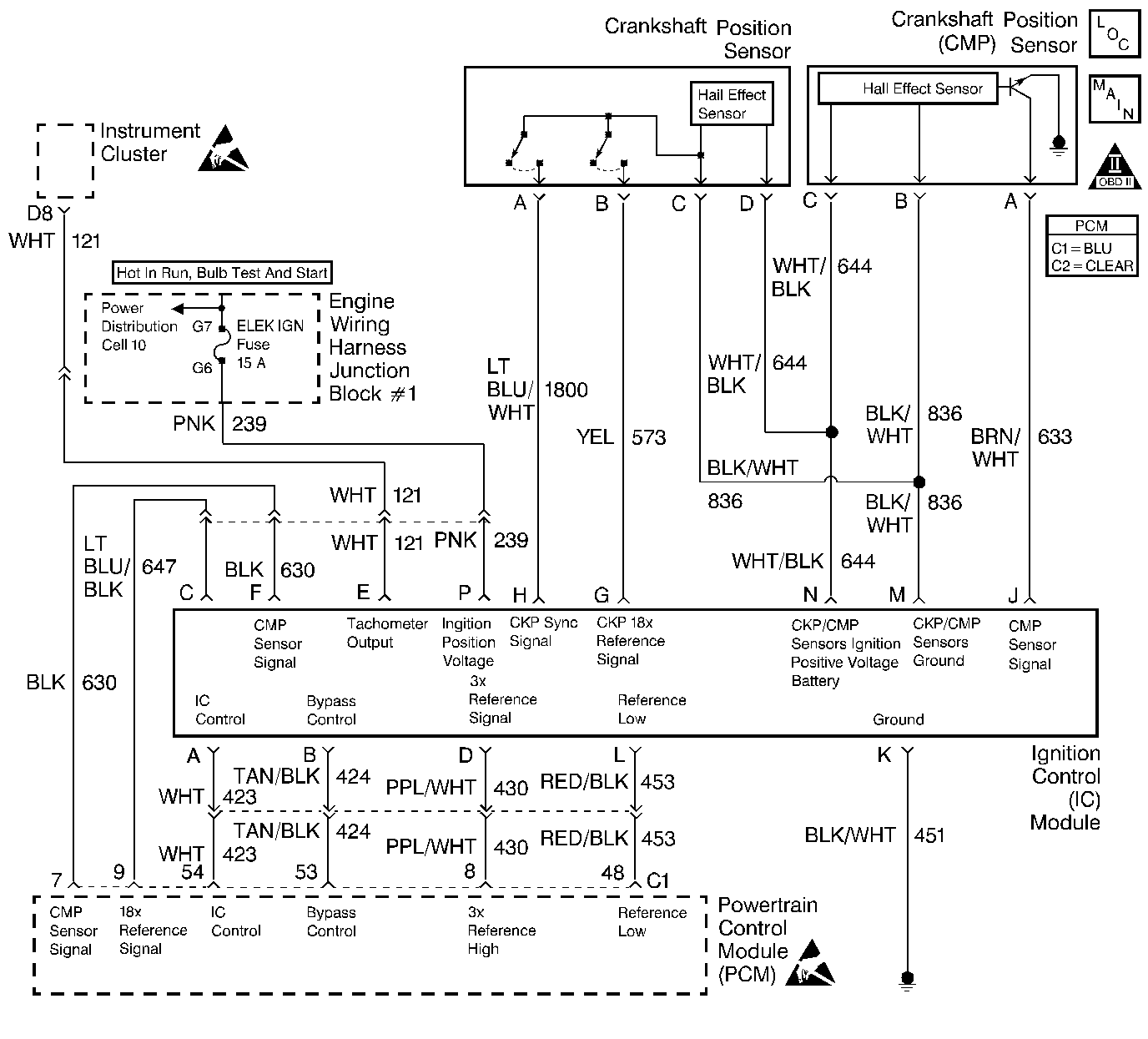
Object Number: 237061  Size: LF
Engine Controls Component Views
Ignition System, Knock Sensor
OBD II Symbol Description Notice
Handling ESD Sensitive Parts Notice
Handling ESD Sensitive Parts Notice

Circuit Description

The camshaft position PCM input is produced by the ignition control module. The ICM produces the camshaft position PCM input by filtering the Camshaft Position (CMP) sensor pulses when the engine is running and CKP sync pulses are also being received. The PCM uses the camshaft position PCM input pulses to initiate sequential fuel injection and to determine crankshaft position for the misfire diagnostic. The PCM constantly monitors the number of pulses on the camshaft position PCM input circuit and compares the number of camshaft position PCM input pulses to the number of 18X reference pulses and the number of 3X reference pulses being received. If the PCM receives an incorrect number of pulses on the camshaft position PCM input circuit, DTC P0341 will set and the PCM will initiate injector sequence without the camshaft position PCM input with a one in six chance that injector sequence is correct. The engine will continue to start and run normally, although the misfire diagnostic will be disabled.

Conditions for Running the DTC

The engine is running (3X reference pulses are being received).

Conditions for Setting the DTC

    • The ratio of 3X reference pulses to Cam pulses received by the PCM does not equal 6.
    • The ratio of 3X reference pulses to 18X reference pulses received by the PCM equals 6.
    • The conditions are present for more than 10 seconds.

Action Taken When the DTC Sets

    • The PCM will illuminate the MIL during the second consecutive trip cycle in which the diagnostic test has been run and failed.
    • The PCM will initiate injector sequence without the camshaft position signal with a one in six chance that injector sequence is correct.
    • If equipped with traction control, the PCM will command the EBTCM via serial data to set an ABS/TCS DTC, the EBTCM will turn OFF traction control, and the EBTCM will illuminate the TRACTION OFF lamp.
    • The PCM will store conditions which were present when the DTC set as Freeze Frame and Fail Records data.

Conditions for Clearing the MIL/DTC

    • The PCM will turn the MIL OFF during the third consecutive trip in which the diagnostic has been run and passed.
    • The history DTC will clear after 40 consecutive warm-up cycles have occurred without a malfunction.
    • The DTC can be cleared by using the scan tool.

Diagnostic Aids

An intermittent may be caused by a poor connection, rubbed through wire insulation or a wire broken inside the insulation. Check for the following conditions:

    • Poor connection.
        Inspect the PCM harness and connectors for improper mating, broken locks, improperly formed or damaged terminals, and poor terminal to wire connection.
    • Damaged harness.
        Inspect the wiring harness for damage. If the harness appears to be OK, disconnect the PCM, turn the ignition on and observe a voltmeter connected to the 18X reference circuit at the PCM harness connector while moving connectors and wiring harnesses related to the ICM. A change in voltage will indicate the location of the malfunction.
    • Misrouted wiring harness.
        Inspect the ICM harness to ensure that it is not routed near secondary ignition components.
    • Malfunctioning Ignition Coil.
        Remove the ignition coils and inspect the ignition control module and coils for cracks, carbon tracking, or other signs that indicate that the coil secondary circuit is arcing to the ICM or ICM wiring harness. Refer to Ignition Coil Replacement .
    • Secondary ignition wire(s) arcing to wiring harness.
        Check secondary ignition wires for carbon tracking or other signs of damage.

Reviewing the Fail Records vehicle mileage since the diagnostic test last failed may help determine how often the condition that caused the DTC to be set occurs. This may assist in diagnosing the condition.

Test Description

The numbers below refer to the step numbers on the diagnostic table.

  1. Ensures that the malfunction is present.

  2. Determines whether the malfunction is being caused by a missing camshaft magnet or a malfunctioning PCM. The voltage measured in this step should read around 4 volts, toggling to near 0 volts when the CMP sensor interfaces with the camshaft magnet.

  3. This vehicle is equipped with a PCM which utilizes an Electrically Erasable Programmable Read Only Memory (EEPROM). When the PCM is being replaced, the new PCM must be programmed.

DTC P0341 - CMP Sensor Circuit Performance

Step

Action

Value(s)

Yes

No

1

Important: If the engine cranks but will not run, go to Engine Cranks but Does Not Run .

Did you perform the Powertrain On-Board Diagnostic (OBD) System Check?

--

Go to Step 2

Go to Powertrain On Board Diagnostic (OBD) System Check

2

  1. Review and record scan tool Fail Records data.
  2. Operate the vehicle within Fail Records conditions.
  3. Using a scan tool, monitor Specific DTC info for DTC P0341 until the DTC P0341 test runs.

Does the scan tool indicate DTC P0341 failed this ignition?

--

Go to Step 3

Go to Diagnostic Aids

3

  1. Turn OFF the ignition switch.
  2. Disconnect the PCM.
  3. Connect a J 39200 DMM to monitor voltage between the camshaft position input signal circuit at the PCM connector and ground.
  4. Turn ON the ignition switch.
  5. Observe the voltage displayed on the DMM.

Does the DMM display a voltage near the specified value?

5 V

Go to Step 4

Go to Step 5

4

  1. Turn OFF the ignition switch.
  2. Remove the CMP sensor from the engine front cover. Refer to Crankshaft Position Sensor Replacement .
  3. Connect the CMP harness connector to the CMP sensor.
  4. Turn ON the ignition switch.
  5. Place a magnet on the CMP sensor.

Does the DMM display voltage near the specified value?

0 V

Go to Step 16

Go to Step 8

5

Does the voltage on the camshaft position input signal circuit measure greater than the specified value?

5 V

Go to Step 7

Go to Step 6

6

  1. Turn OFF the ignition switch.
  2. Disconnect the ignition control module (leave the PCM disconnected).
  3. Turn ON the ignition switch.
  4. Probe the camshaft position input signal circuit and the CMP sensor signal circuit at the ignition control module connector with a J 35616-200 test lamp to B+.
  5. If the test lamp is ON, locate and repair short to ground in the camshaft position input signal circuit or the CMP sensor signal circuit as necessary. Refer to Wiring Repairs in Wiring Systems.

Was a problem found?

--

Go to Step 24

Go to Step 13

7

  1. Turn OFF the ignition switch.
  2. Disconnect the ignition control module (leave the PCM disconnected).
  3. Turn ON the ignition switch.
  4. Probe the camshaft position input signal circuit with a J 35616-200 test lamp to ground.
  5. If the test lamp is on, locate and repair short to voltage in the camshaft position input signal circuit. Refer to Wiring Repairs in Wiring Systems.

Was a problem found?

--

Go to Step 24

Go to Step 18

8

  1. Disconnect the CMP sensor.
  2. With the ignition ON, measure voltage between the sensor feed circuit and the sensor ground circuit at the CMP sensor harness connector.

Does the voltage measure near the specified value?

B+

Go to Step 9

Go to Step 12

9

Measure voltage between the CMP sensor signal circuit and the sensor ground circuit at the camshaft position sensor harness connector.

Does the voltage measure between the specified values?

5-7 V

Go to Step 10

Go to Step 11

10

  1. Connect the J 39200 DMM to monitor voltage between the camshaft position input signal circuit at the PCM harness connector and ground.
  2. Monitor the voltage display on the DMM while repeatedly touching the CMP sensor signal circuit at the CMP sensor connector with a J 35616-200 test lamp to ground.

Does the DMM voltage display switch between 0 and 5 volts when the test lamp is repeatedly touched to the CMP sensor signal circuit?

--

Go to Step 15

Go to Step 14

11

  1. Turn OFF the ignition switch.
  2. Disconnect the ignition control module (leave the CMP sensor disconnected).
  3. Turn ON the ignition switch
  4. Check for the following conditions:
  5. • The CMP sensor signal circuit for an open or a short to voltage.
    • The camshaft position input signal circuit for a short to voltage.
  6. If a problem is found, repair it as necessary. Refer to Wiring Repairs in Wiring Systems.

Was a problem found?

--

Go to Step 24

Go to Step 14

12

  1. Turn OFF the ignition switch.
  2. Disconnect the ignition control module and the CMP sensor.
  3. Check the following circuits for an open between the ignition control module and the CMP sensor:
  4. • The sensor feed circuit.
    • The sensor ground circuit.
  5. If a problem is found, repair as necessary. Refer to Wiring Repairs in Wiring Systems.

Was a problem found?

--

Go to Step 24

Go to Step 14

13

  1. Check for an open in the camshaft position input signal circuit between the PCM and the ignition control module.
  2. If a problem is found, repair as necessary. Refer to Wiring Repairs in Wiring Systems.

Was a problem found?

--

Go to Step 24

Go to Step 14

14

  1. Check for faulty connections at the ignition control module.
  2. If a problem is found, repair as necessary. Refer to Wiring Repairs in Wiring Systems.

Was a problem found?

--

Go to Step 24

Go to Step 17

15

  1. Check for faulty connections at the camshaft position sensor.
  2. If a problem is found, repair it as necessary. Refer to Wiring Repairs in Wiring Systems.

Was a problem found?

--

Go to Step 24

Go to Step 19

16

  1. Check for faulty connections at the PCM.
  2. If a problem is found, repair it as necessary. Refer to Wiring Repairs in Wiring Systems.

Was a problem found?

--

Go to Step 24

Go to Step 20

17

  1. Check for the following conditions:
  2. • Incorrect harness routing near secondary ignition components.
    • Ignition coil arcing to the wiring harness or to the ignition control module. Check ignition coils for cracks, carbon tracking, or other signs of damage. Refer to Ignition Coil Replacement .
    • Secondary ignition wires arcing to the wiring harness. Refer to Spark Plug Wire Harness Replacement in Engine Electrical.
  3. If a problem is found, repair as necessary.

Was a problem found?

--

Go to Step 24

Go to Step 18

18

Replace the ignition control module. Refer to Ignition Control Module Replacement .

Did you complete the repair?

--

Go to Step 24

--

19

Replace the camshaft position sensor. Refer to Crankshaft Position Sensor Replacement .

Did you complete the repair?

--

Go to Step 24

--

20

  1. Check for the following conditions:
  2. • Incorrect harness routing near secondary ignition components.
    • Ignition coil arcing to wiring harness or ignition control module. Check ignition coils for cracks, carbon tracking, or other signs of damage. Refer to Ignition Coil Replacement .
    • Secondary ignition wires arcing to wiring harness. Refer to Spark Plug Wire Harness Replacement in Engine Electrical.
  3. If a problem is found, repair as necessary.

Was a problem found?

--

Go to Step 24

Go to Step 21

21

  1. Reinstall the CMP sensor to the engine front cover.
  2. Observe the J 39200 DMM connected to monitor voltage on the camshaft position input signal circuit while repeatedly bumping the engine with the starter.

Does voltage toggle between the specified values?

4 V--0 V

Go to Step 22

Go to Step 23

22

Important: The replacement PCM must be programmed.

Replace the PCM. Refer to Powertrain Control Module Replacement/Programming .

Did you complete the repair?

--

Go to Step 24

--

23

Replace malfunctioning or missing camshaft position sensor magnet. Refer to Camshaft Position Sensor Replacement .

Did you complete the repair?

--

Go to Step 24

--

24

  1. Review and record scan tool Fail Records data.
  2. Clear DTCs.
  3. Operate the vehicle within Fail Records conditions.
  4. Using a scan tool, monitor Specific DTC info for DTC P0341 until the DTC P0341 test runs.

Does the scan tool indicate DTC P0341 failed this ignition?

--

Go to Step 2

System OK