GM Service Manual Online
For 1990-2009 cars only
Makes
🢒
Chevrolet
🢒
1999
🢒
Monte Carlo
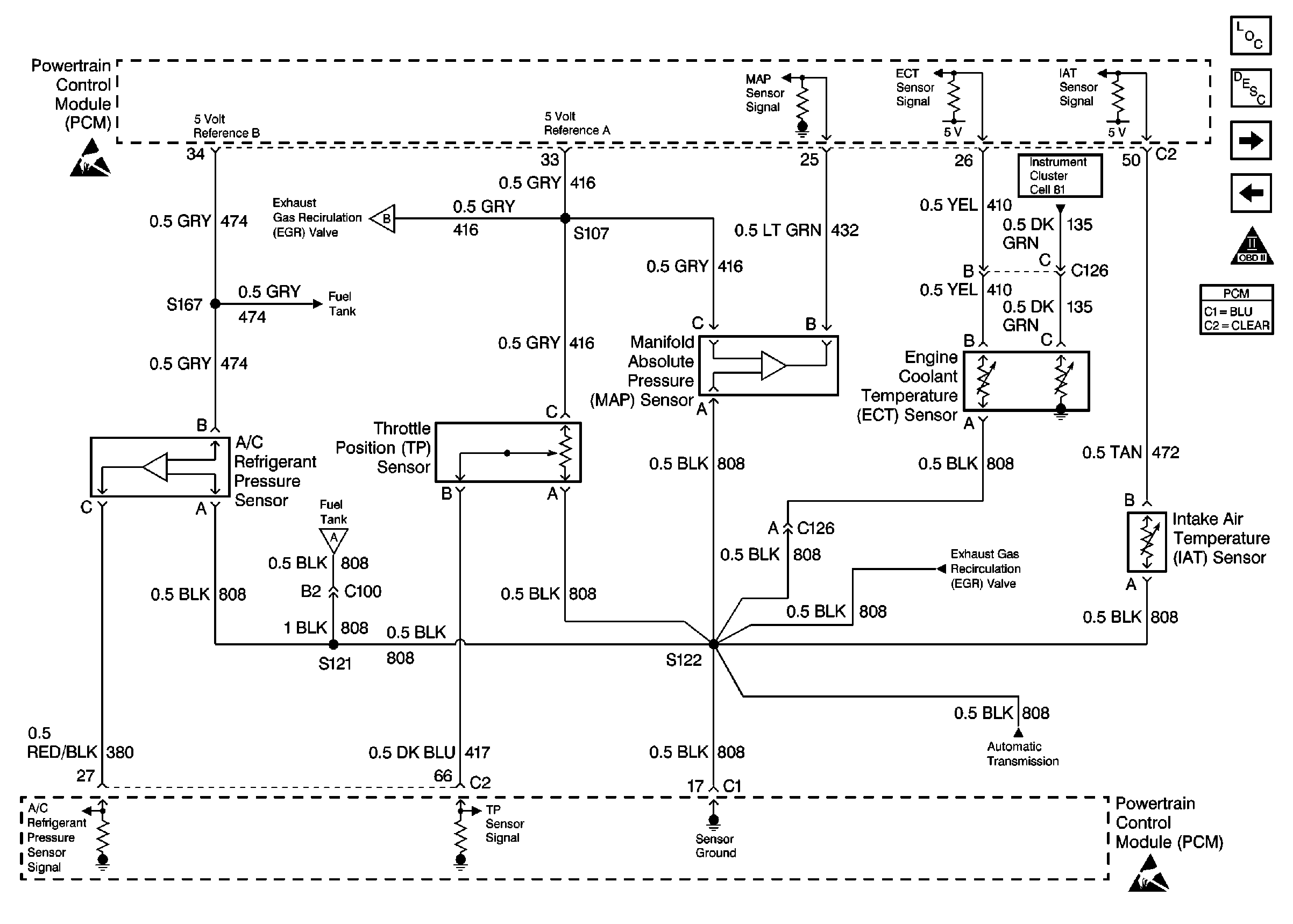
🢒 Cell 21: Engine Data Sensors-A/C Refrig Press, TP, MAP, ECT, IAT
Cell 21: Engine Data Sensors-A/C Refrig Press, TP, MAP, ECT, IAT
Cell 21: Engine Data Sensors-A/C Refrig Press, TP, MAP, ECT, IAT
Engine Controls Components
Powertrain Control Module Description
Handling ESD Sensitive Parts Notice
Handling ESD Sensitive Parts Notice
OBD II Symbol Description Notice
Cell 21: Fuel Injectors
Cell 21: Engine Data Sensors-HO2S 1, HO2S 2
Cell 81: Instrument Cluster w/Analog Speedometer 1 of 4
Cell 21: Engine Data Sensors-MAF, EVAP Vent, EVAP Purge, EGR
Cell 21: Engine Data Sensors-Automatic Transaxle TCC Switch
Cell 21: Fuel Controls
Cell 21: Fuel Controls
Cell 21: Engine Data Sensors-MAF, EVAP Vent, EVAP Purge, EGR