GM Service Manual Online
For 1990-2009 cars only
Makes
🢒
Chevrolet
🢒
1999
🢒
Monte Carlo
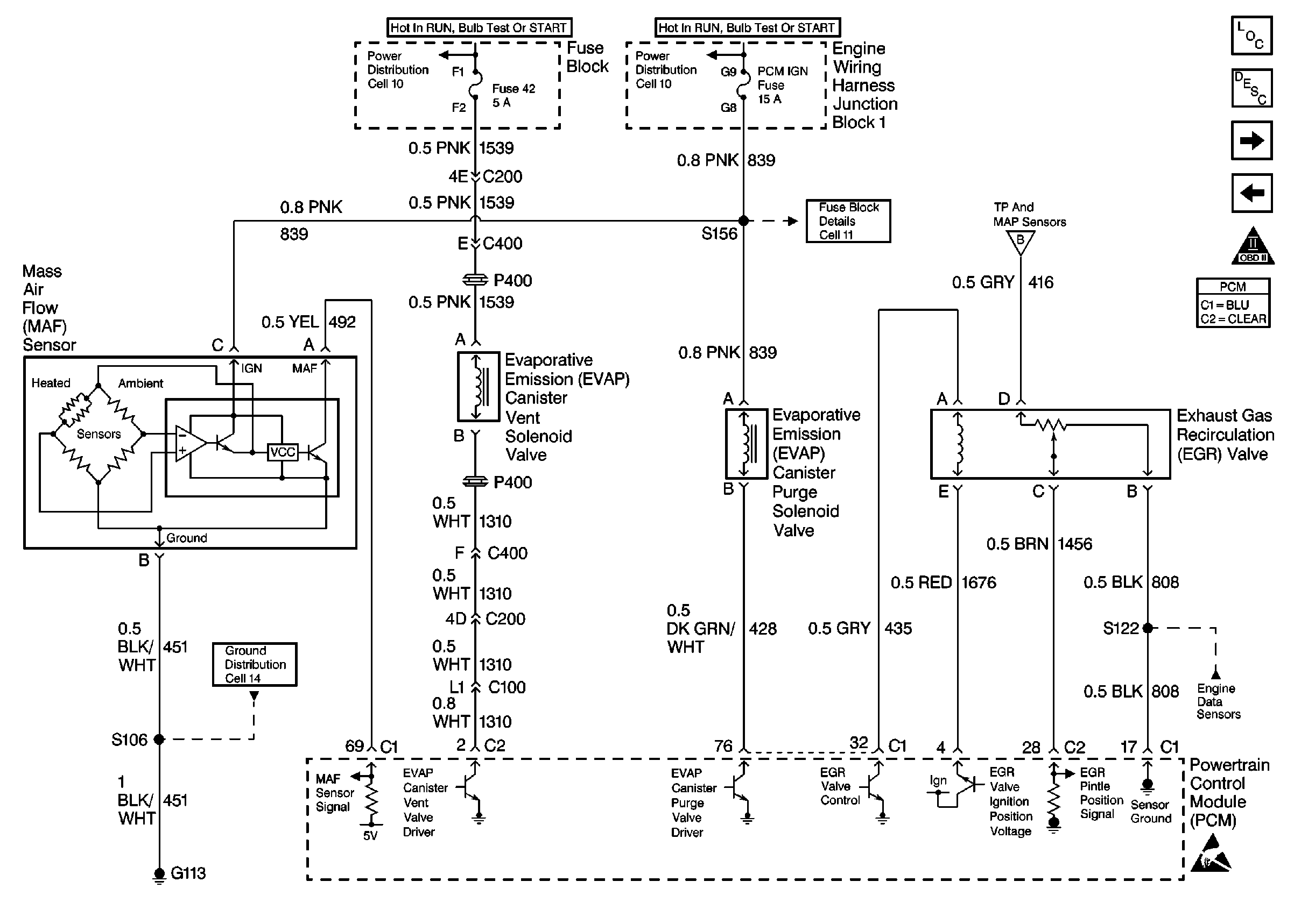
🢒 Cell 21: Engine Data Sensors-MAF, EVAP Vent, EVAP Purge, EGR
Cell 21: Engine Data Sensors-MAF, EVAP Vent, EVAP Purge, EGR
Cell 21: Engine Data Sensors-MAF, EVAP Vent, EVAP Purge, EGR
Engine Controls Components
Powertrain Control Module Description
Cell 10: Fuses 12, 21, 30, 33, 39, and 42
Cell 10: Fuses 12, 21, 30, 33, 39, and 42
Cell 21: Engine Data Sensors-IAC, Engine Oil Level
Cell 21: Engine Data Sensors-HO2S 1, HO2S 2
OBD II Symbol Description Notice
Cell 11: ELEK IGN, F/INJN, and PCM IGN Fuses
Cell 21: Engine Data Sensors-A/C Refrig Press, TP, MAP, ECT, IAT
Cell 14: G111 and G113
Cell 21: Engine Data Sensors-A/C Refrig Press, TP, MAP, ECT, IAT
Handling ESD Sensitive Parts Notice