GM Service Manual Online
For 1990-2009 cars only
Makes
🢒
Chevrolet
🢒
1999
🢒
Monte Carlo
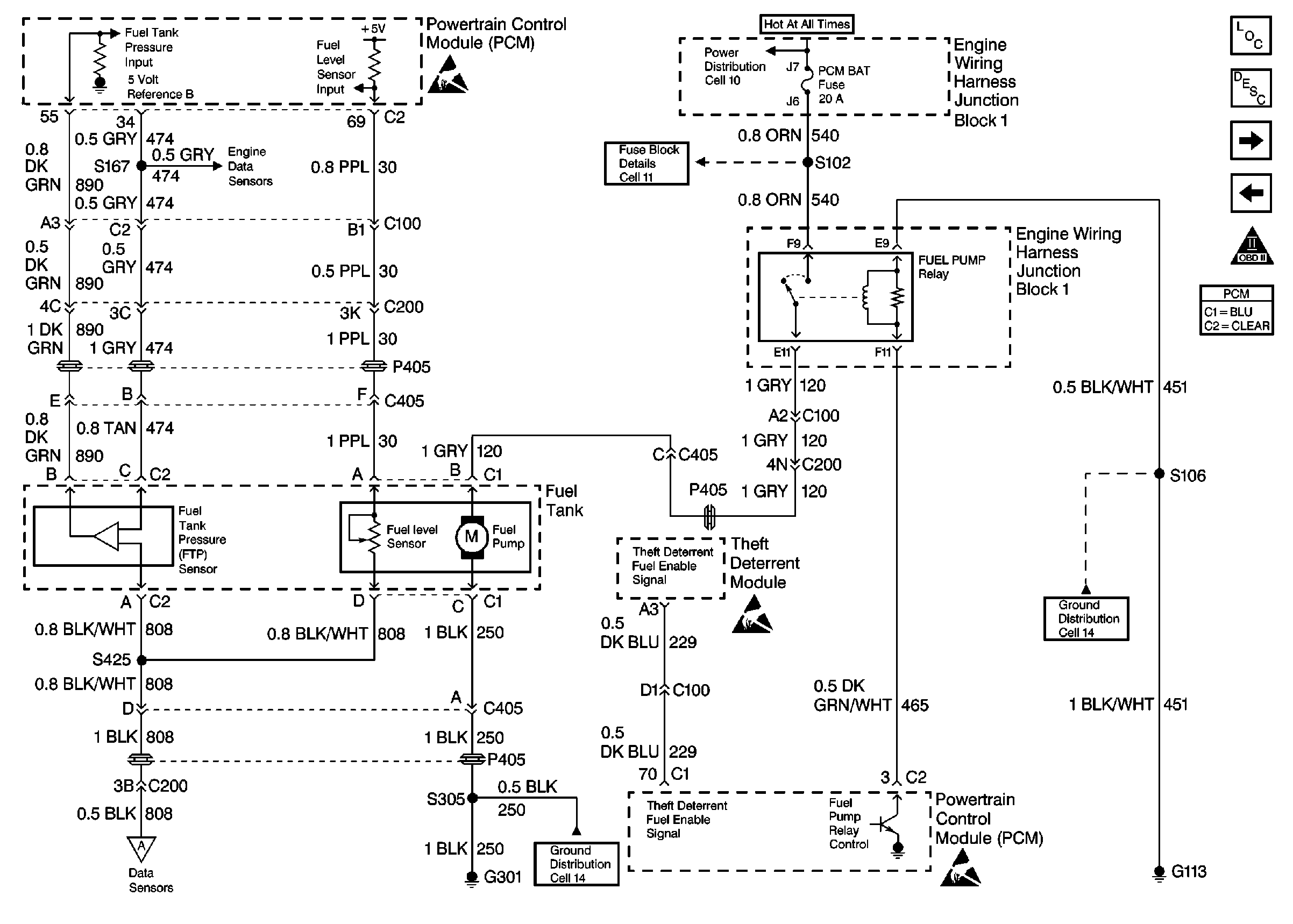
🢒 Cell 20: Fuel Controls
Cell 20: Fuel Controls
Cell 20: Fuel Controls
Engine Controls Components
Powertrain Control Module Description
Cell 20: Engine Data Sensors-A/C Refrig Press, TP, MAP, ECT, IAT
Handling ESD Sensitive Parts Notice
Handling ESD Sensitive Parts Notice
Handling ESD Sensitive Parts Notice
Cell 20: Engine Data Sensors-A/C Refrig Press, TP, MAP, ECT, IAT
Cell 14: G301 and G306 (SEO)
Cell 11: PCM BAT, and R/CMPT REL Fuses
Cell 10: Generator, Starter, Fusible Links, MaxiFuse® 1, 2 and4
Cell 14: G111 and G113
OBD II Symbol Description Notice
Cell 20: Ignition System, Knock Sensors
Cell 20: Fuel Injectors