GM Service Manual Online
For 1990-2009 cars only
Makes
🢒
Chevrolet
🢒
1999
🢒
Monte Carlo
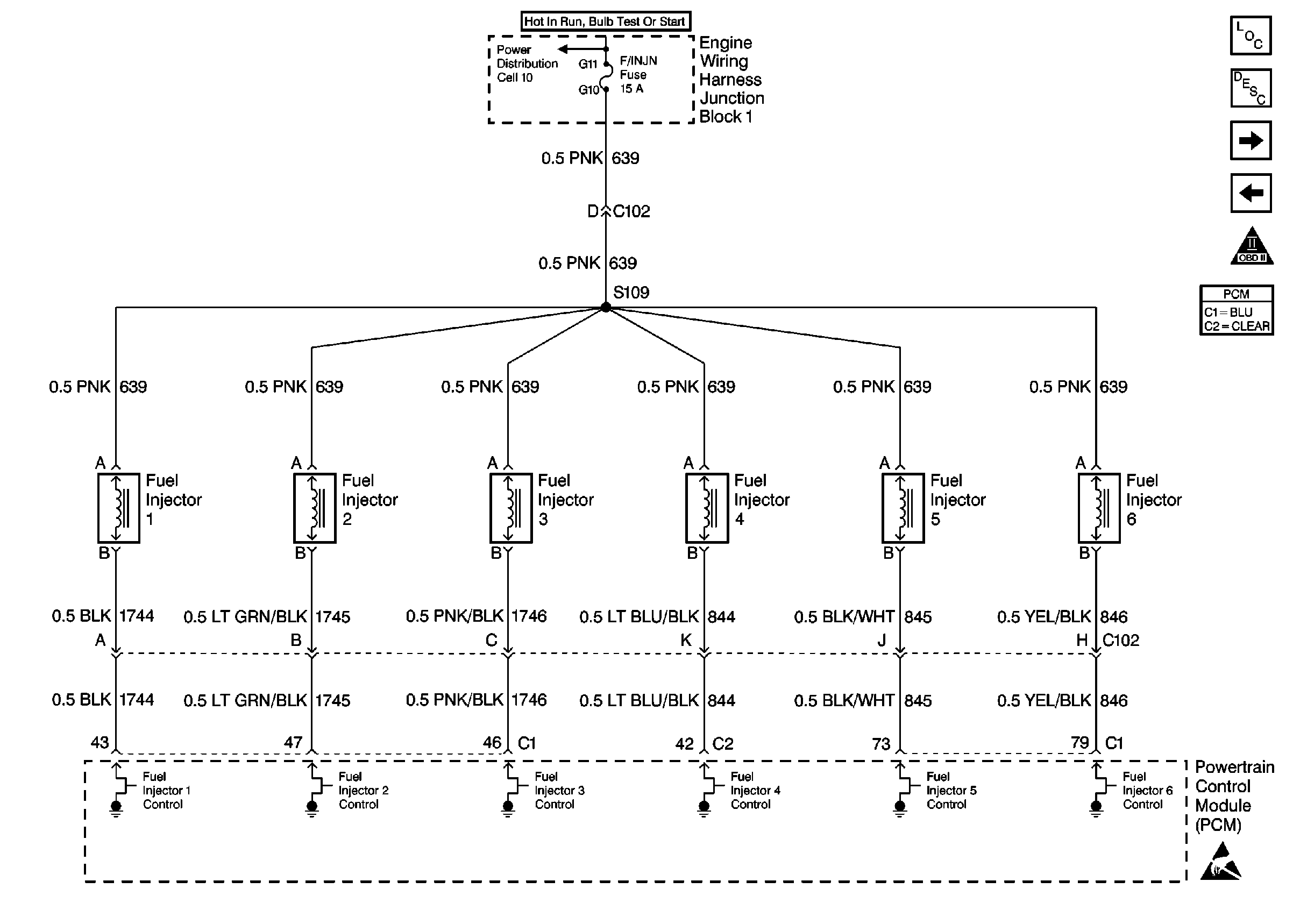
🢒 Cell 20: Fuel Injectors
Cell 20: Fuel Injectors
Cell 20: Fuel Injectors
Engine Controls Components
Powertrain Control Module Description
Cell 10: Battery, Fusible Links (SEO), MaxiFuses®: ABS, HD LPS, IGN SW 1, and Fuses: ABS, FAN 3, HORN, PARK LPS
Handling ESD Sensitive Parts Notice
OBD II Symbol Description Notice
Cell 20: Fuel Controls
Cell 20: Engine Data Sensors-A/C Refrig Press, TP, MAP, ECT, IAT