GM Service Manual Online
For 1990-2009 cars only
Makes
🢒
Chevrolet
🢒
1999
🢒
Monte Carlo
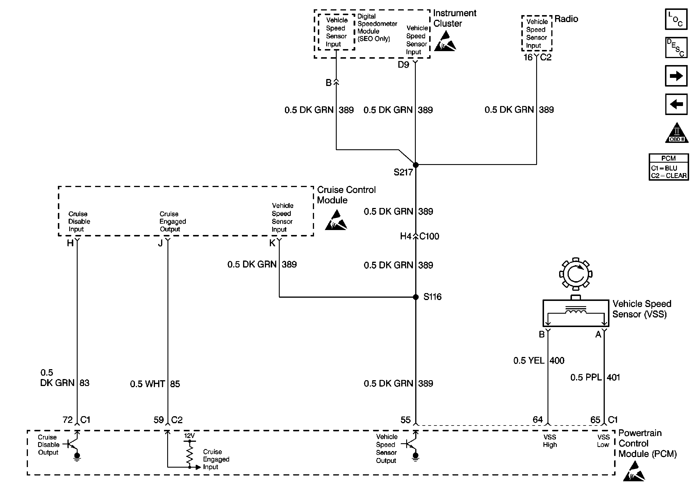
🢒 Cell 20: Engine Data Sensors-VSS, Cruise
Cell 20: Engine Data Sensors-VSS, Cruise
Cell 20: Engine Data Sensors-VSS, Cruise
Engine Controls Components
Powertrain Control Module Description
Handling ESD Sensitive Parts Notice
Handling ESD Sensitive Parts Notice
Handling ESD Sensitive Parts Notice
OBD II Symbol Description Notice
Cell 20: Engine Data Sensors-Automatic Transaxle TCC Switch
Cell 20: Engine Data Sensors-Indicator Lamps