GM Service Manual Online
For 1990-2009 cars only
Makes
🢒
Chevrolet
🢒
1999
🢒
Monte Carlo
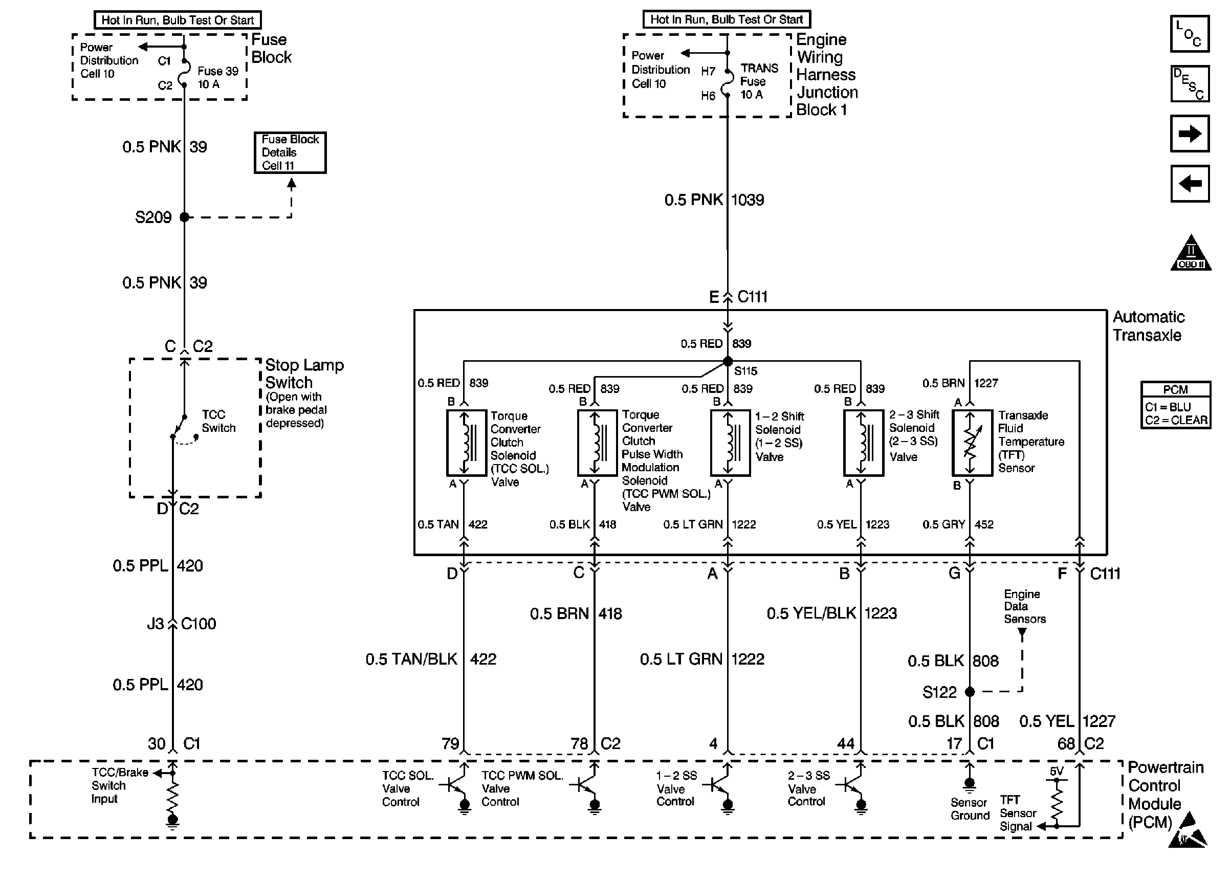
🢒 Cell 20: Engine Data Sensors-Automatic Transaxle TCC Switch
Cell 20: Engine Data Sensors-Automatic Transaxle TCC Switch
Cell 20: Engine Data Sensors-Automatic Transaxle TCC Switch
Engine Controls Components
Powertrain Control Module Description
Cell 10: Fuses 12, 21, 30, 33, 39, and 42
Cell 11: Anti-Theft PCM (12), Air Bag (21), Turn Signal (30), and IP Electronics Ignition Feed (39) Fuses
Cell 10: Fuses 12, 21, 30, 33, 39, and 42
Cell 20: Engine Data Sensors-A/C Refrig Press, TP, MAP, ECT, IAT
Cell 20: Engine Data Sensors-Transaxle Range Switch: PCM Inputs
Cell 20: Engine Data Sensors-VSS, Cruise
Handling ESD Sensitive Parts Notice
OBD II Symbol Description Notice