GM Service Manual Online
For 1990-2009 cars only
Makes
🢒
Chevrolet
🢒
2004
🢒
Optra
🢒 Fuel Controls - Fuel Pump Controls and Injectors
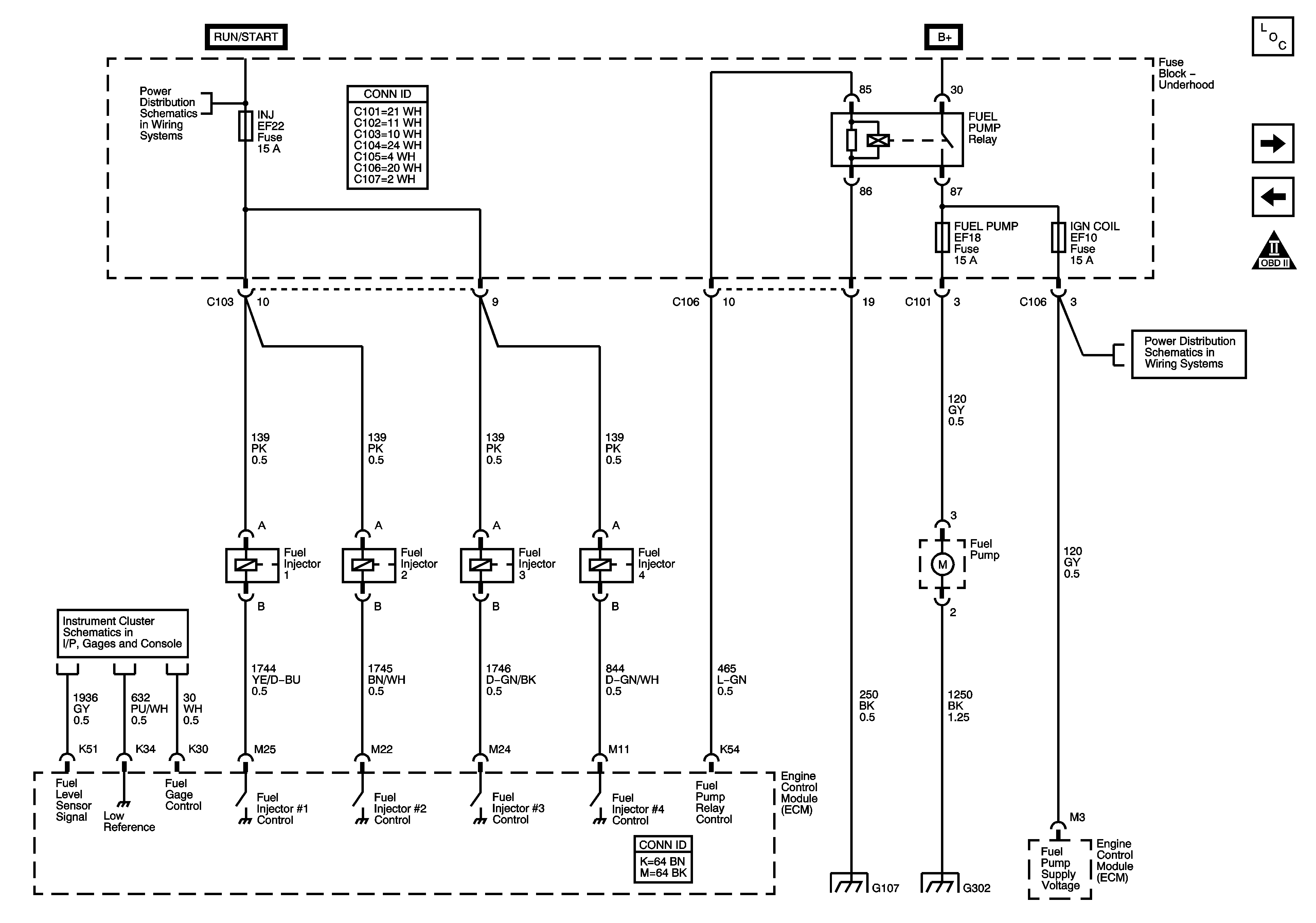
Fuel Controls - Fuel Pump Controls and Injectors
Fuel Controls - Fuel Pump Controls And Fuel Injectors
Master Electrical Component List
Fuel Controls - EVAP Controls
Ignition Controls - Sensors
Antilock Brake System Schematic Icons
Underhood Fuse Block - MAIN Relay and ECM, ENG SNSR, and INJ Fuses - MR-140
Underhood Fuse Block - MAIN Relay and ECM, ENG SNSR, and INJ Fuses - 1.5L
Power, Ground and Gages - 1.8L/2.0L