GM Service Manual Online
For 1990-2009 cars only
Makes
🢒
Chevrolet
🢒
2004
🢒
Optra
🢒 Power, Ground and Gages - 1.8L/2.0L
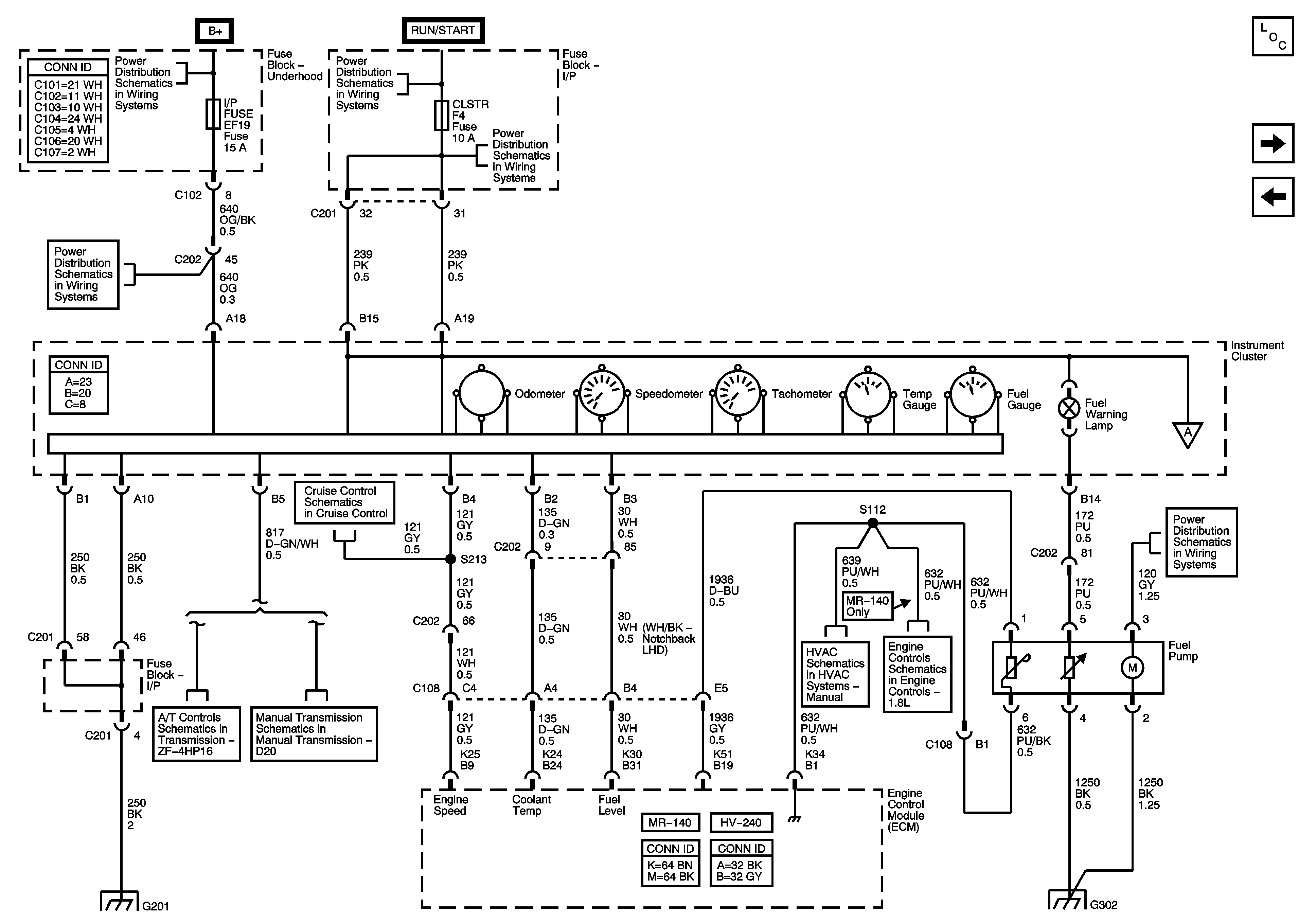
Power, Ground and Gages - 1.8L/2.0L
Power, Ground and Gages - 1.8L/2.0L
Master Electrical Component List
Power Steering, Shift Program, Air Bag, Seat Belt, Oil Pressure, MIL, ABS, TCS, Parking Brake, and Charging Waring Lamps
Power, Ground and Gages - 1.4L/1.6L
Underhood Fuse Block - IP FUSE, DR/LOCK and STOP LAMPS Fuses
I/P Fuse Block - CLSTR, AIR BAG, BCK/UP, and ENG FUSE BOX DRL Fuses
I/P Fuse Block - CLSTR, AIR BAG, BCK/UP, and ENG FUSE BOX DRL Fuses
Underhood Fuse Block - IP FUSE, DR/LOCK and STOP LAMPS Fuses
Vehicle Speed Signal
Vehicle Speed Sensor (VSS)
Manual Transmission
Power Steering, Shift Program, Air Bag, Seat Belt, Oil Pressure, MIL, ABS, TCS, Parking Brake, and Charging Waring Lamps
Underhood Fuse Block - FUEL PUMP Relay and FUEL PUMP and IGN COIL Fuses