GM Service Manual Online
For 1990-2009 cars only
Makes
🢒
Chevrolet
🢒
2004
🢒
Optra
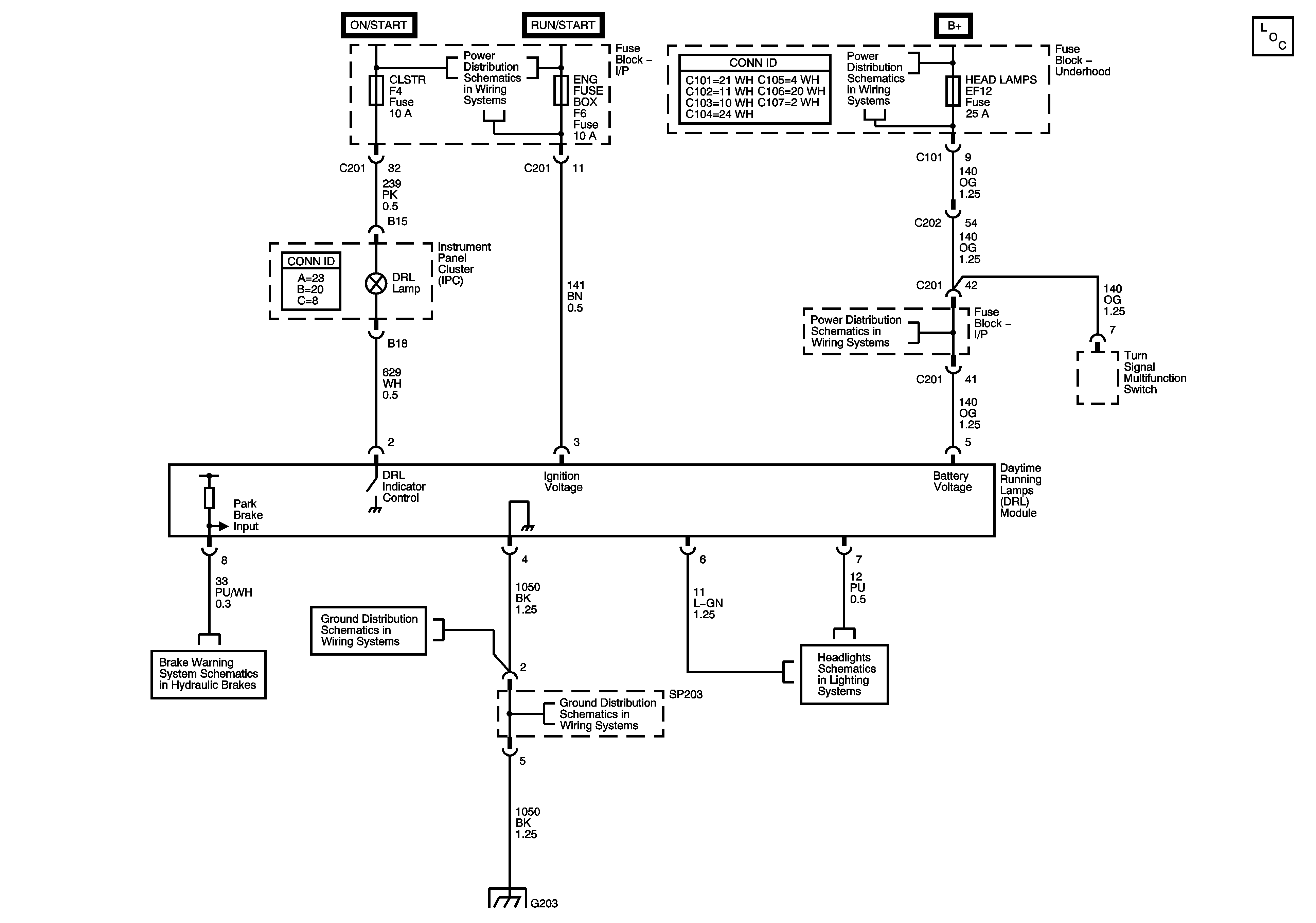
🢒 Daytime Running Lamp (DRL (North America))
Daytime Running Lamp (DRL (North America))
Daytime Running Lamp (DRL (North America))
Master Electrical Component List
I/P Fuse Block - CLSTR, AIR BAG, BCK/UP, and ENG FUSE BOX DRL Fuses
Underhood Fuse Block - HEAD LAMPS Fuse
Underhood Fuse Block - HEAD LAMPS Fuse
Hydraulic Brakes
G203
G203
Headlamps (w/ North American Daytime Running Lamps (DRL))