GM Service Manual Online
For 1990-2009 cars only
Makes
🢒
Chevrolet
🢒
2004
🢒
Optra
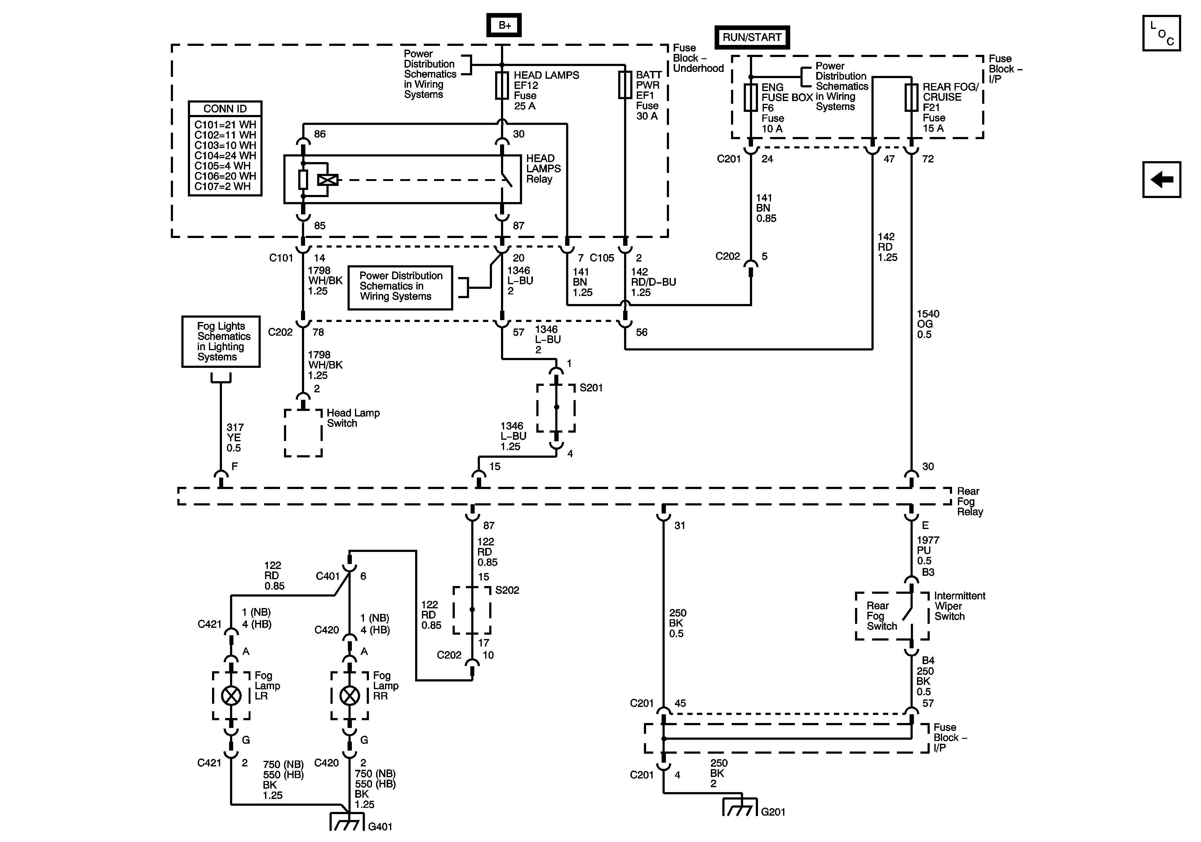
🢒 Rear Fog Lamps
Rear Fog Lamps
Rear Fog Lamps
Master Electrical Component List
Front Fog Lamps
Underhood Fuse Block - HEAD LAMPS Fuse
Underhood Fuse Block - HEAD LAMPS Fuse
Front Fog Lamps
I/P Fuse Block - CLSTR, AIR BAG, BCK/UP, and ENG FUSE BOX DRL Fuses