GM Service Manual Online
For 1990-2009 cars only
Makes
🢒
Chevrolet
🢒
2004
🢒
Optra
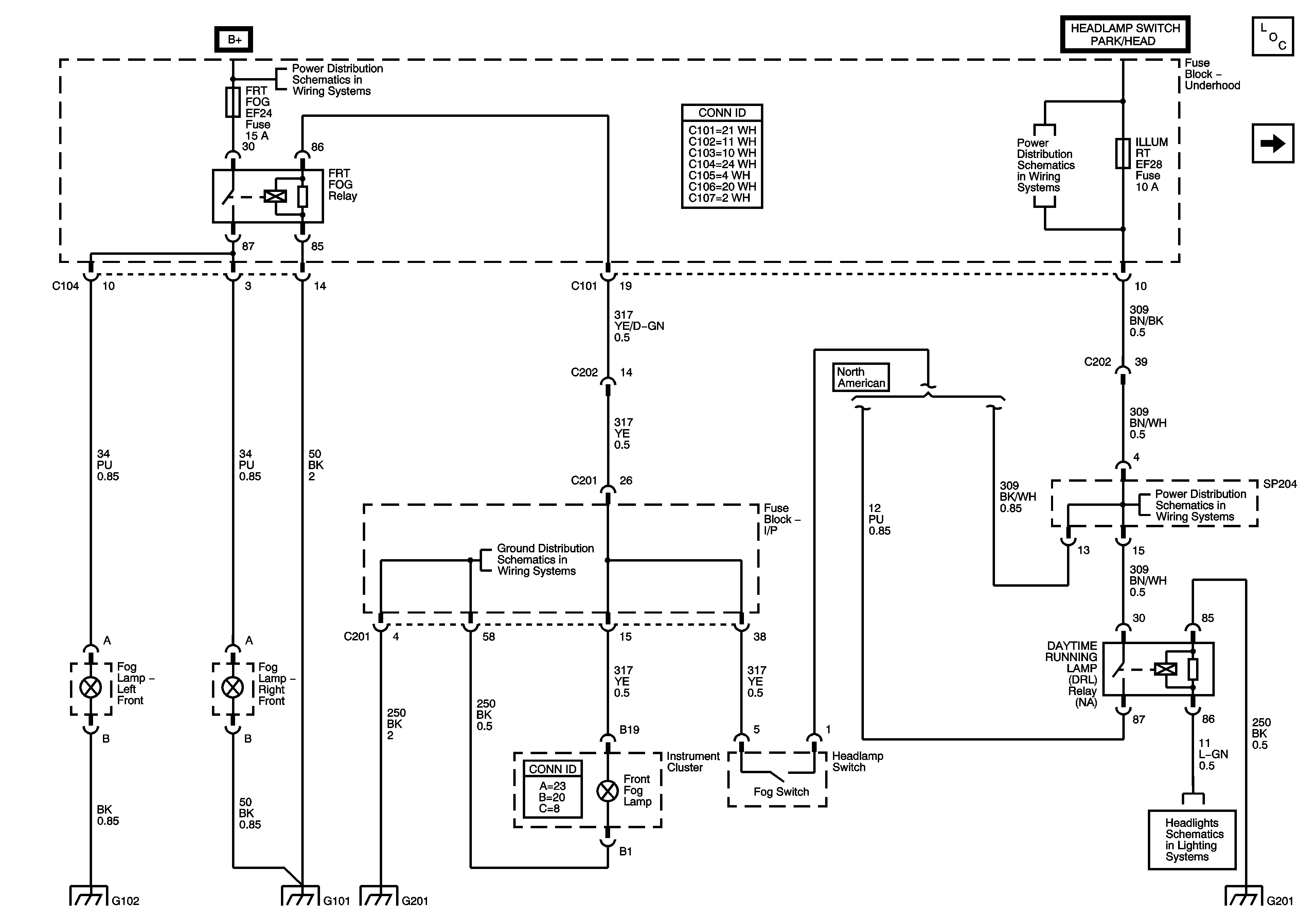
🢒 Front Fog Lamps
Front Fog Lamps
Front Fog Lamps
Master Electrical Component List
Rear Fog Lamps
Underhood Fuse Block - FRT FOG, DRIVERS PWR W/DW and PWR WNDW Fuses
Underhood Fuse Block - FRT FOG, DRIVERS PWR W/DW and PWR WNDW Fuses
Underhood Fuse Block - LOW BEAM LT, LOW BEAM RT, ILLUM LT, ILLUM RT, and HI BEAM Fuses
Underhood Fuse Block - LOW BEAM LT, LOW BEAM RT, ILLUM LT, ILLUM RT, and HI BEAM Fuses
Daytime Running Lamp (DRL (North America))