GM Service Manual Online
For 1990-2009 cars only
Makes
🢒
Chevrolet
🢒
2004
🢒
Optra
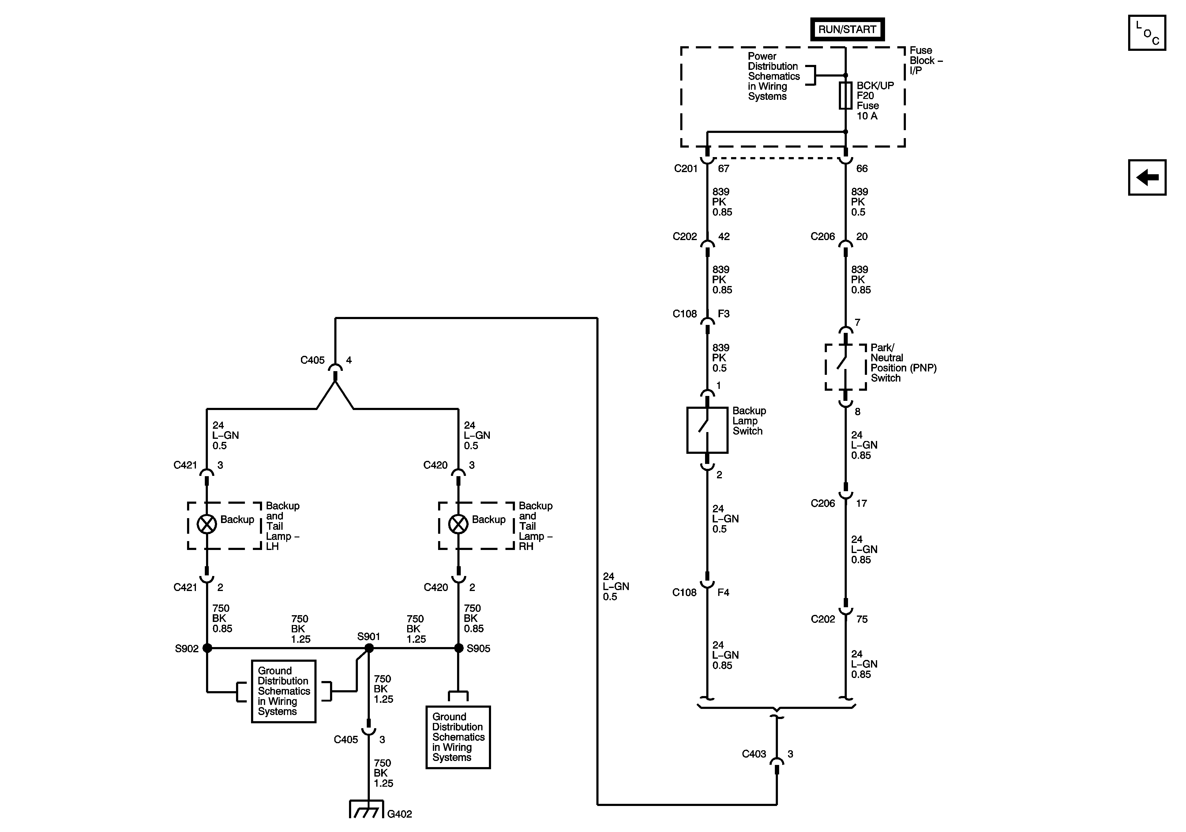
🢒 Backup Lamps (Hatchback)
Backup Lamps (Hatchback)
Backup Lamps (Hatchback)
Master Electrical Component List
Backup Lamps (Notchback)
I/P Fuse Block - CLSTR, AIR BAG, BCK/UP, and ENG FUSE BOX DRL Fuses
G402 - Hatchback Tailgate
G402 - Hatchback Tailgate