GM Service Manual Online
For 1990-2009 cars only
Makes
🢒
Chevrolet
🢒
2004
🢒
Optra
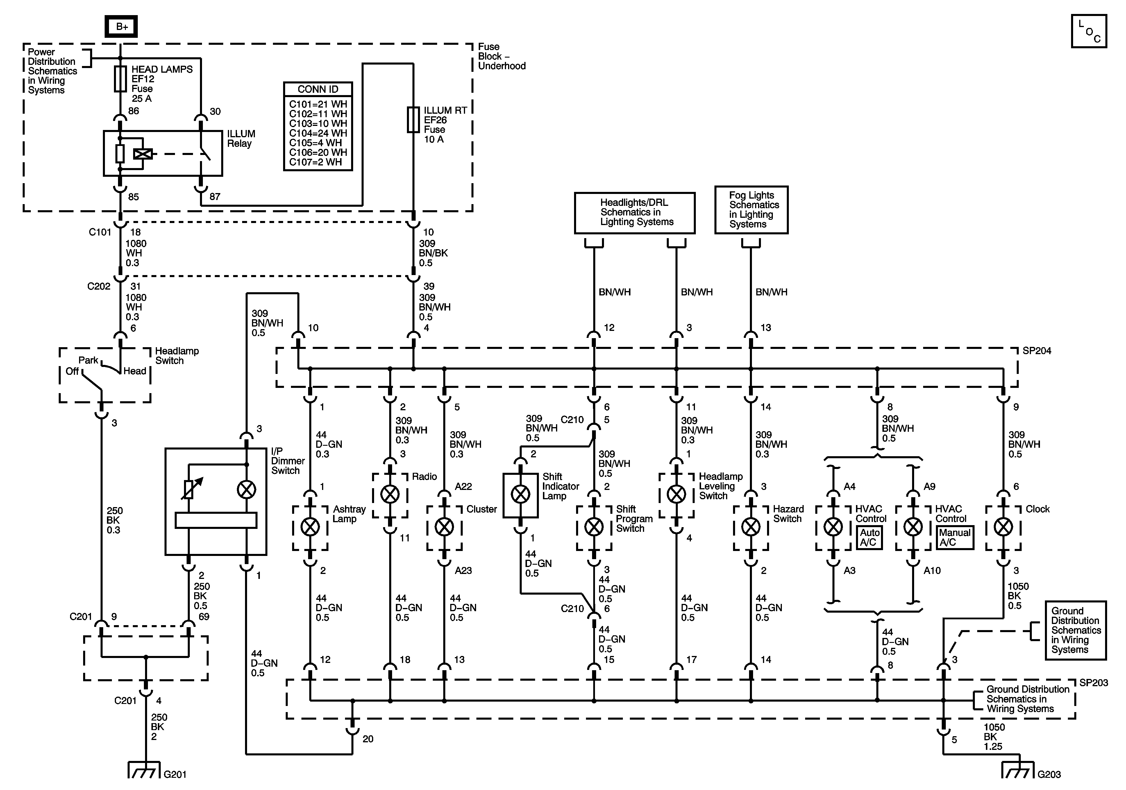
🢒 I/P Illumination (w/Dimming)
I/P Illumination (w/Dimming)
I/P Illumination (w/Dimming)
Master Electrical Component List
Underhood Fuse Block - HEAD LAMPS Fuse
Headlamps (w/ North American Daytime Running Lamps (DRL))
Front Fog Lamps
G203
G203