GM Service Manual Online
For 1990-2009 cars only
Makes
🢒
Chevrolet
🢒
2004
🢒
Optra
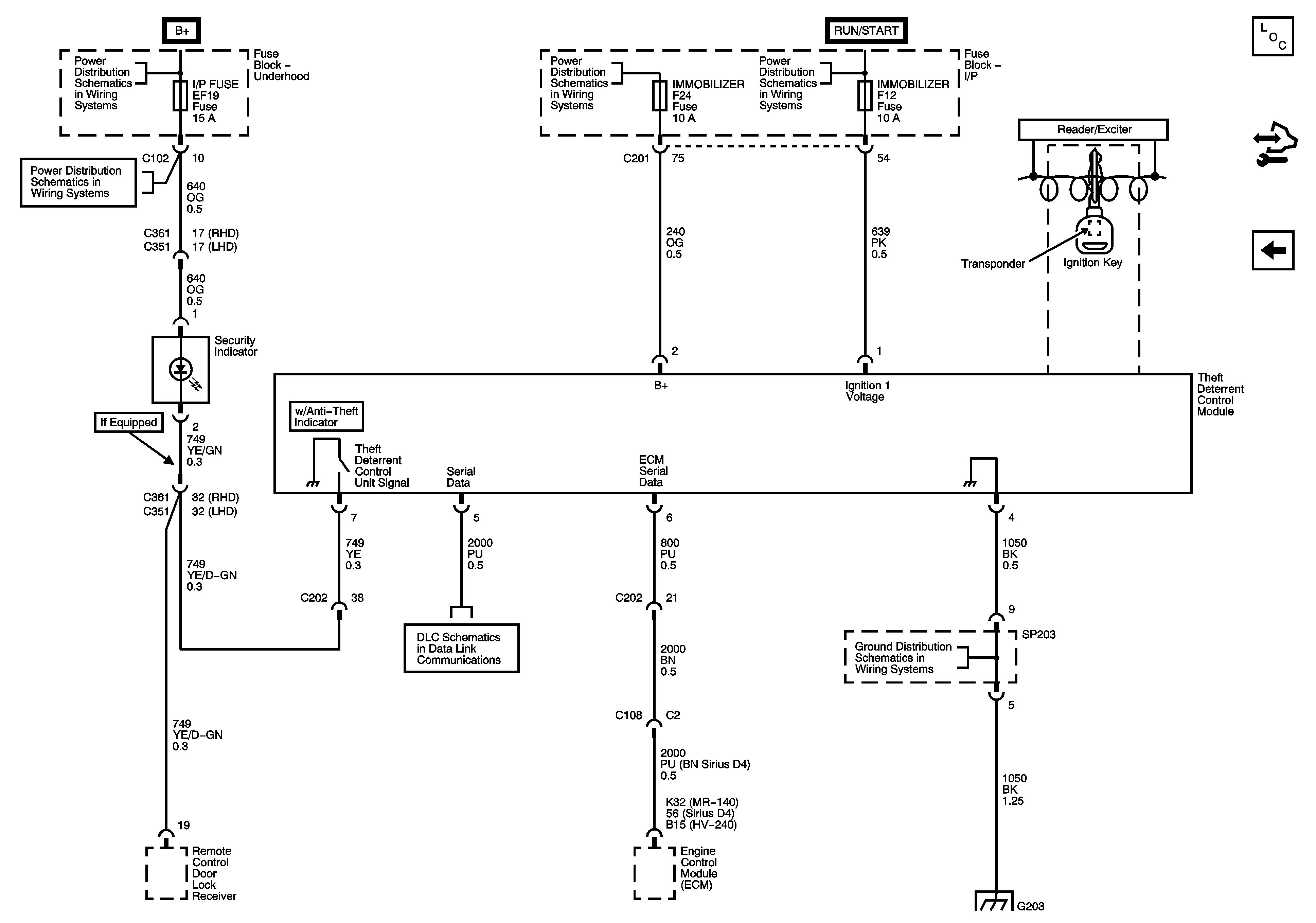
🢒 Theft Deterrent Control Module
Theft Deterrent Control Module
Theft Deterrent Control Module
Master Electrical Component List
Remote Keyless Entry w/o Alarm
Underhood Fuse Block - IP FUSE, DR/LOCK and STOP LAMPS Fuses
Underhood Fuse Block - IP FUSE, DR/LOCK and STOP LAMPS Fuses
Underhood Fuse Block - IP FUSE, DR/LOCK and STOP LAMPS Fuses
Underhood Fuse Block - BATT PWR, IGN 1 and IGN 2 Fuses, Ignition Switch, I/P Fuse Block - RADIO, IMMOBILIZER, DLC, AUTO A/C, HAZARD LAMPS, RKE, TCM, and REAR FOG/CRUISE Fuses
I/P Fuse Block - ABS, IMMOBILIZER, WPR, AND TRN SIG LAMPS Fuses
MR140
G203
G203