GM Service Manual Online
For 1990-2009 cars only
Makes
🢒
Chevrolet
🢒
2004
🢒
Optra
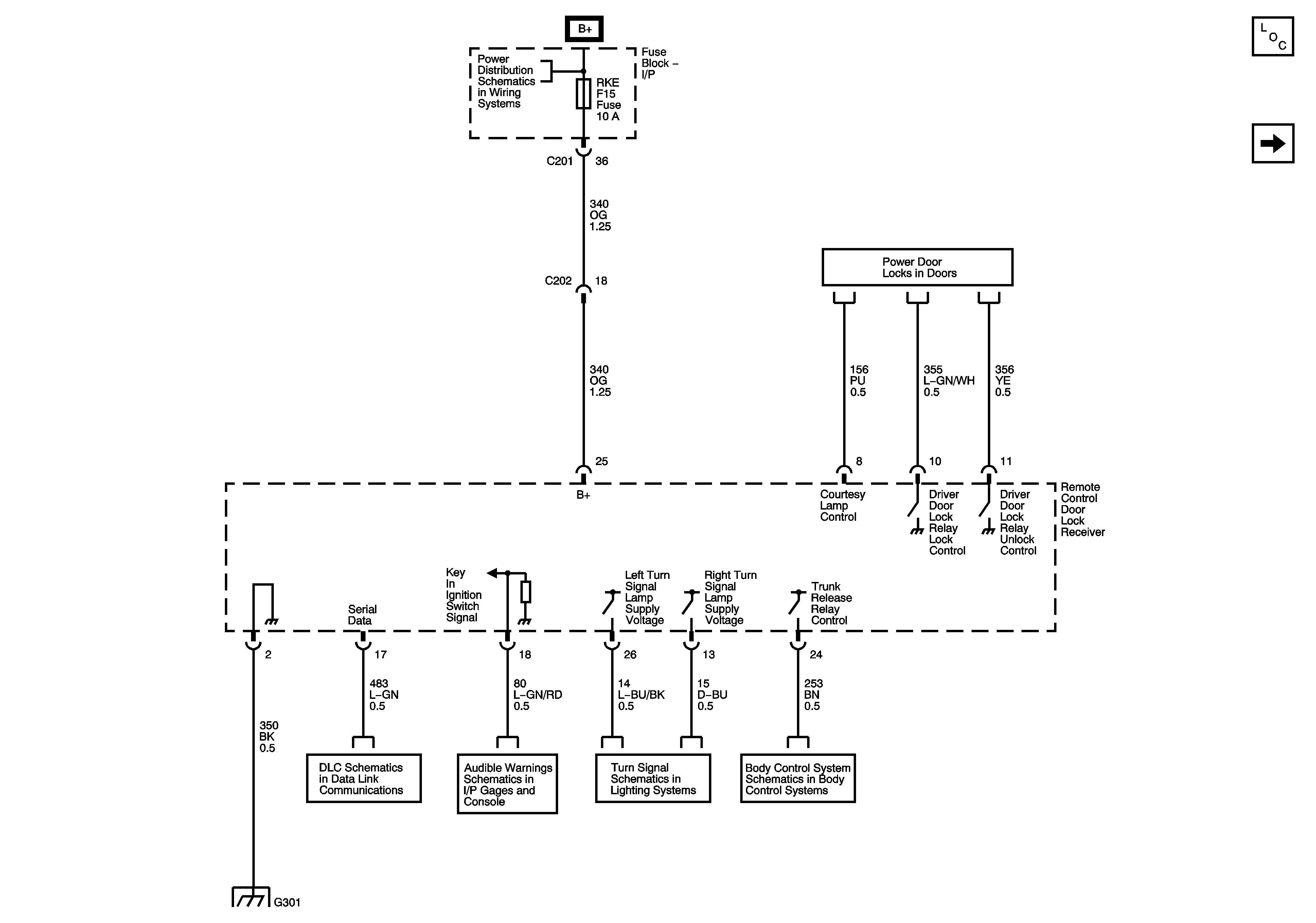
🢒 Remote Keyless Entry w/o Alarm
Remote Keyless Entry w/o Alarm
Remote Keyless Entry w/o Alarm
Master Electrical Component List
Theft Deterrent Control Module
Underhood Fuse Block - BATT PWR, IGN 1 and IGN 2 Fuses, Ignition Switch, I/P Fuse Block - RADIO, IMMOBILIZER, DLC, AUTO A/C, HAZARD LAMPS, RKE, TCM, and REAR FOG/CRUISE Fuses
Power Door Locks
MR140
Audible Warnings Schematics
Turn and Hazard Lamps - North America
Rear Compartment Lid Release (Notchback)