GM Service Manual Online
For 1990-2009 cars only
Makes
🢒
Chevrolet
🢒
2005
🢒
Optra
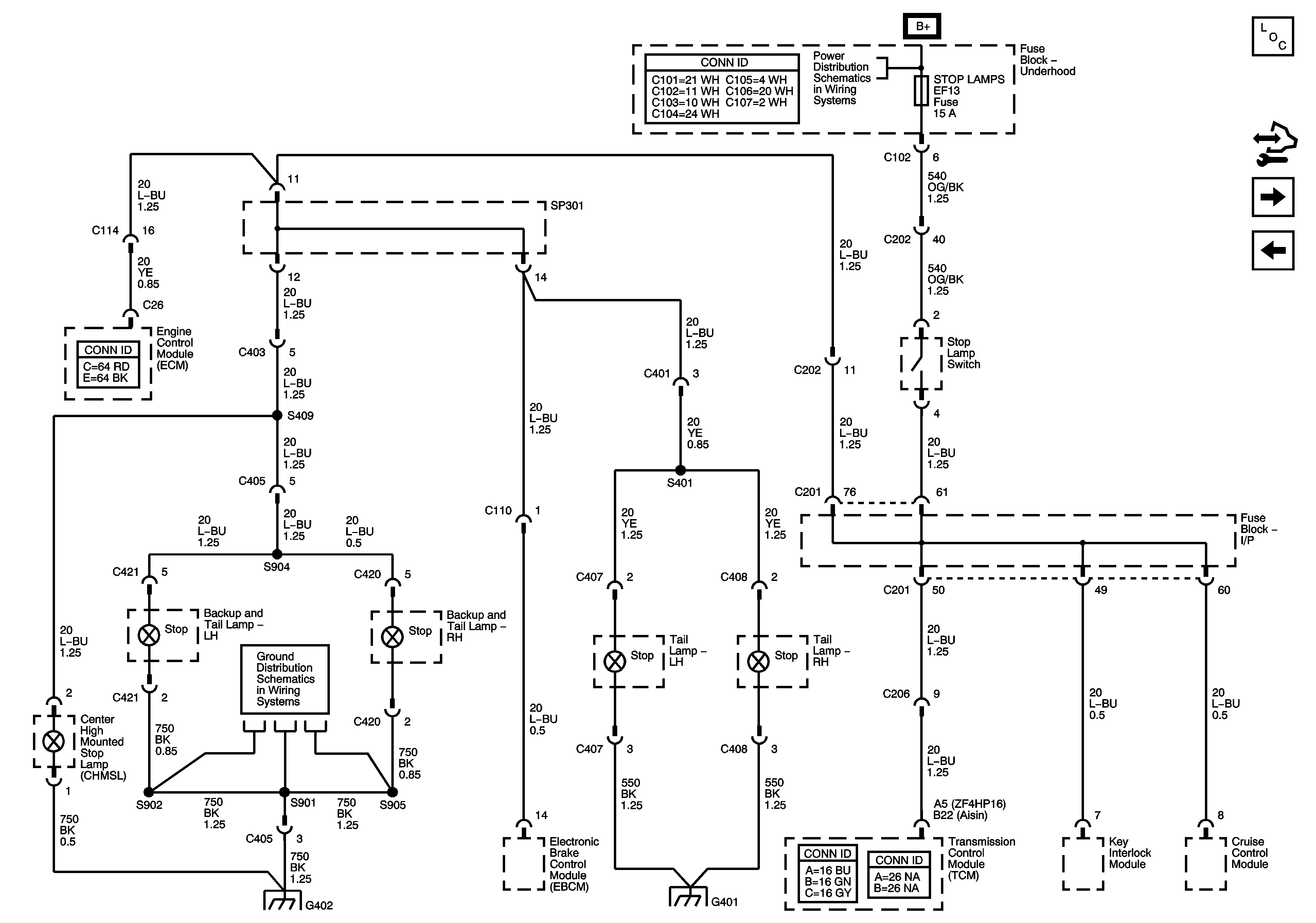
🢒 Stop Lamps Hatchback
Stop Lamps Hatchback
Stop Lamps - Hatchback
Master Electrical Component List
Stop Lamps - Station Wagon
Stop Lamps Notchback
Underhood Fuse Block IP FUSE, DR/LOCK and STOP LAMP Fuses
G402 Hatchback Tailgate
G402 Hatchback Tailgate
G401 Hatchback