GM Service Manual Online
For 1990-2009 cars only
Makes
🢒
Chevrolet
🢒
2005
🢒
Optra
🢒 Stop Lamps - Station Wagon
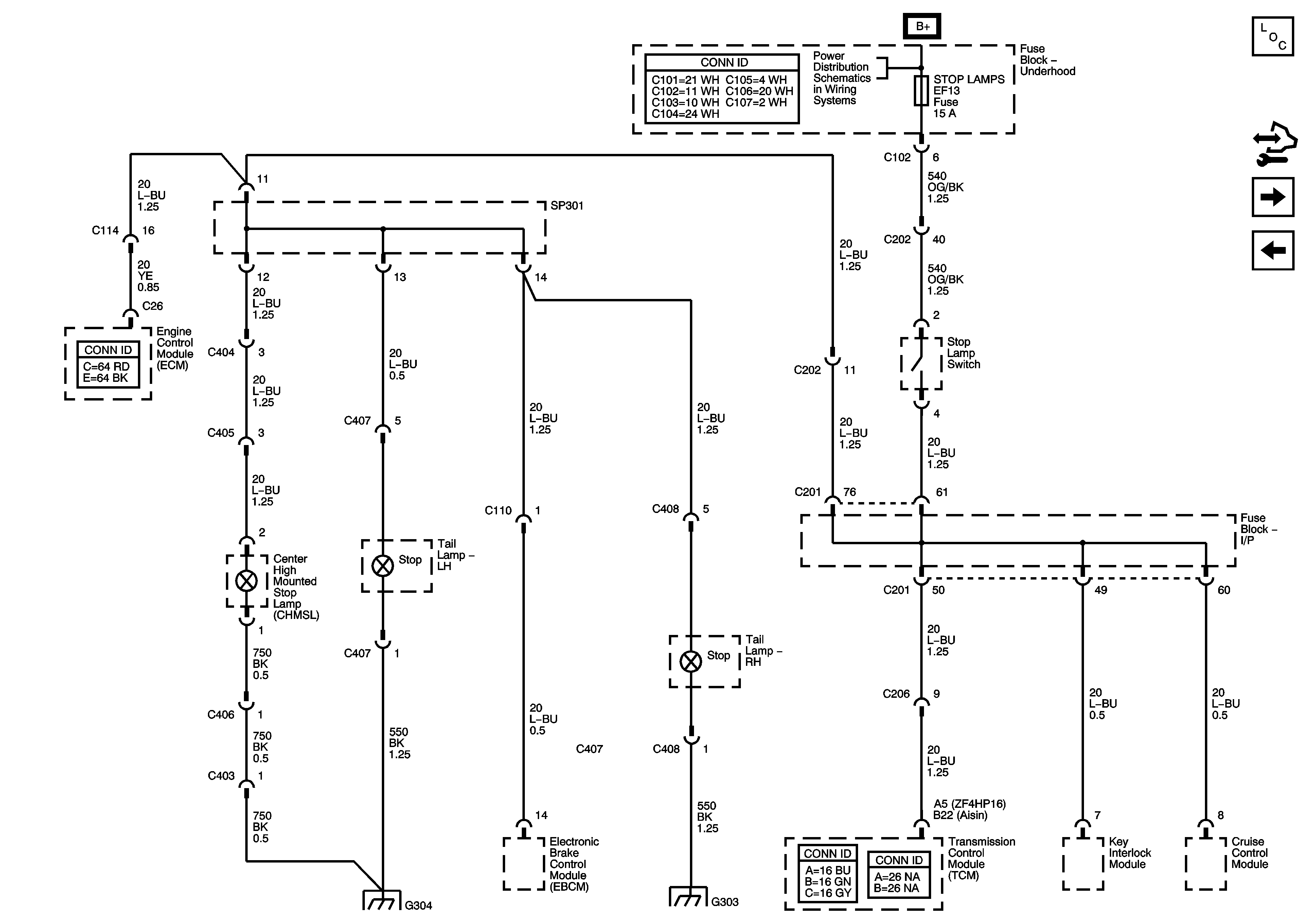
Stop Lamps - Station Wagon
Stop Lamps - Station Wagon
Master Electrical Component List
Backup Lamps
Stop Lamps Hatchback
Underhood Fuse Block IP FUSE, DR/LOCK and STOP LAMP Fuses
G303 Notchback RHD
G303, G401