GM Service Manual Online
For 1990-2009 cars only
Makes
🢒
Chevrolet
🢒
2005
🢒
Optra
🢒 Radio/Audio Schematics
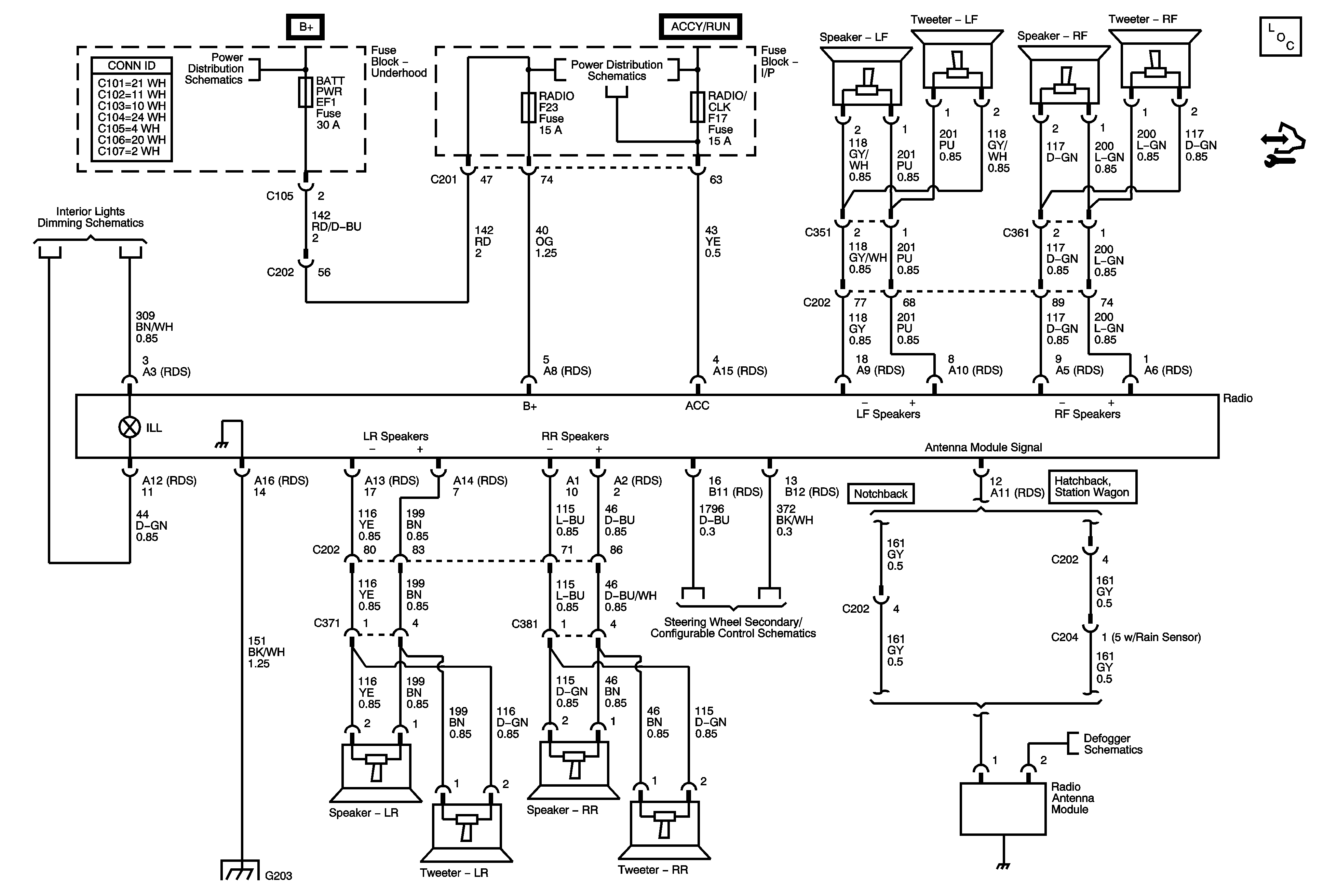
Radio/Audio Schematics
Master Electrical Component List
Underhood Fuse Block BATT PWR, IGN 1 and IGN 2 Fuses, Ignition Switch, I/P Fuse Block - RADIO, IMMOBILIZER, DLC, AUTO A/C, HAZARD LAMPS, RKE, TCM, REAR
Underhood Fuse Block BATT PWR, IGN 1 and IGN 2 Fuses, Ignition Switch, I/P Fuse Block - RADIO, IMMOBILIZER, DLC, AUTO A/C, HAZARD LAMPS, RKE, TCM, REAR
I/P Fuse Block RADIO/CLK, AUX LTR, and LTR Fuses
I/P Illumination w/Dimming
I/P Illumination w/o Dimming
I/P Illumination w/Dimming
I/P Illumination w/o Dimming
Stationary Windows