GM Service Manual Online
For 1990-2009 cars only

Engine Controls Schematics w/o Throttle Actuator Control

Figure 1:

Module Power, Ground, Serial Data, Malfunction Indicator Lamp (MIL)


Object Number: 1456534  Size: FS
Master Electrical Component List
Engine Data Sensors Pressure and Temperature
OBD II Symbol Description Notice
Underhood Fuse Block ECM Fuse
I/P Fuse Block ECM Fuse
Power Steering, Shift Program, Air Bag, Seat Belt, Oil Pressure, MIL, ABS, TCS, Parking Brake, and Charing Warning Lamps
I/P Fuse Block ECM Fuse
I/P Fuse Block ECM Fuse
Power, Ground, Hold Switch and DLC
Data Link Connector Schematics
G104, G103, G105
Figure 2:

Engine Data Sensors - Pressure and Temperature


Object Number: 1650845  Size: FS
Master Electrical Component List
Oxygen Sensors
Module Power, Ground, Serial Data, Malfunction Indicator Lamp
OBD II Symbol Description Notice
Manual Transmission Schematics - D16
Figure 3:

Oxygen Sensors (O2S)


Object Number: 1650846  Size: FS
Master Electrical Component List
CKP, CMP, Knock, Rough Road Sensors
Engine Data Sensors Pressure and Temperature
OBD II Symbol Description Notice
Underhood Fuse Block MAIN Relay and ECM, ENG SNSR, and INJ Fuses MR-140
Underhood Fuse Block MAIN Relay and ECM, ENG SNSR, and INJ Fuses MR-140
Figure 4:

CKP, CMP, Knock, Rough Road Sensors


Object Number: 1456539  Size: FS
Master Electrical Component List
Ignition System
Oxygen Sensors
OBD II Symbol Description Notice
Underhood Fuse Block MAIN Relay and ECM, ENG SNSR, and INJ Fuses 1.5L
G104, G103, G105
Figure 5:

Ignition System


Object Number: 1456538  Size: FS
Master Electrical Component List
Fuel Pump and Fuel Injectors
CKP, CMP, Knock, Rough Road Sensors
OBD II Symbol Description Notice
Underhood Fuse Block FUEL PUMP Relay and FUEL PUMP and IGN COIL Fuses
Power, Ground and Gages 1.8L/2.0L
Figure 6:

Fuel Pump and Fuel Injectors


Object Number: 1456540  Size: FS
Master Electrical Component List
Fuel Controls EVAP Controls
Ignition System
OBD II Symbol Description Notice
Underhood Fuse Block MAIN Relay and ECM, ENG SNSR, and INJ Fuses MR-140
Underhood Fuse Block FUEL PUMP Relay and FUEL PUMP and IGN COIL Fuses
Power, Ground and Gages 1.8L/2.0L
G201 (1 of 2)
G303, G401
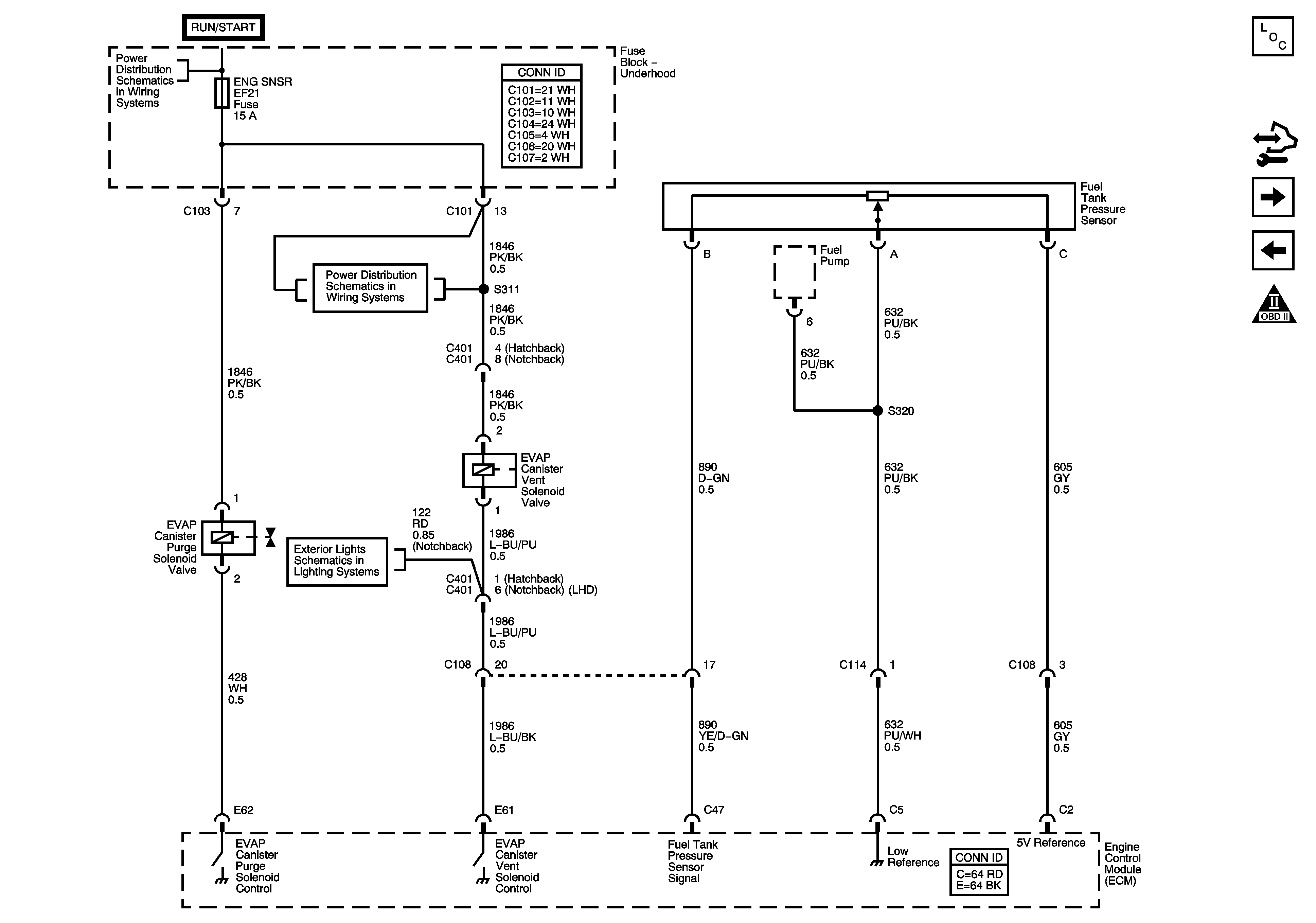
Figure 7:

Fuel Controls - EVAP Controls


Object Number: 1456542  Size: FS
Master Electrical Component List
Device Controls
Fuel Pump and Fuel Injectors
OBD II Symbol Description Notice
Underhood Fuse Block MAIN Relay and ECM, ENG SNSR, and INJ Fuses 1.5L
Underhood Fuse Block MAIN Relay and ECM, ENG SNSR, and INJ Fuses MR-140
Turn and Hazard Lamps North America
Figure 8:

Device Controls


Object Number: 1456543  Size: FS
Master Electrical Component List
Controlled/Monitored Subsystem References
Fuel Controls EVAP Controls
OBD II Symbol Description Notice
Underhood Fuse Block FUEL PUMP Relay and FUEL PUMP and IGN COIL Fuses
Underhood Fuse Block FUEL PUMP Relay and FUEL PUMP and IGN COIL Fuses
Figure 9:

Controlled/Monitored Subsystem References


Object Number: 1456544  Size: FS
Master Electrical Component List
Device Controls
OBD II Symbol Description Notice
Warning Lamps, Serial Data, Rough Road
Power, Ground and Gages 1.8L/2.0L
MR-140
Compressor Controls MR 140
Compressor Controls MR-140

Engine Controls Schematics w/ Throttle Actuator Control

Figure 1:

Module Power, Ground, Serial Data, Malfunction Indicator Lamp (MIL)


Object Number: 1708696  Size: FS
Master Electrical Component List
Accelerator Pedal Position (APP), TP Sensors, Throttle Actuator Control Motor
OBD II Symbol Description Notice
Underhood Fuse Block ECM Fuse
I/P Fuse Block ECM Fuse
Power Steering, Shift Program, Air Bag, Seat Belt, Oil Pressure, MIL, ABS, TCS, Parking Brake, and Charing Warning Lamps
I/P Fuse Block ECM Fuse
I/P Fuse Block ECM Fuse
Power, Ground, Hold Switch and DLC
Data Link Connector Schematics
G104, G103, G105
G201 (2 of 2)
Figure 2:

Accelerator Pedal Position (APP), TP Sensors, Throttle Actuator Control Motor


Object Number: 1708703  Size: FS
Master Electrical Component List
Engine Control Module Power and Ground, Serial Data, MIL Indicator
Ignition Coil
OBD II Symbol Description Notice
Cruise Control w/Throttle Actuator Control
Figure 3:

Ignition Coil


Object Number: 1708697  Size: FS
Master Electrical Component List
Fuel Injectors
Accelerator Pedal Position (APP), TP Sensors, Throttle Actuator Control Motor
OBD II Symbol Description Notice
Underhood Fuse Block FUEL PUMP Relay and FUEL PUMP and IGN COIL Fuses
Power, Ground, and Gages - MT 34
Figure 4:

Fuel Pump and Injectors


Object Number: 1708698  Size: FS
Master Electrical Component List
EVAP Solenoids, FTP Sensor
Ignition Coil
OBD II Symbol Description Notice
Underhood Fuse Block MAIN Relay and ECM, ENG SNSR, and INJ Fuses MR-140
Power, Ground and Gages 1.8L/2.0L
G201 (1 of 2)
G303, G401
Figure 5:

EVAP Solenoids, FTP Sensor


Object Number: 1708699  Size: FS
Master Electrical Component List
Heated Oxygen Sensors
Fuel Injectors
OBD II Symbol Description Notice
Underhood Fuse Block MAIN Relay and ECM, ENG SNSR, and INJ Fuses 1.5L
Underhood Fuse Block MAIN Relay and ECM, ENG SNSR, and INJ Fuses MR-140
Turn and Hazard Lamps North America
Figure 6:

Heated Oxygen Sensors


Object Number: 1708700  Size: FS
Master Electrical Component List
EGR Valve, MAP, ECT, IAT Sensors
EVAP Solenoids, FTP Sensor
OBD II Symbol Description Notice
Underhood Fuse Block MAIN Relay and ECM, ENG SNSR, and INJ Fuses MR-140
Underhood Fuse Block MAIN Relay and ECM, ENG SNSR, and INJ Fuses MR-140
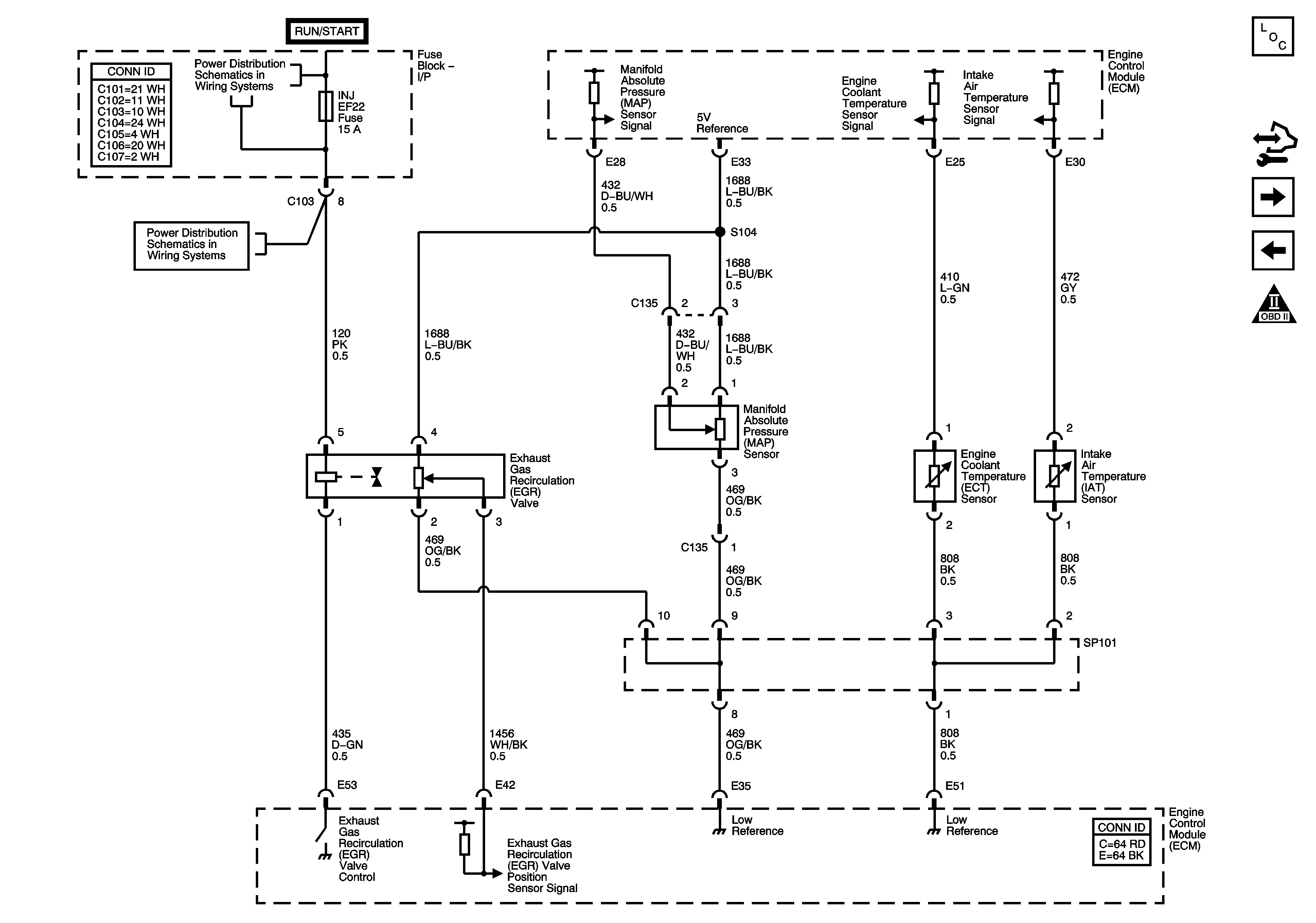
Figure 7:

EGR Valve, MAP, ECT, IAT Sensors


Object Number: 1708701  Size: FS
Master Electrical Component List
CKP, CMP, Knock Sensors, Rough Road Sensor
Heated Oxygen Sensors
OBD II Symbol Description Notice
Underhood Fuse Block FUEL PUMP Relay and FUEL PUMP and IGN COIL Fuses
Underhood Fuse Block FUEL PUMP Relay and FUEL PUMP and IGN COIL Fuses
Figure 8:

CKP, CMP, Knock, Rough Road Sensors


Object Number: 1708702  Size: FS
Master Electrical Component List
Controlled/Monitored Subsystem References
EGR Valve, MAP, ECT, IAT Sensors
OBD II Symbol Description Notice
Underhood Fuse Block MAIN Relay and ECM, ENG SNSR, and INJ Fuses 1.5L
G104, G103, G105
Compressor Controls MT34
Figure 9:

Controlled/Monitored Subsystem References


Object Number: 1456544  Size: FS
Master Electrical Component List
CKP, CMP, Knock Sensors, Rough Road Sensor
OBD II Symbol Description Notice
Warning Lamps, Serial Data, Rough Road
Power, Ground and Gages 1.8L/2.0L
MR-140
Compressor Controls MR 140
Compressor Controls MR-140