GM Service Manual Online
For 1990-2009 cars only
Makes
🢒
Chevrolet
🢒
2007
🢒
Optra
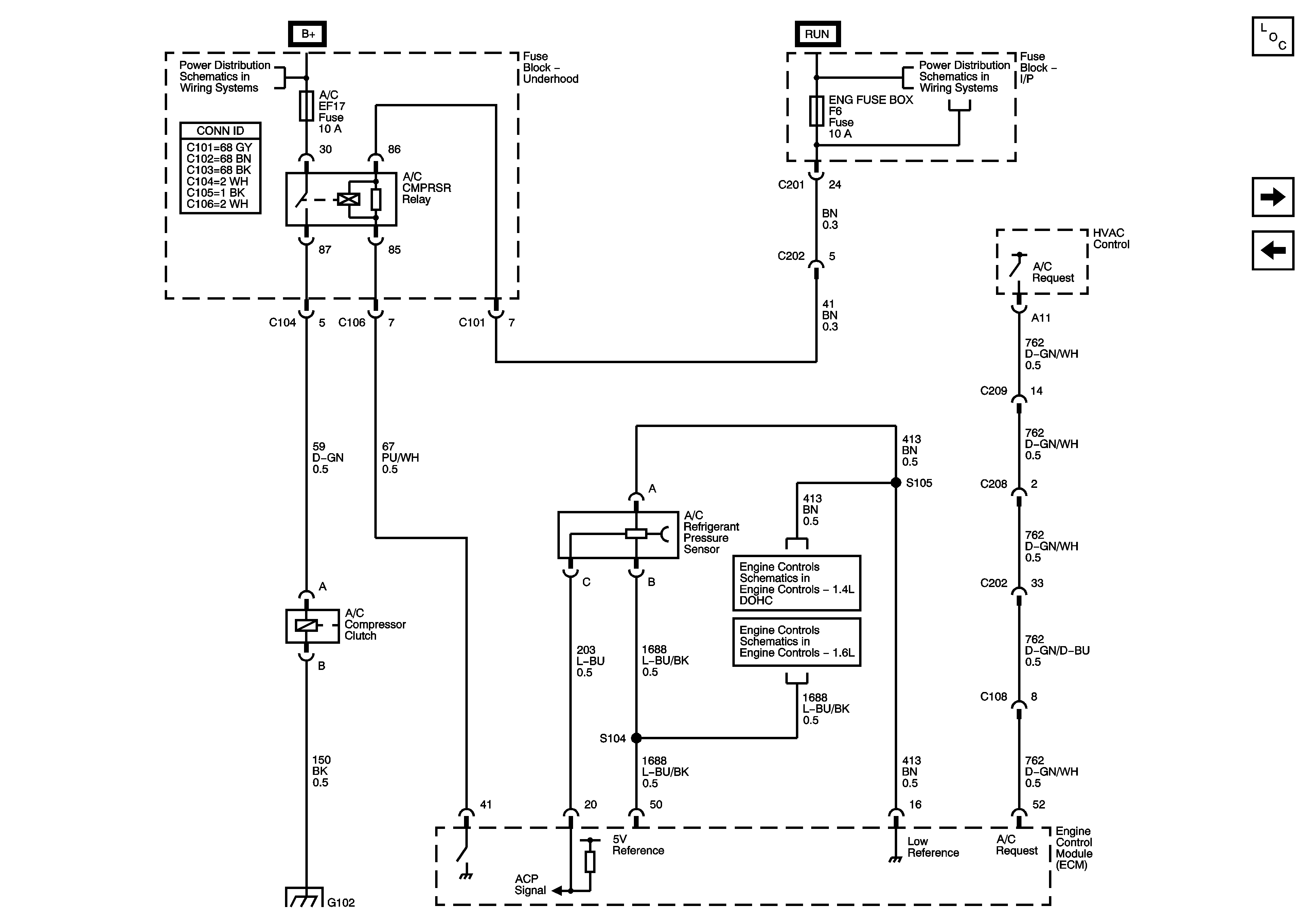
🢒 Compressor Controls Sirius D4
Compressor Controls Sirius D4
Compressor Controls - Sirius D4
Master Electrical Component List
Compressor Controls MR 140
Blower Controls
Underhood Fuse Block - Battery Feeds - 1of 2
Underhood Fuse Block - Battery Feeds - 1of 2
Module Power, Ground, Serial Data, Malfunction Indicator Lamp (MIL)
CKP, CMP, Knock, Rough Road Sensors
G102