GM Service Manual Online
For 1990-2009 cars only
Makes
🢒
Chevrolet
🢒
2007
🢒
Optra
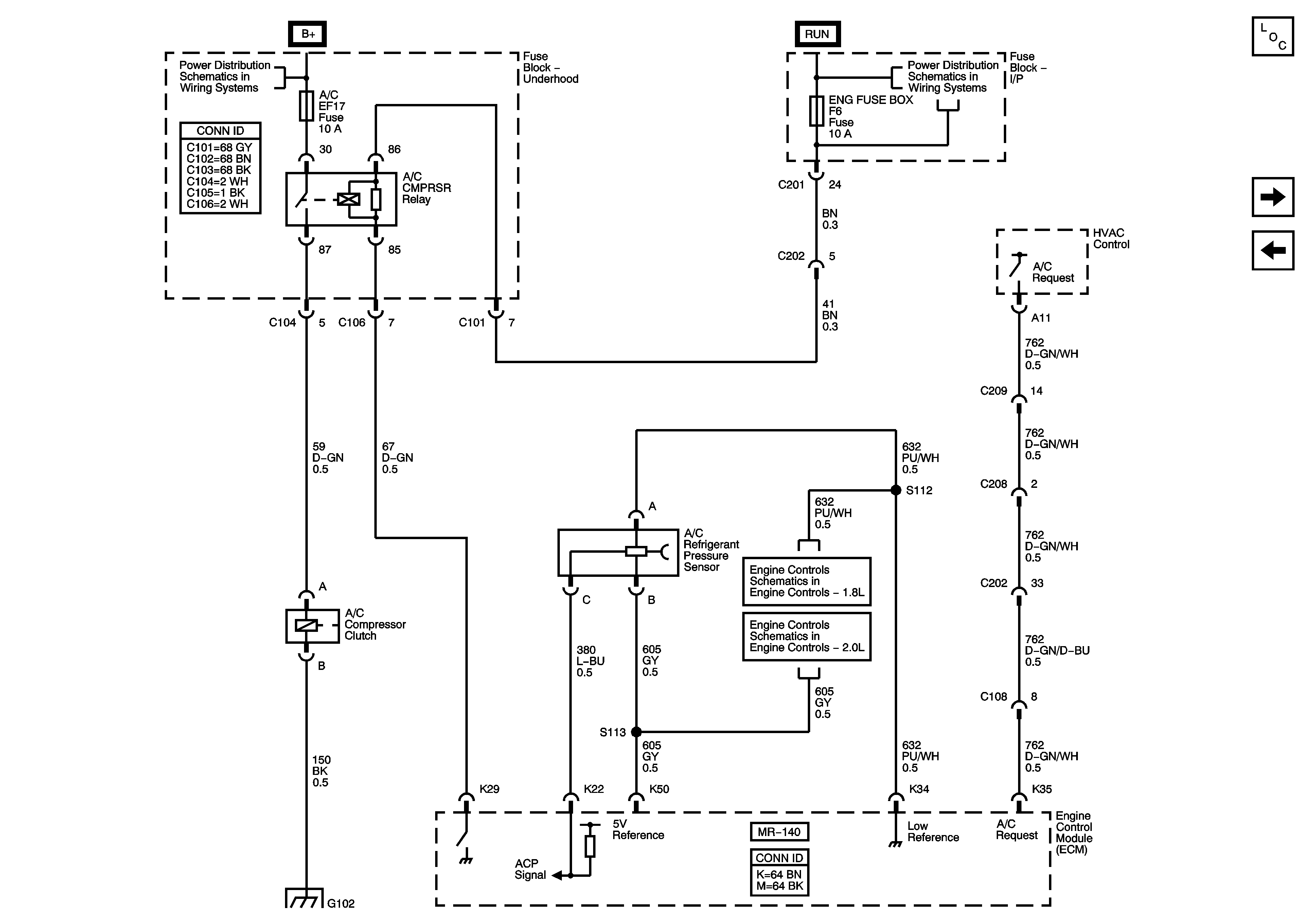
🢒 Compressor Controls MR 140
Compressor Controls MR 140
Compressor Controls - MR-140
Master Electrical Component List
Compressor Controls HV-240
Compressor Controls Sirius D4
Underhood Fuse Block - Battery Feeds - 1of 2
Underhood Fuse Block - Battery Feeds - 1of 2
Module Power, Ground, Serial Data, Malfunction Indicator Lamp (MIL)
Cruise Control Schematics
G102