GM Service Manual Online
For 1990-2009 cars only
Makes
🢒
Chevrolet
🢒
2007
🢒
Optra
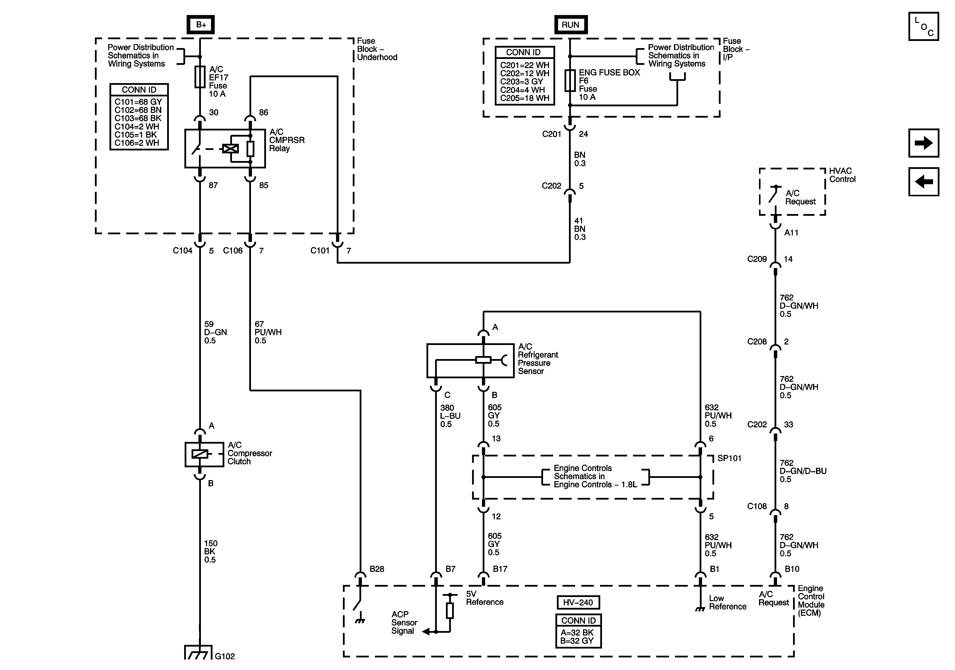
🢒 Compressor Controls HV-240
Compressor Controls HV-240
Compressor Controls - HV-240
Master Electrical Component List
Compressor Controls - Diesel
Compressor Controls MR 140
Underhood Fuse Block - Battery Feeds - 1of 2
Underhood Fuse Block - Battery Feeds - 1of 2
Module Power, Ground, Serial Data, Malfunction Indicator Lamp (MIL)
G102