GM Service Manual Online
For 1990-2009 cars only
Makes
🢒
Chevrolet
🢒
2007
🢒
Optra
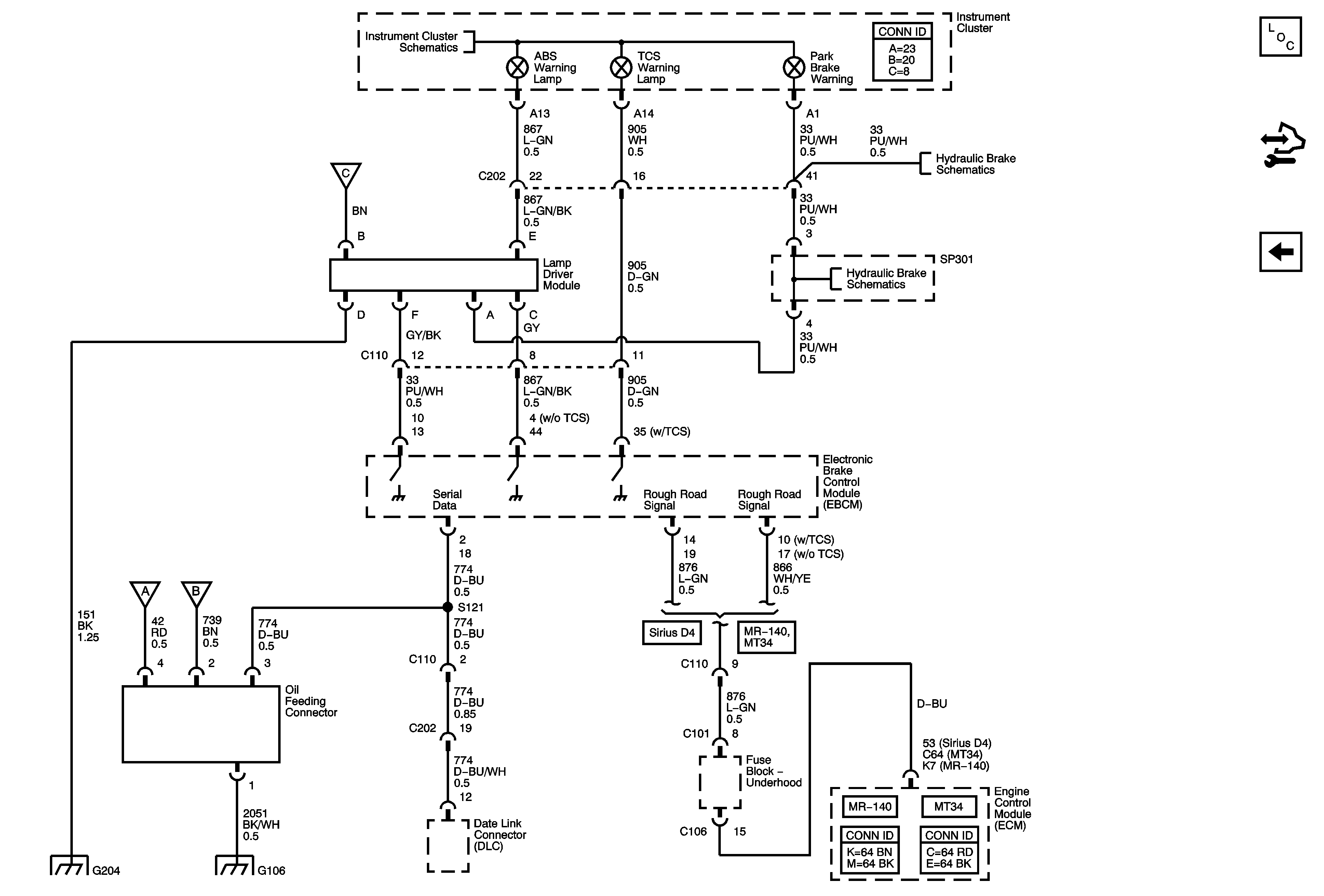
🢒 Warning Lamps, Serial Data
Warning Lamps, Serial Data
Warning Lamps, Serial Data
Master Electrical Component List
Control Module References
Power, Ground, Wheel Speed Sensor
Power, Ground, I/P Illumination, Door Open Indicators
Power, Ground, Wheel Speed Sensor
Brake Warning System Schematics
Brake Warning System Schematics
Power, Ground, Wheel Speed Sensor
Power, Ground, Wheel Speed Sensor
G202, G204
G106, G107