GM Service Manual Online
For 1990-2009 cars only
Makes
🢒
Chevrolet
🢒
2007
🢒
Optra
🢒 Diesel
Diesel
Diesel
Master Electrical Component List
Cooling System Description and Operation (Gasoline)
Control Module References
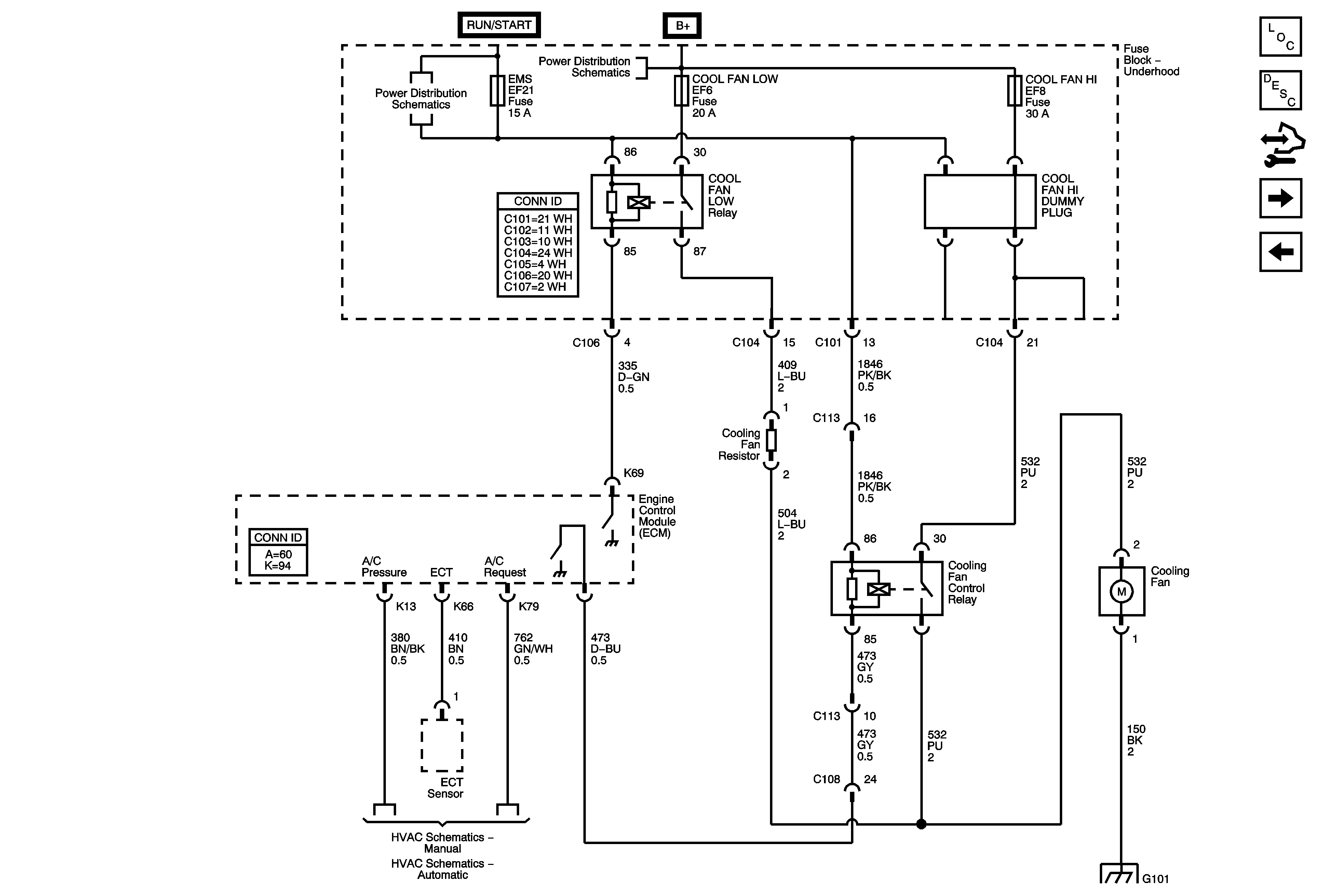
Dual Fans
Single Fan
Underhood Fuse Block - Battery Feeds - 1of 2
Underhood Fuse Block - Battery Feeds - 1of 2
Compressor Controls Sirius D4, MR 140, MT 34
Compressor Controls Sirius D4
G101