GM Service Manual Online
For 1990-2009 cars only
Makes
🢒
Chevrolet
🢒
2007
🢒
Optra
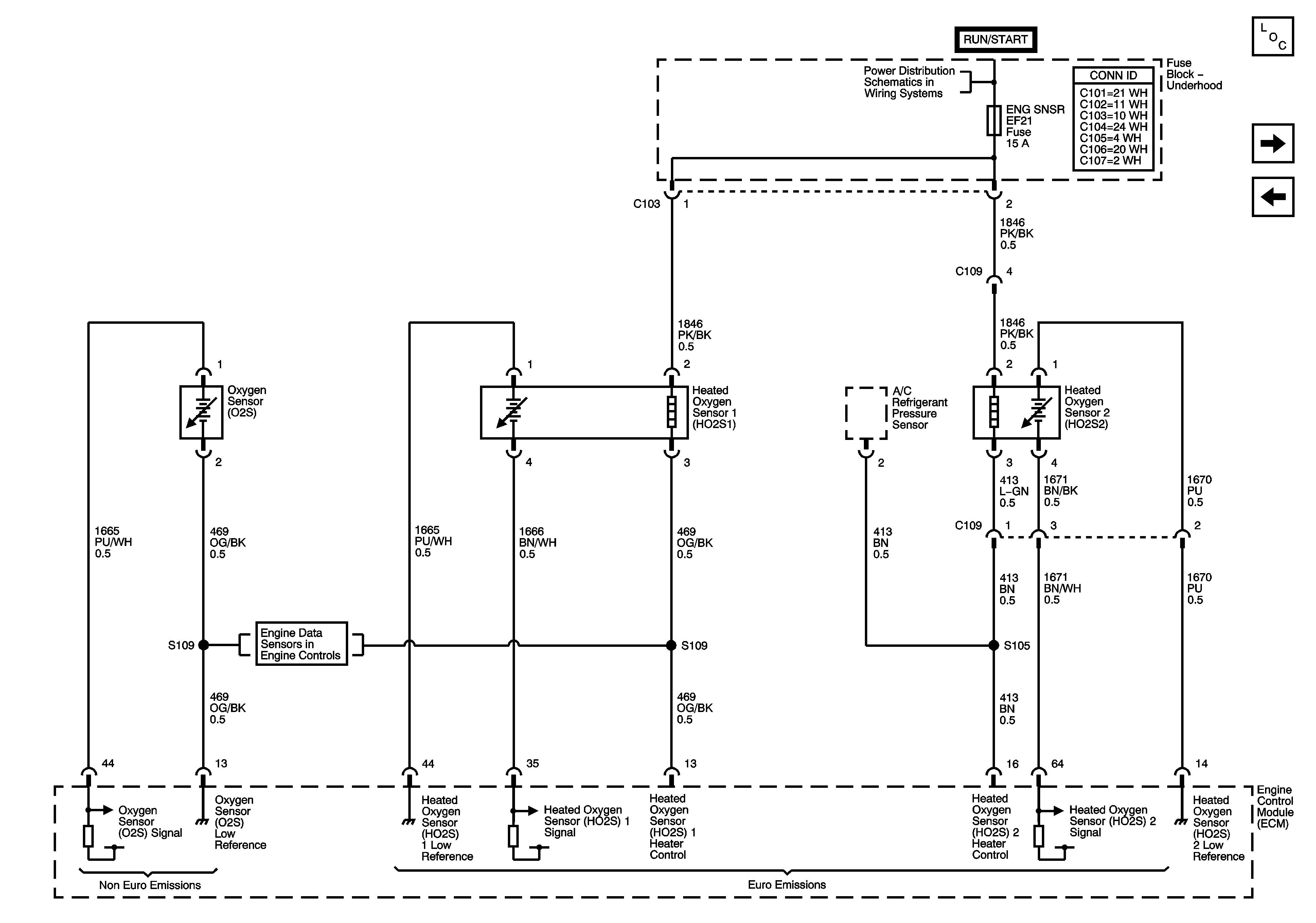
🢒 Oxygen Sensors (O2S)
Oxygen Sensors (O2S)
Oxygen Sensors (O2S)
Master Electrical Component List
Ignition System
Engine Data Sensors Pressure and Temperature
Underhood Fuse Block - Battery Feeds - 1of 2
Engine Data Sensors Pressure and Temperature