GM Service Manual Online
For 1990-2009 cars only

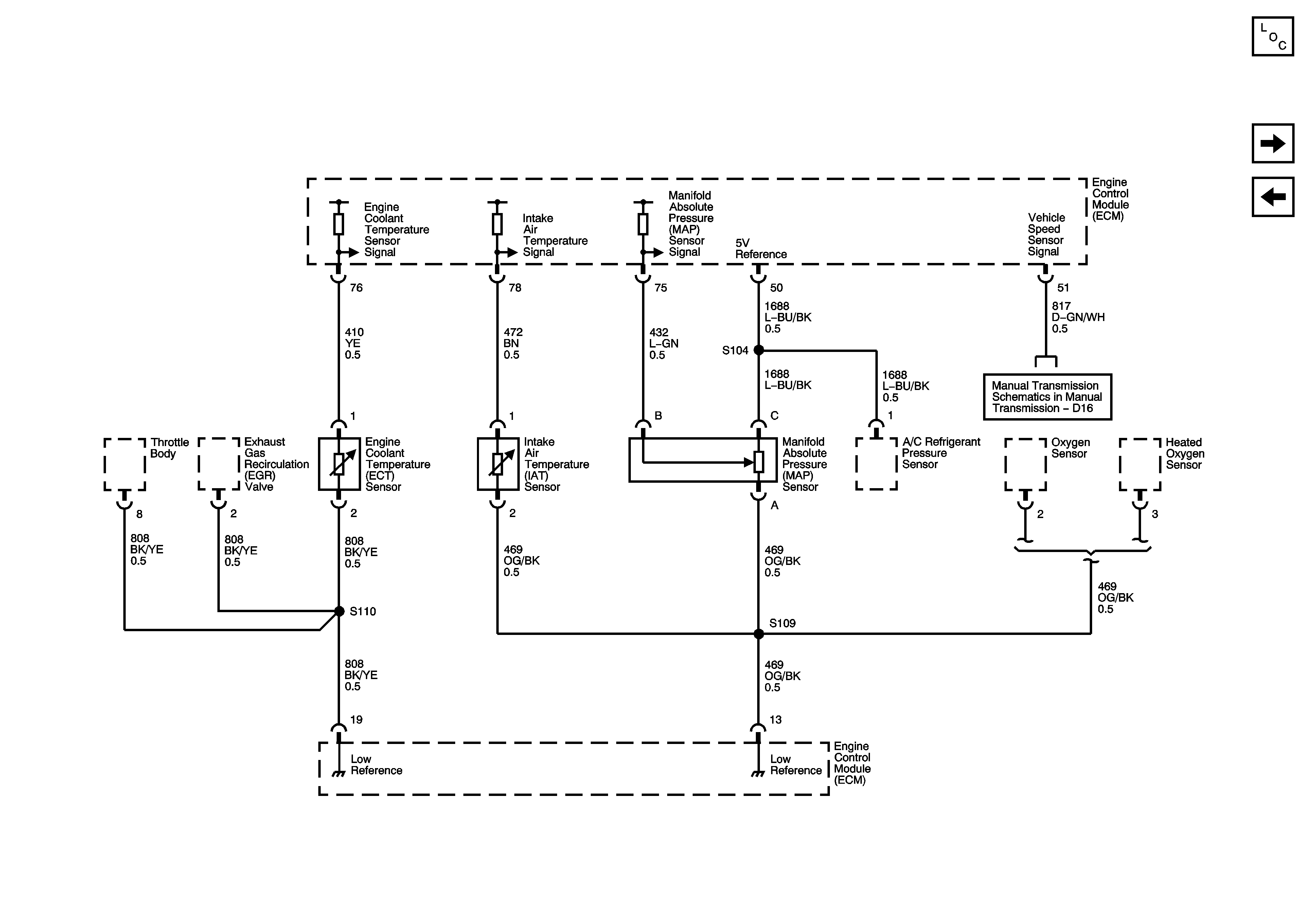
Engine Data Sensors Pressure and Temperature

Engine Data Sensors - Pressure and Temperature


Object Number: 1471559  Size: FS
Master Electrical Component List
Oxygen Sensors (O2S)
Module Power, Ground, Serial Data, Malfunction Indicator Lamp (MIL)
Manual Transmission Schematics