GM Service Manual Online
For 1990-2009 cars only
Makes
🢒
Chevrolet
🢒
2007
🢒
Optra
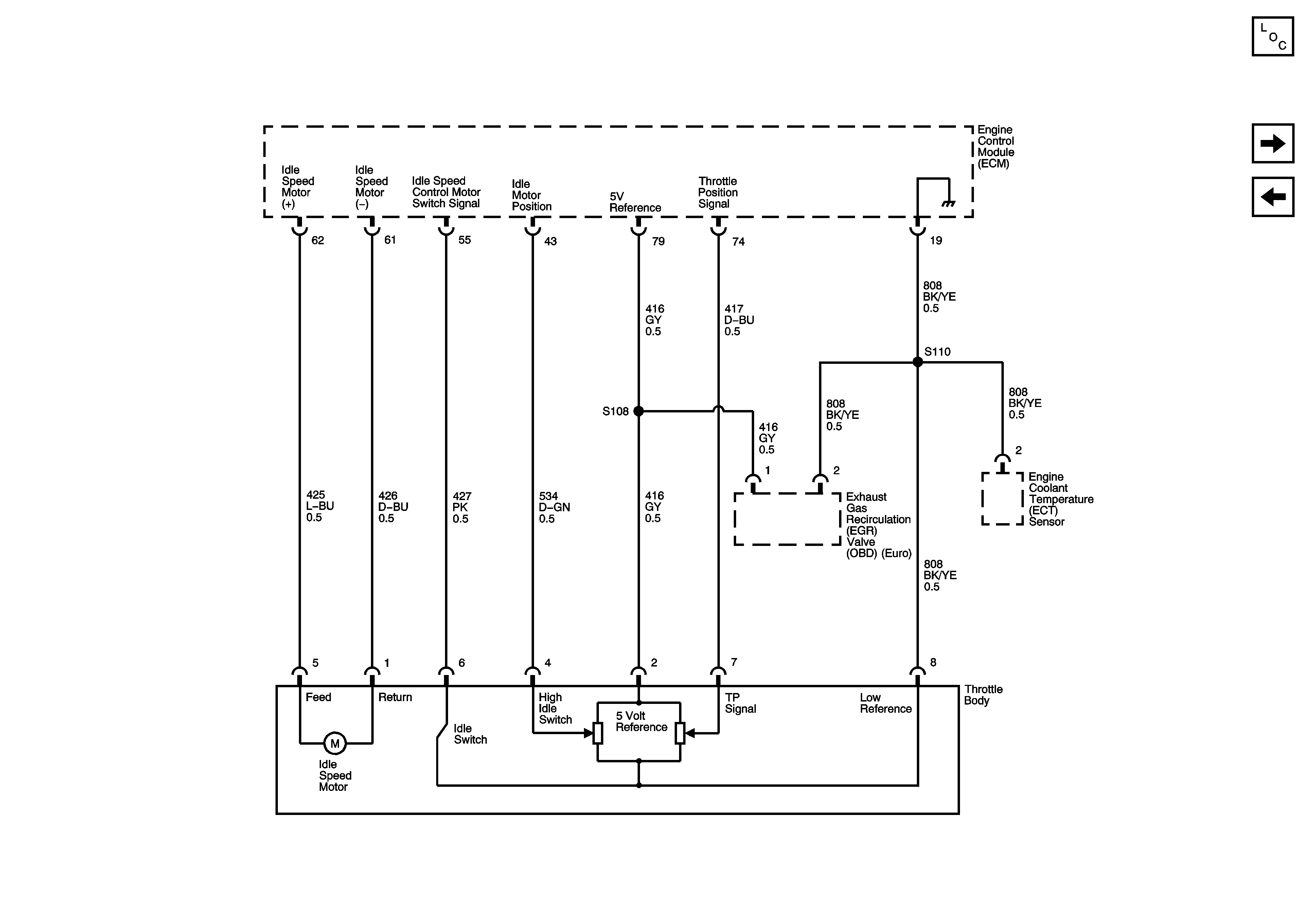
🢒 Engine Data Sensors Main Throttle Intake Actuator (MTIA)
Engine Data Sensors Main Throttle Intake Actuator (MTIA)
Engine Data Sensors - Main Throttle Intake Actuator (MTIA)
Master Electrical Component List
Fuel Controls and Fuel Injectors
CMP, CKP, Knock, Rough Road Sensors, Power Steering Pressure Switch