GM Service Manual Online
For 1990-2009 cars only
Makes
🢒
Chevrolet
🢒
2007
🢒
Optra
🢒 Fuel Controls - EVAP Controls
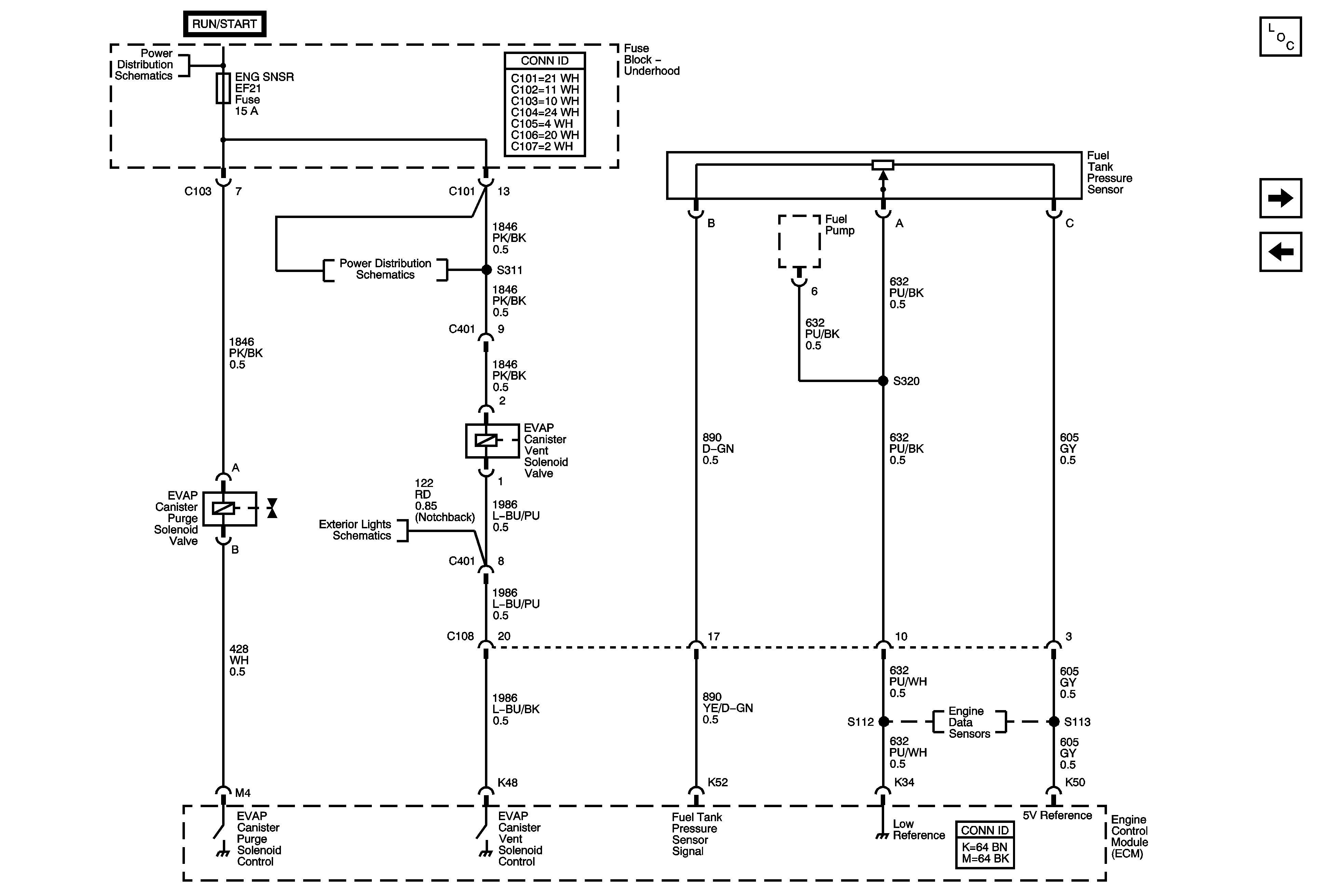
Fuel Controls - EVAP Controls
Fuel Controls - EVAP Controls
Master Electrical Component List
Device Controls
Fuel Pump and Fuel Injectors
Underhood Fuse Block - Battery Feeds - 1of 2
Underhood Fuse Block - Battery Feeds - 1of 2
Park Lamps and License Plate Lamps
Engine Data Sensors Pressure and Temperature