GM Service Manual Online
For 1990-2009 cars only
Makes
🢒
Chevrolet
🢒
2007
🢒
Optra
🢒 Heated Oxygen Sensors
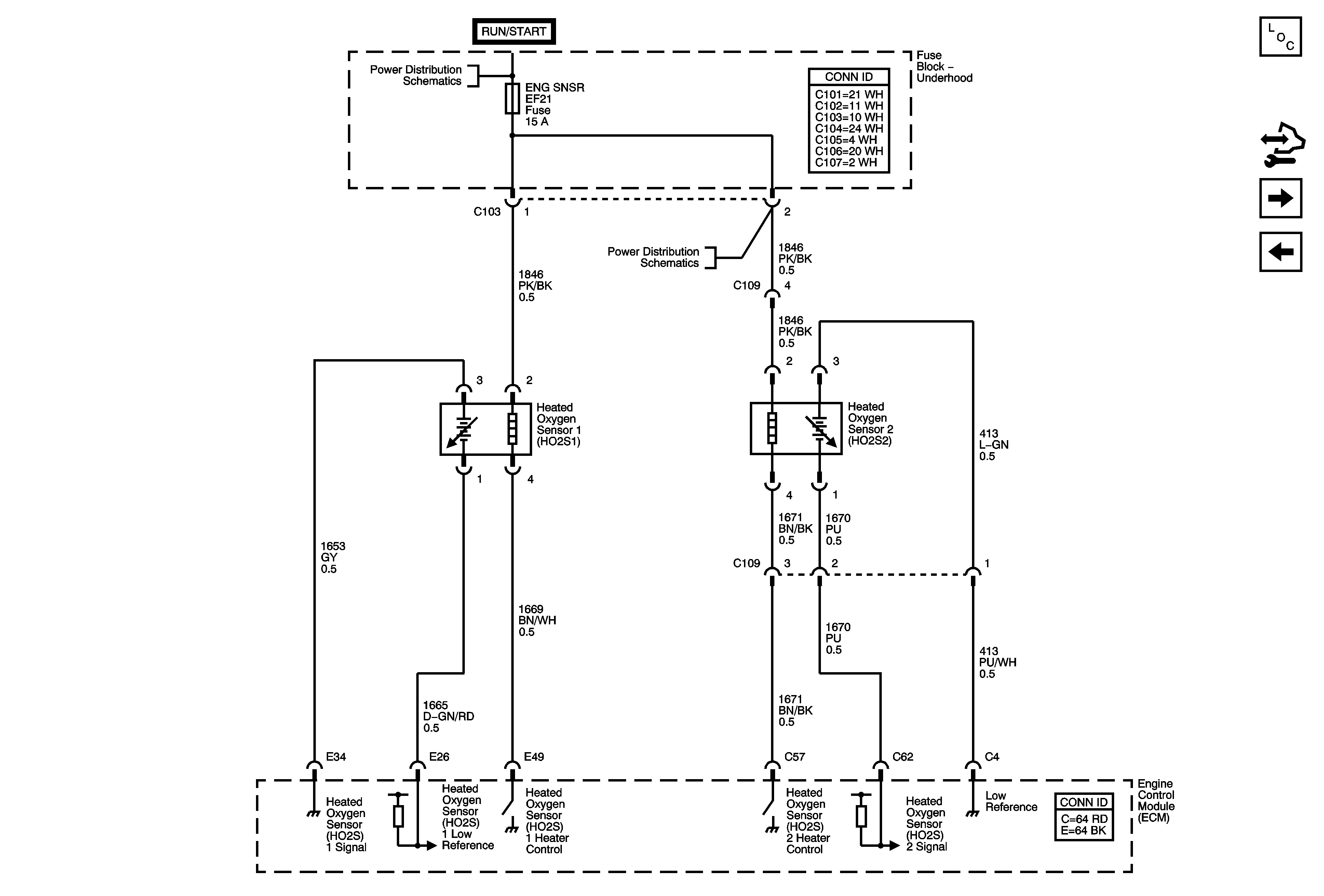
Heated Oxygen Sensors
Heated Oxygen Sensors
Master Electrical Component List
Control Module References
EGR Valve, MAP, ECT, IAT Sensors
EVAP Solenoids, FTP Sensor
Underhood Fuse Block - Battery Feeds - 1of 2
Underhood Fuse Block - Battery Feeds - 1of 2