GM Service Manual Online
For 1990-2009 cars only
Makes
🢒
Chevrolet
🢒
2007
🢒
Optra
🢒 EGR Valve, MAP, ECT,IAT Sensors
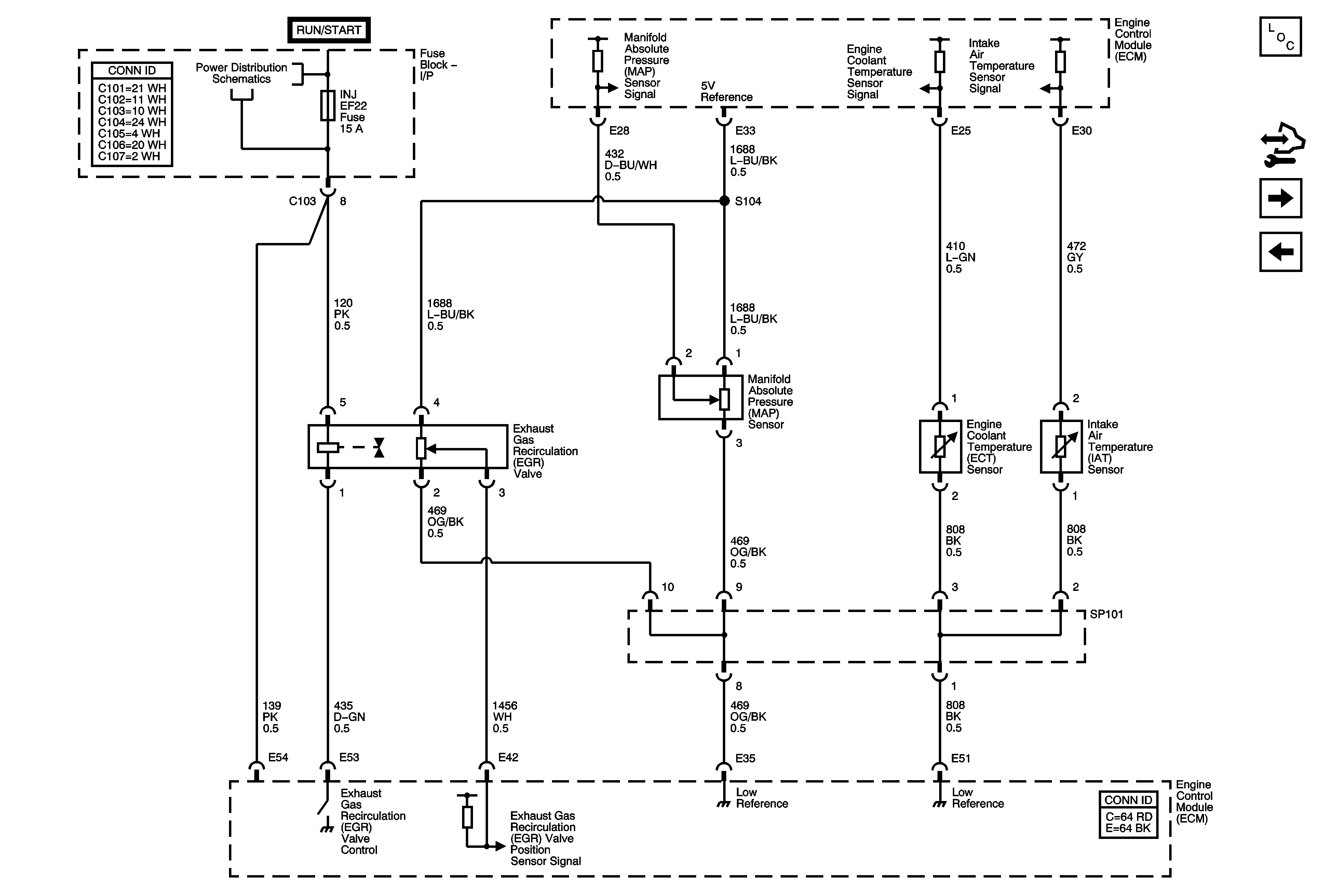
EGR Valve, MAP, ECT,IAT Sensors
EGR Valve, MAP, ECT, IAT Sensors
Master Electrical Component List
Control Module References
CKP, CMP, Knock, Rough Road Sensors
Heated Oxygen Sensors
Underhood Fuse Block - Battery Feeds - 1of 2