GM Service Manual Online
For 1990-2009 cars only
Makes
🢒
Chevrolet
🢒
2007
🢒
Optra
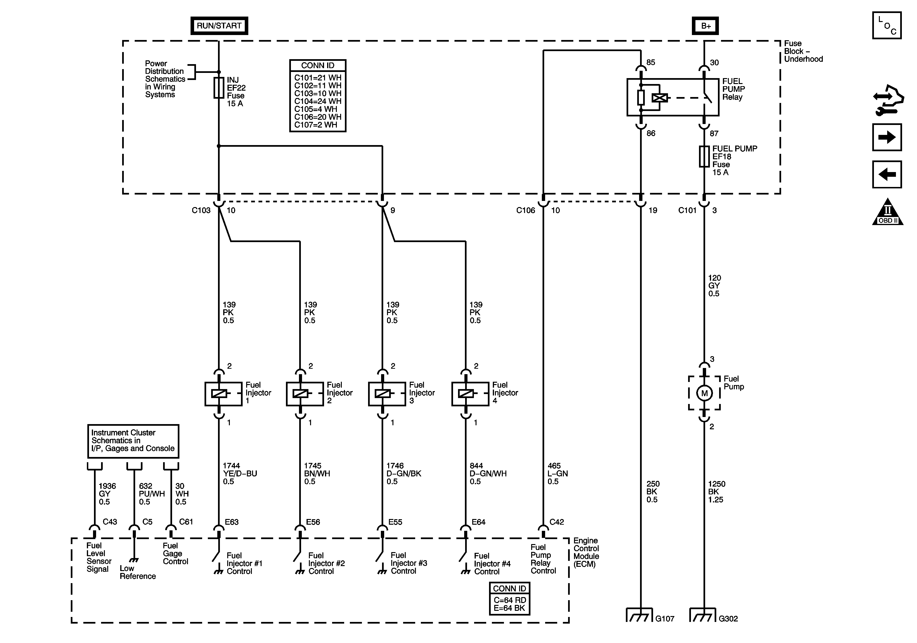
🢒 Fuel Pump and Injectors
Fuel Pump and Injectors
Fuel Pump and Injectors
Master Electrical Component List
Control Module References
Controlled/Monitored Subsystem References
CKP, CMP, Knock, Rough Road Sensors
Underhood Fuse Block - Battery Feeds - 1of 2
Power, Ground, I/P Illumination, Door Open Indicators
G106, G107
G302