GM Service Manual Online
For 1990-2009 cars only
Makes
🢒
Chevrolet
🢒
2007
🢒
Optra
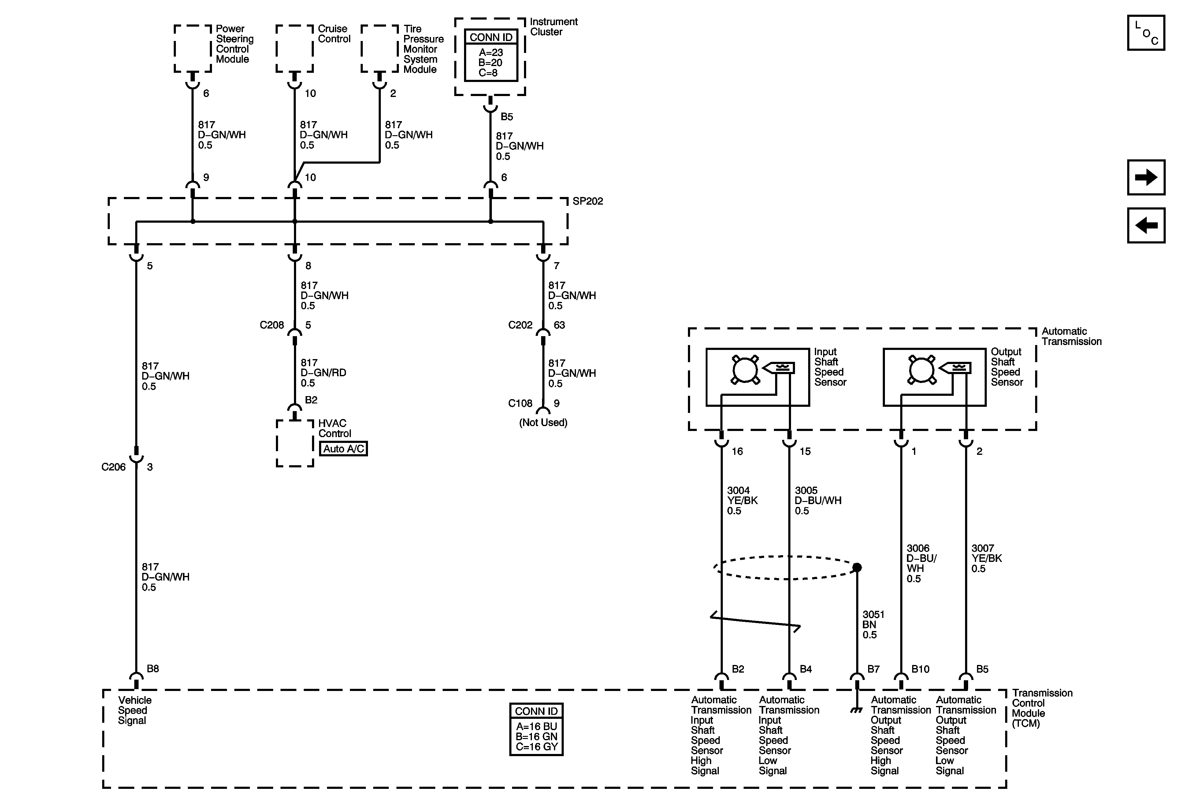
🢒 Vehicle Speed Signal
Vehicle Speed Signal
Vehicle Speed Signal
Master Electrical Component List
Park/Neutral Position (PNP) Switch
Shift and Pressure Control Solenoids