GM Service Manual Online
For 1990-2009 cars only
Makes
🢒
Chevrolet
🢒
2007
🢒
Optra
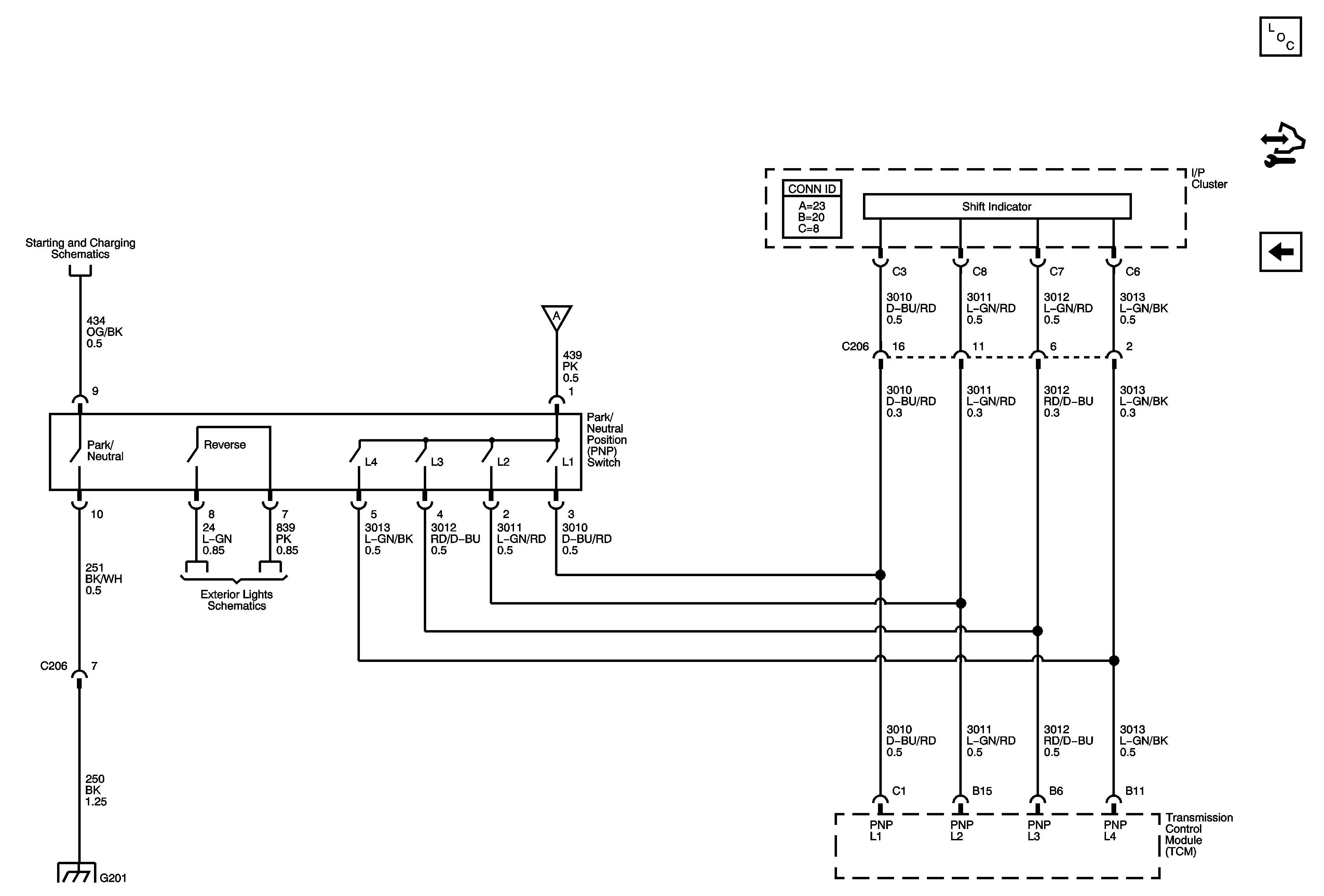
🢒 Park/Neutral Position (PNP) Switch
Park/Neutral Position (PNP) Switch
Park/Neutral Position (PNP) Switch
Master Electrical Component List
Control Module References
Vehicle Speed Signal
Starting
Power, Ground, Hold Switch and DLC
G201 (1 of 2)