GM Service Manual Online
For 1990-2009 cars only
Makes
🢒
Chevrolet
🢒
2007
🢒
Optra
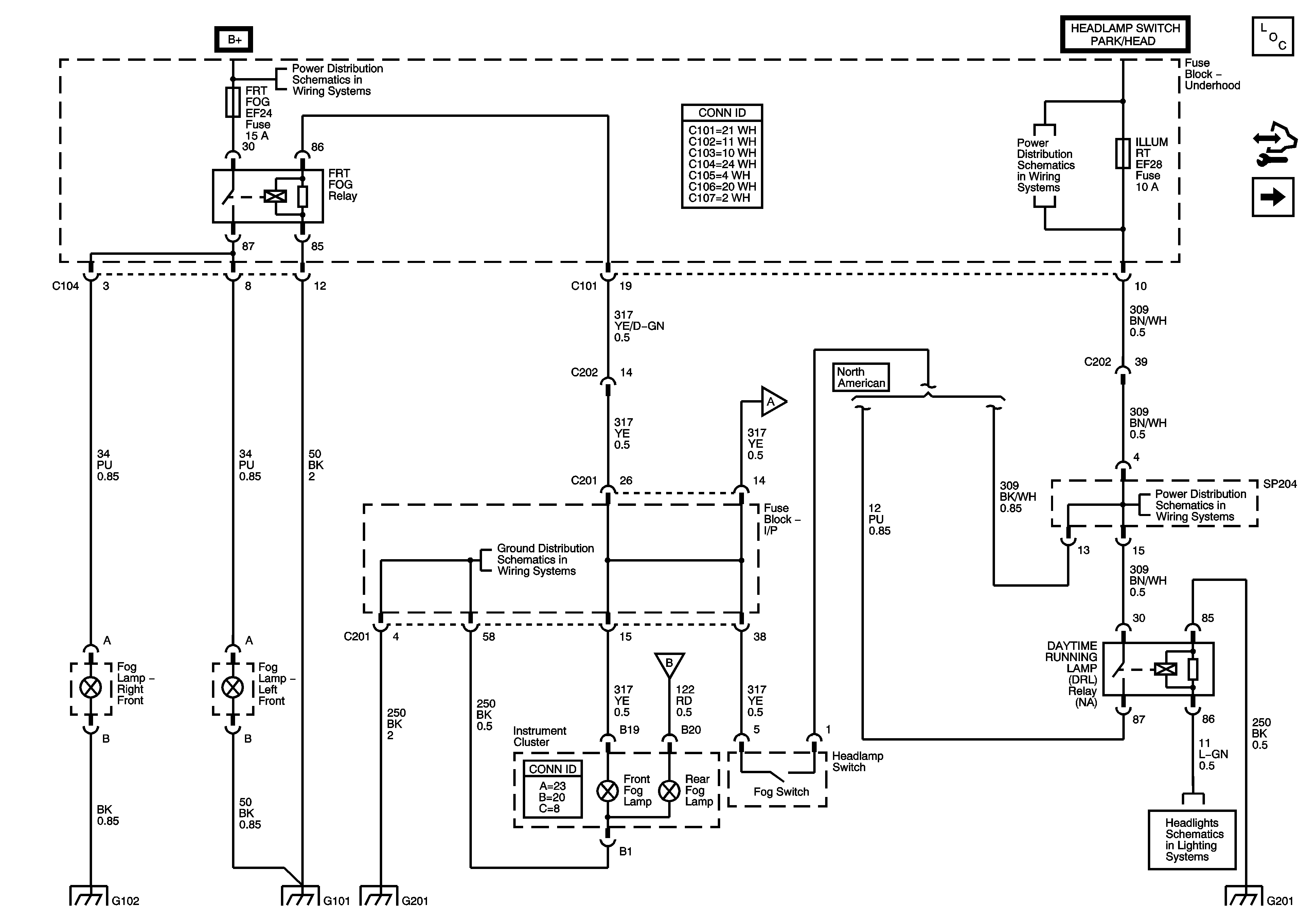
🢒 Front Fog Lamps
Front Fog Lamps
Front Fog Lamps
Master Electrical Component List
Control Module References
Rear Fog Lamps
Underhood Fuse Block - Battery Feeds - 1of 2
Underhood Fuse Block - Battery Feeds - 1of 2
Underhood Fuse Block - Battery Feeds - 1of 2
Rear Fog Lamps
Rear Fog Lamps
G101
G102
G101
G201 (1 of 2)
G201 (1 of 2)
Headlamps - w/o Daytime Running Lamps