GM Service Manual Online
For 1990-2009 cars only
Makes
🢒
Chevrolet
🢒
2007
🢒
Optra
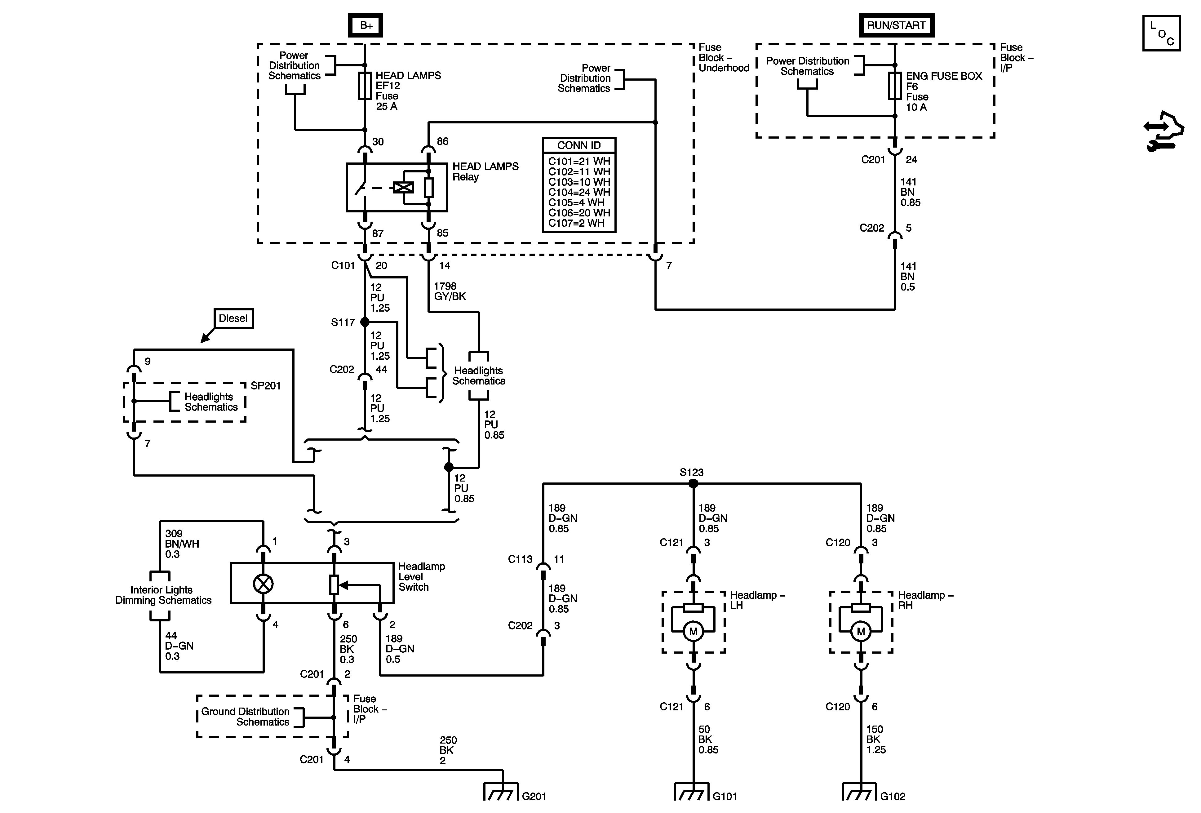
🢒 Headlight Leveling Schematics
Headlight Leveling Schematics
Master Electrical Component List
Control Module References
Underhood Fuse Block - Battery Feeds - 1of 2
Underhood Fuse Block - Battery Feeds - 1of 2
Underhood Fuse Block - Battery Feeds - 1of 2
Headlamps - w/o Daytime Running Lamps
Headlamps - w/o Daytime Running Lamps
I/P Illumination - w/Dimming
G201 (1 of 2)
G201 (1 of 2)
G101
G102