GM Service Manual Online
For 1990-2009 cars only
Makes
🢒
Chevrolet
🢒
2007
🢒
Optra
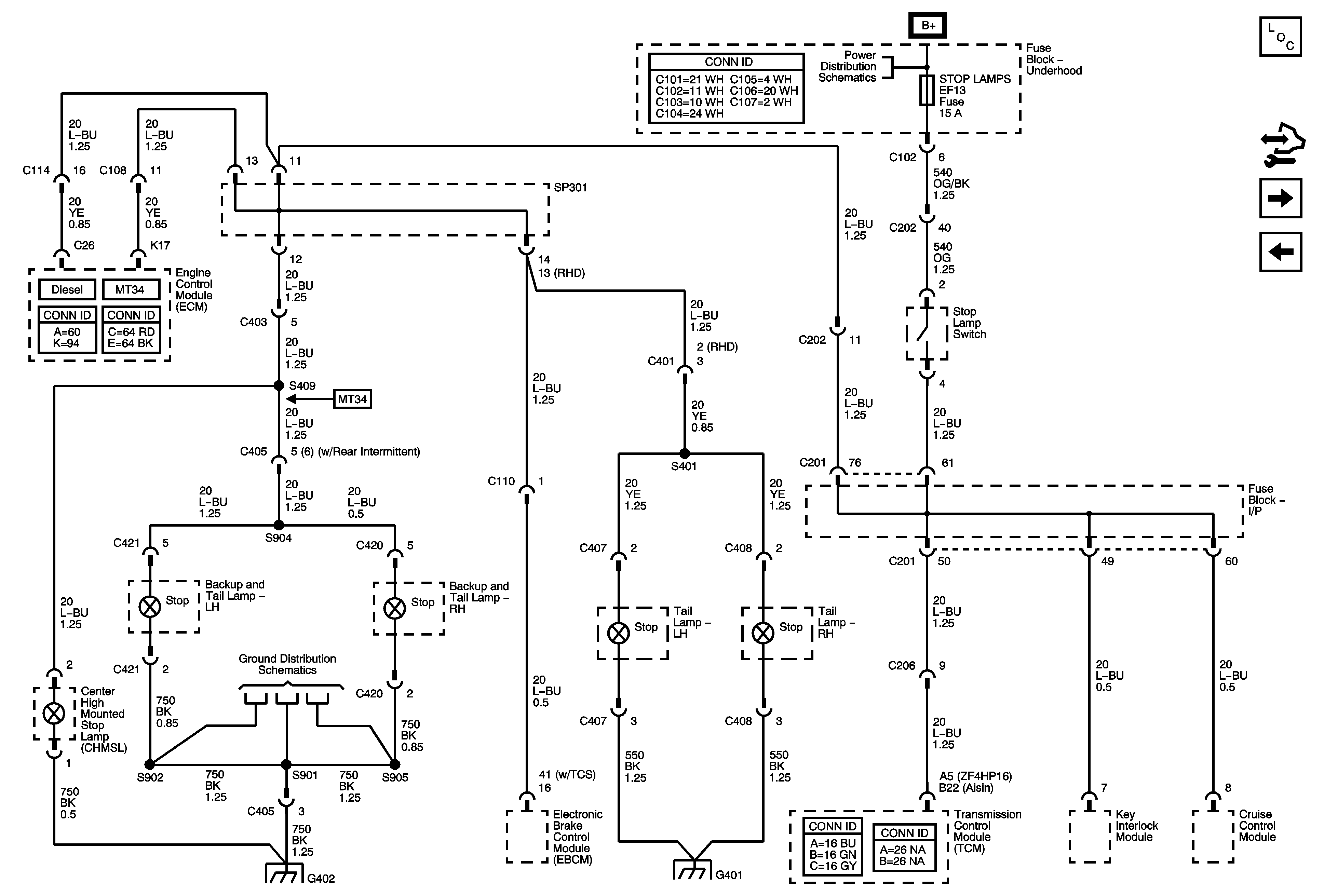
🢒 Stop Lamps - Hatchback
Stop Lamps - Hatchback
Stop Lamps - Hatchback
Master Electrical Component List
Control Module References
Stop Lamps - Station Wagon
Stop Lamps - Notchback
Underhood Fuse Block - Battery Feeds - 1of 2
G101
G402
G303, G401