GM Service Manual Online
For 1990-2009 cars only
Makes
🢒
Chevrolet
🢒
2007
🢒
Optra
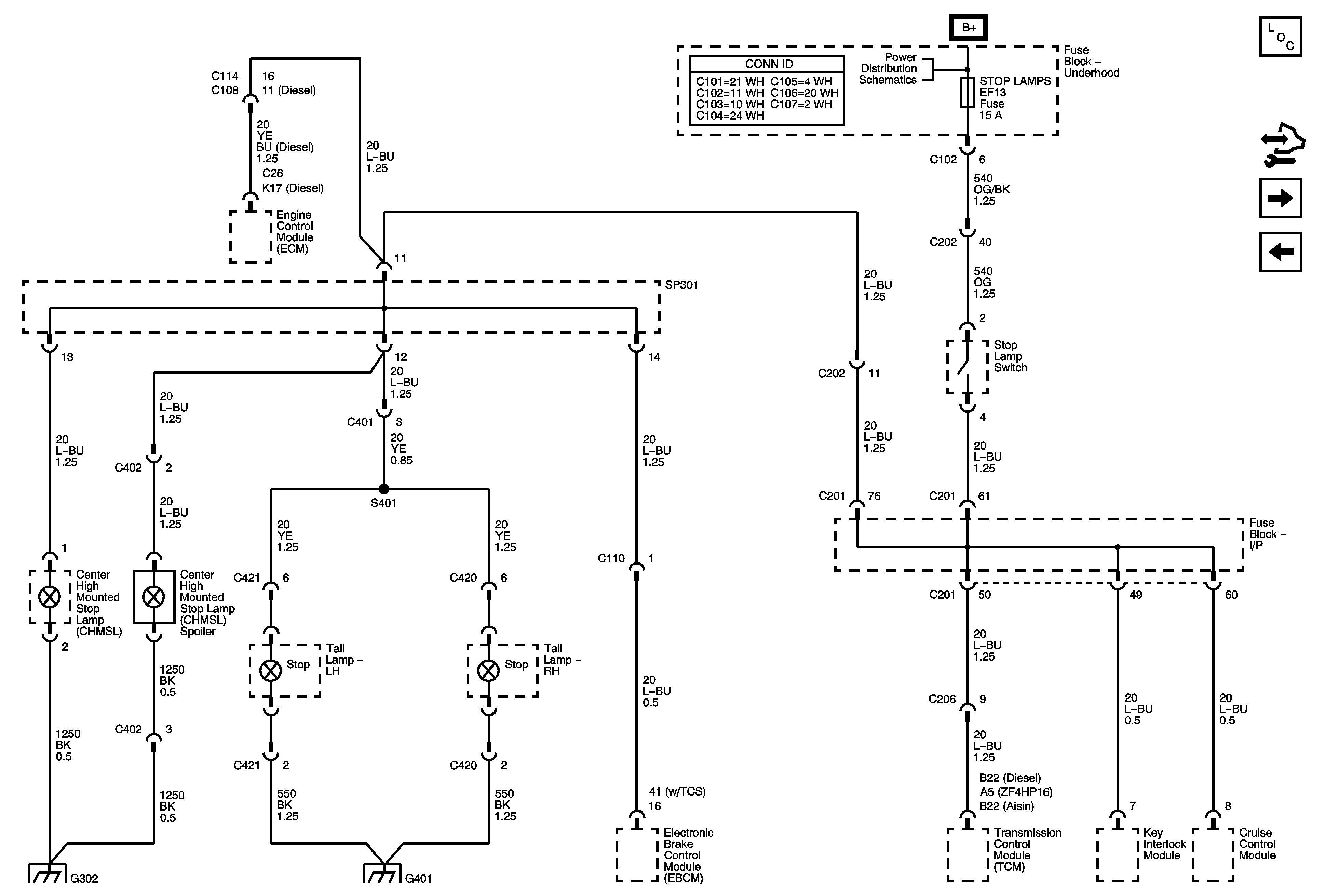
🢒 Stop Lamps - Notchback
Stop Lamps - Notchback
Stop Lamps - Notchback
Master Electrical Component List
Control Module References
Stop Lamps - Hatchback
Backup Lamps
Underhood Fuse Block - Battery Feeds - 1of 2
G302
G303, G401