GM Service Manual Online
For 1990-2009 cars only
Makes
🢒
Chevrolet
🢒
2007
🢒
Optra
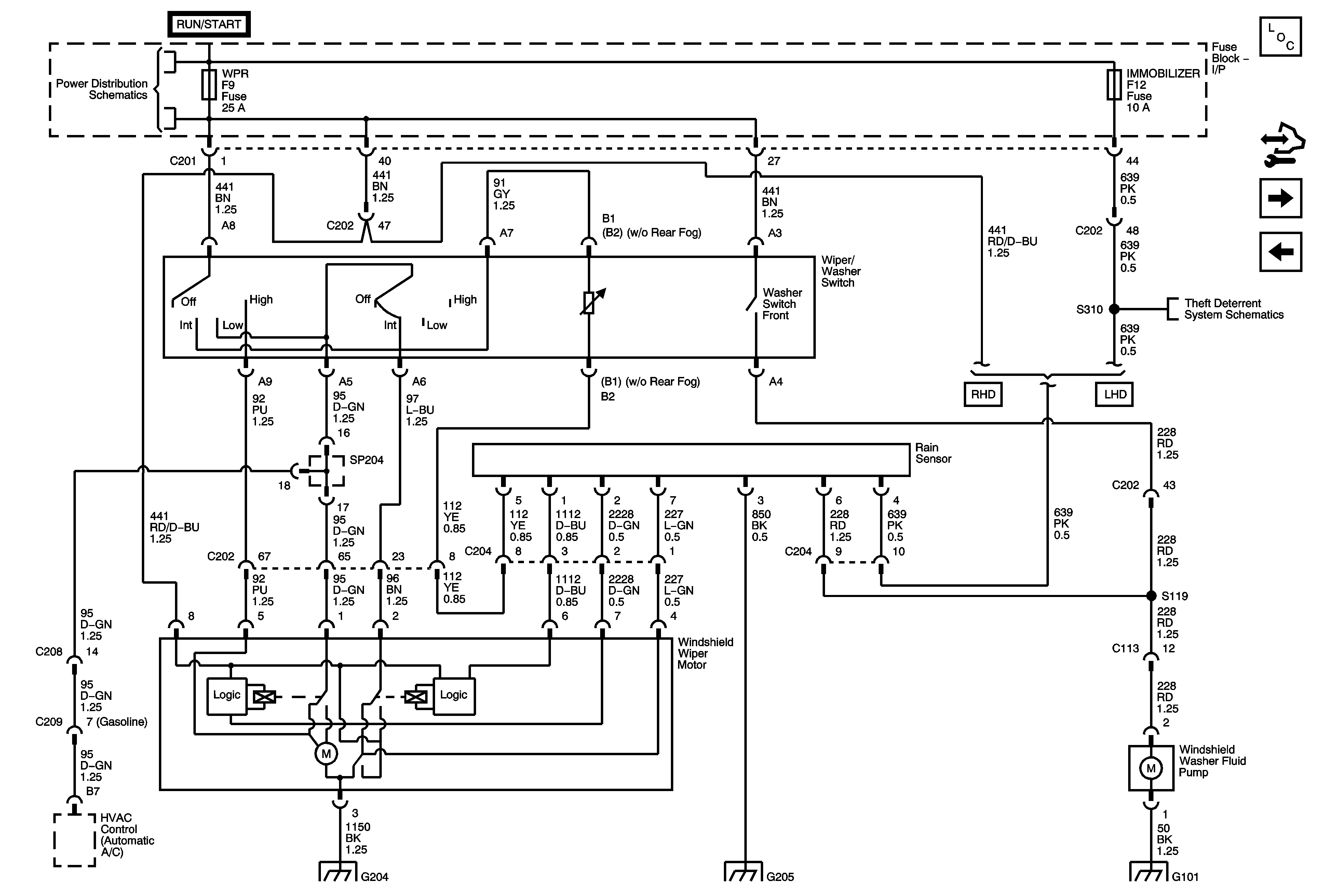
🢒 Wiper System Notchback w/Rain Sensor
Wiper System Notchback w/Rain Sensor
Wiper System - Notchback w/Rain Sensor
Master Electrical Component List
Control Module References
Wiper System - Hatchback and Station Wagon w/Rain Sensor
Wiper System - Hatchback and Station Wagon w/Intermittent
Underhood Fuse Block - Battery Feeds - 1of 2
Remote Function/Theft Deterrent Schematics
G202, G204
G205, G301
G101