GM Service Manual Online
For 1990-2009 cars only
Makes
🢒
Chevrolet
🢒
2007
🢒
Optra
🢒 Underhood Fuse Block Battery Feeds - 2 of 3
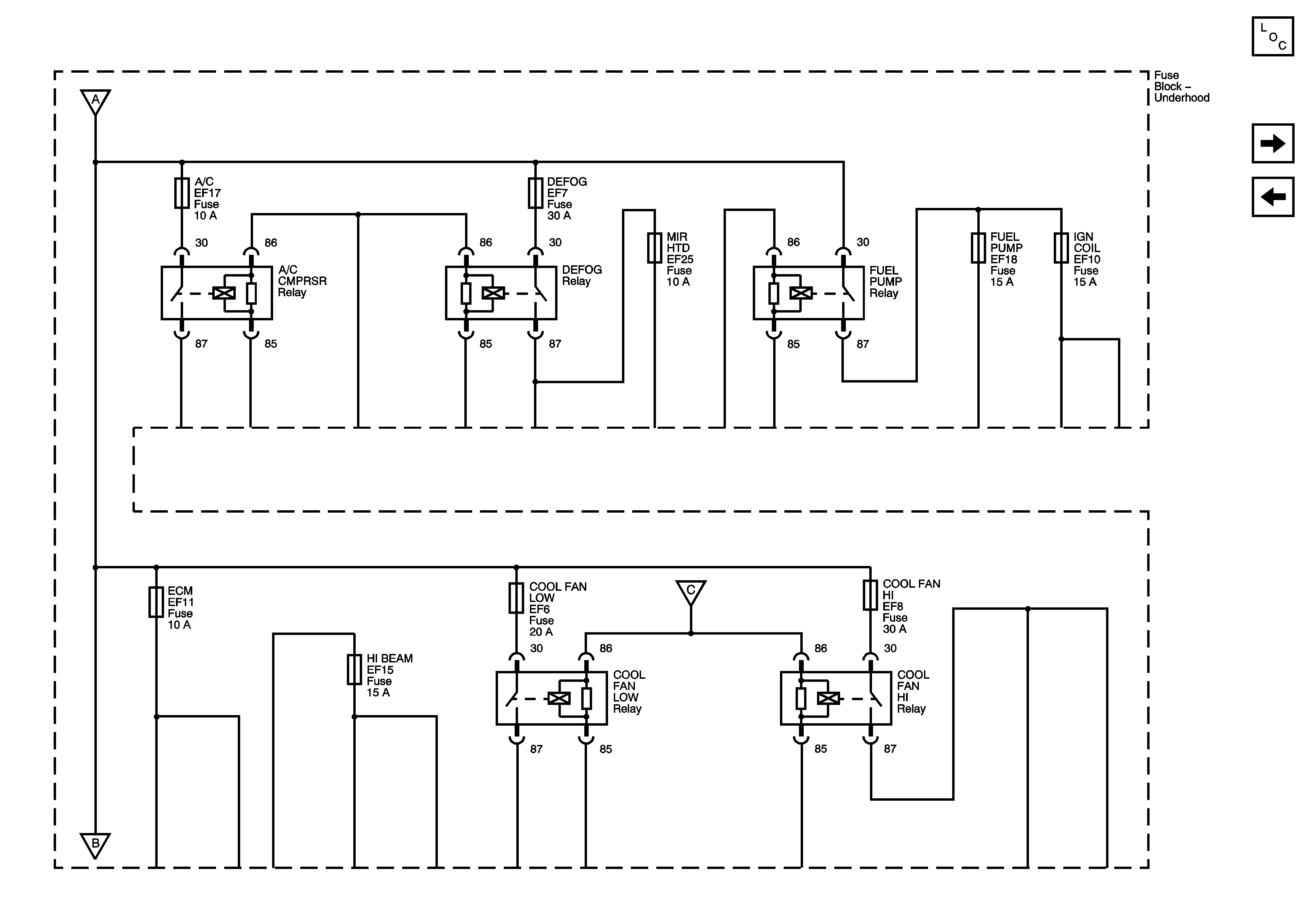
Underhood Fuse Block Battery Feeds - 2 of 3
Underhood Fuse Block - Battery Feeds 2 of 3
Master Electrical Component List
Underhood Fuse Block Battery Feeds - 3 of 3
Underhood Fuse Block - Battery Feeds - 1of 2
Underhood Fuse Block - Battery Feeds - 1of 2
Underhood Fuse Block Battery Feeds - 3 of 3
Underhood Fuse Block Battery Feeds - 3 of 3