GM Service Manual Online
For 1990-2009 cars only
Makes
🢒
Chevrolet
🢒
2007
🢒
Optra
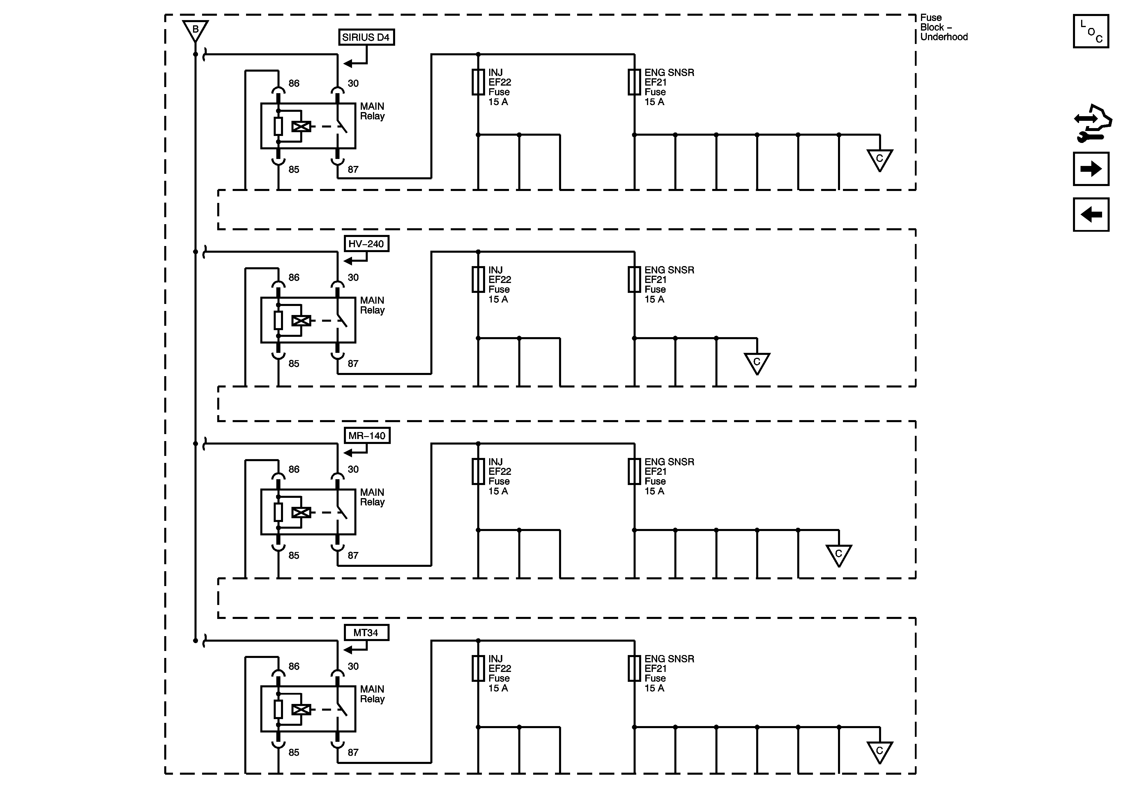
🢒 Underhood Fuse Block Battery Feeds - 3 of 3
Underhood Fuse Block Battery Feeds - 3 of 3
Underhood Fuse Block - Battery Feeds 3 of 3
Master Electrical Component List
Control Module References
Underhood Fuse Block - HVAC Blower, ABS, and HORN Fuses
Underhood Fuse Block Battery Feeds - 2 of 3
Underhood Fuse Block Battery Feeds - 2 of 3
Underhood Fuse Block Battery Feeds - 2 of 3
Underhood Fuse Block Battery Feeds - 2 of 3
Underhood Fuse Block Battery Feeds - 2 of 3
Underhood Fuse Block Battery Feeds - 2 of 3