GM Service Manual Online
For 1990-2009 cars only
Makes
🢒
Chevrolet
🢒
2007
🢒
Optra
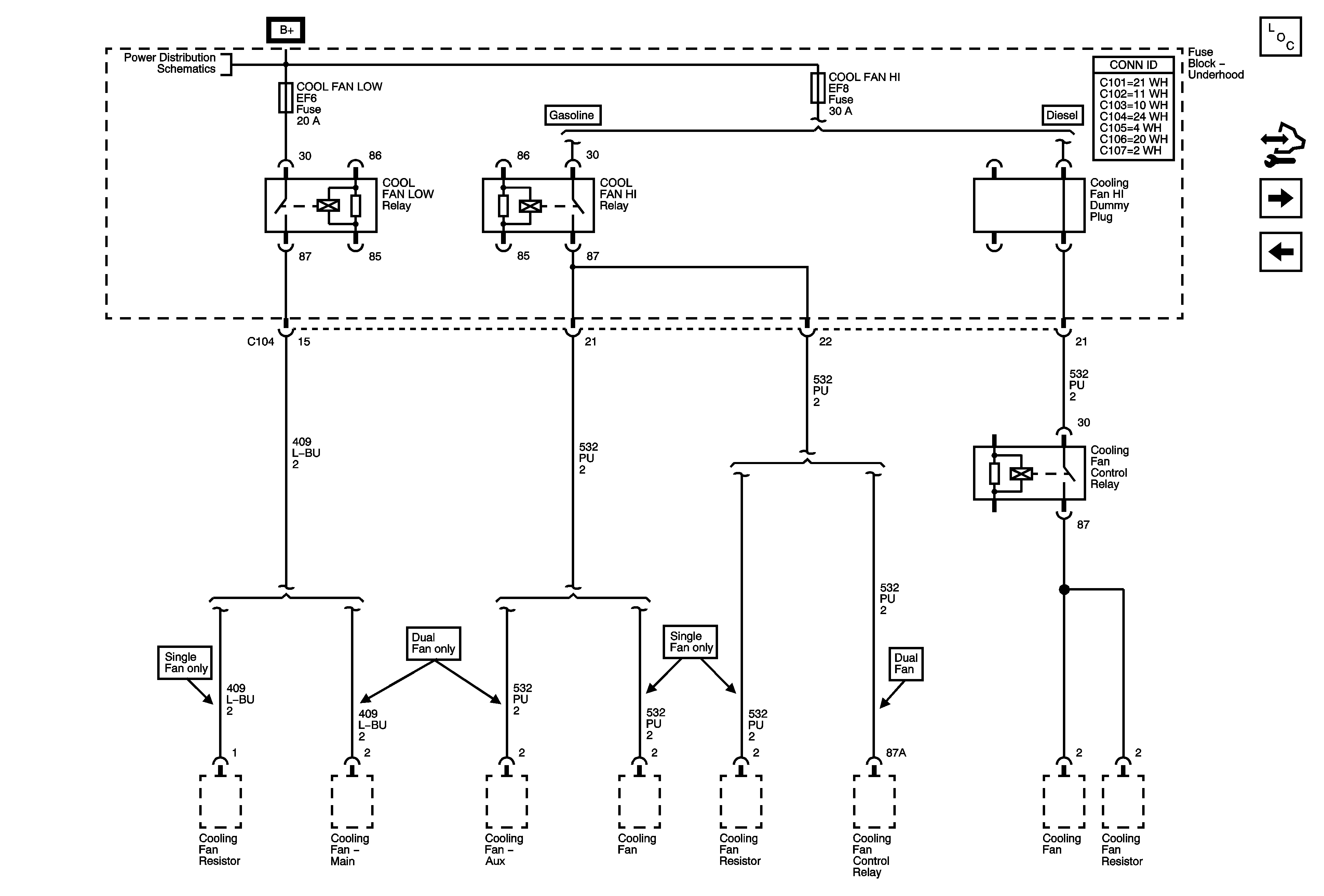
🢒 Underhood Fuse Block - COOL FAN LOW and COOL FAN HI Fuses
Underhood Fuse Block - COOL FAN LOW and COOL FAN HI Fuses
Underhood Fuse Block - COOL FAN LOW and COOL FAN HI Fuses
Master Electrical Component List
Control Module References
Underhood Fuse Block - FUEL PUMP Relay and FUEL PUMP and IGN COIL Fuses
Underhood Fuse Block - MAIN Relay and ECM, ENG SNSR, and INJ Fuses - MT34
Underhood Fuse Block - Battery Feeds - 1of 2