GM Service Manual Online
For 1990-2009 cars only
Makes
🢒
Chevrolet
🢒
2007
🢒
Optra
🢒 Underhood Fuse Block - MAIN Relay and ECM, ENG SNSR, and INJ Fuses - MT34
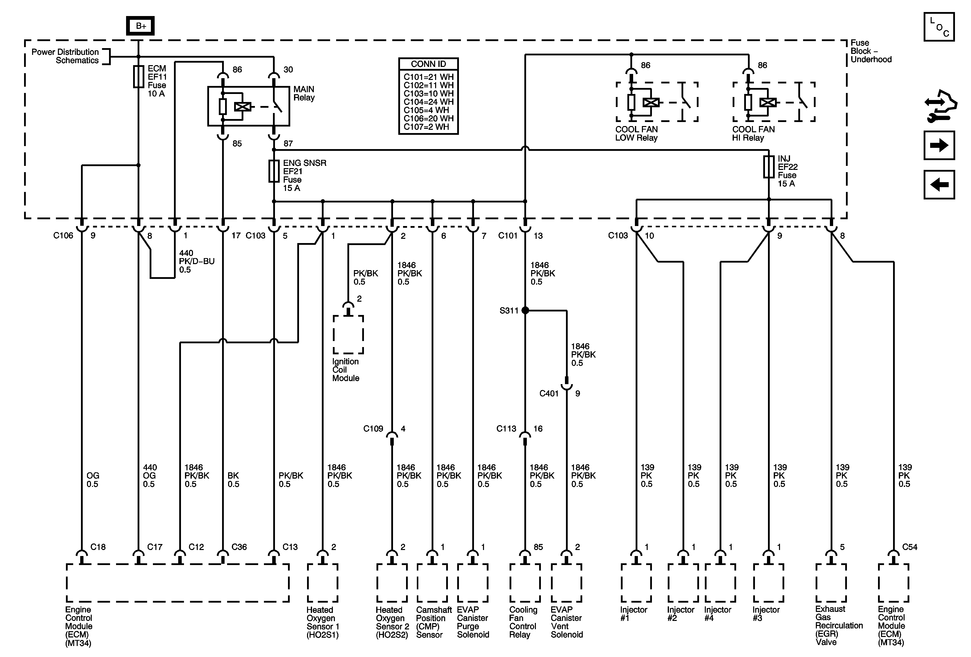
Underhood Fuse Block - MAIN Relay and ECM, ENG SNSR, and INJ Fuses - MT34
Underhood Fuse Block - MAIN Relay and ECM, ENG SNSR, and INJ Fuses - MT 34
Master Electrical Component List
Control Module References
Underhood Fuse Block - COOL FAN LOW and COOL FAN HI Fuses
Underhood Fuse Block - Battery Feeds - 1of 2