GM Service Manual Online
For 1990-2009 cars only
Makes
🢒
Chevrolet
🢒
2007
🢒
Optra
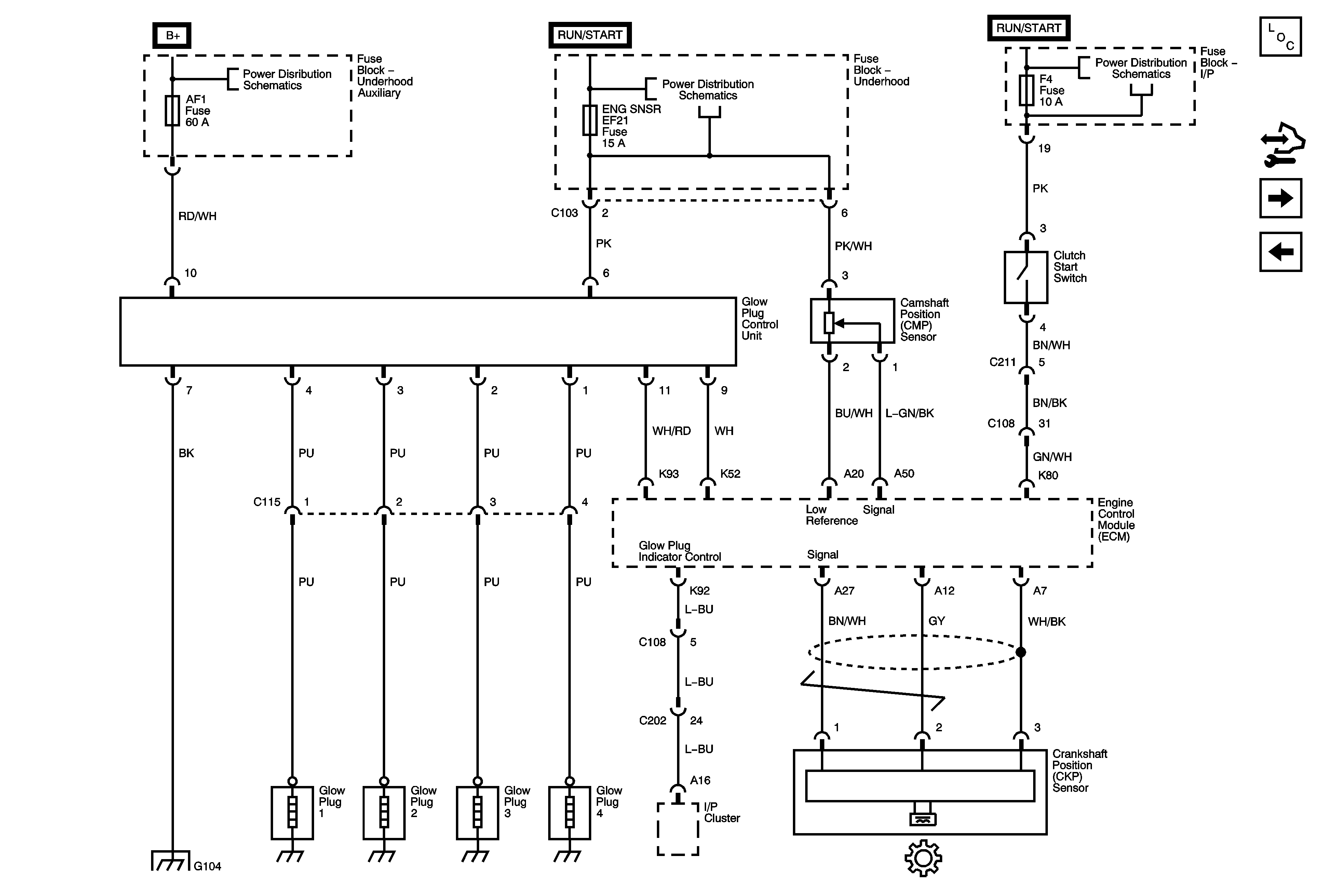
🢒 Glow Plug Control, CKP, CMP Sensors, Clutch Start Switch
Glow Plug Control, CKP, CMP Sensors, Clutch Start Switch
Glow Plug Control, CKP, CMP Sensors, Clutch Start Switch
Master Electrical Component List
Control Module References
Fuel Pump
Throttle Plate Actuator, APP Sensor, EGR Valve, Exhaust Gas Temperature Sensors
Underhood Fuse Block - Battery Feeds - 1of 2
Underhood Fuse Block Battery Feeds - 3 of 3
I/P Fuse Block - CLSTR, AIR BAG, BCK/UP and ENG FUSE BOX DRL Fuses
G104