GM Service Manual Online
For 1990-2009 cars only
Makes
🢒
Chevrolet
🢒
2008
🢒
Optra
🢒 Compressor Controsl Sirius D4
Compressor Controsl Sirius D4
Compressor Controls - Sirius D4
Master Electrical Component List
Air Temperature Description and Operation
Control Module References
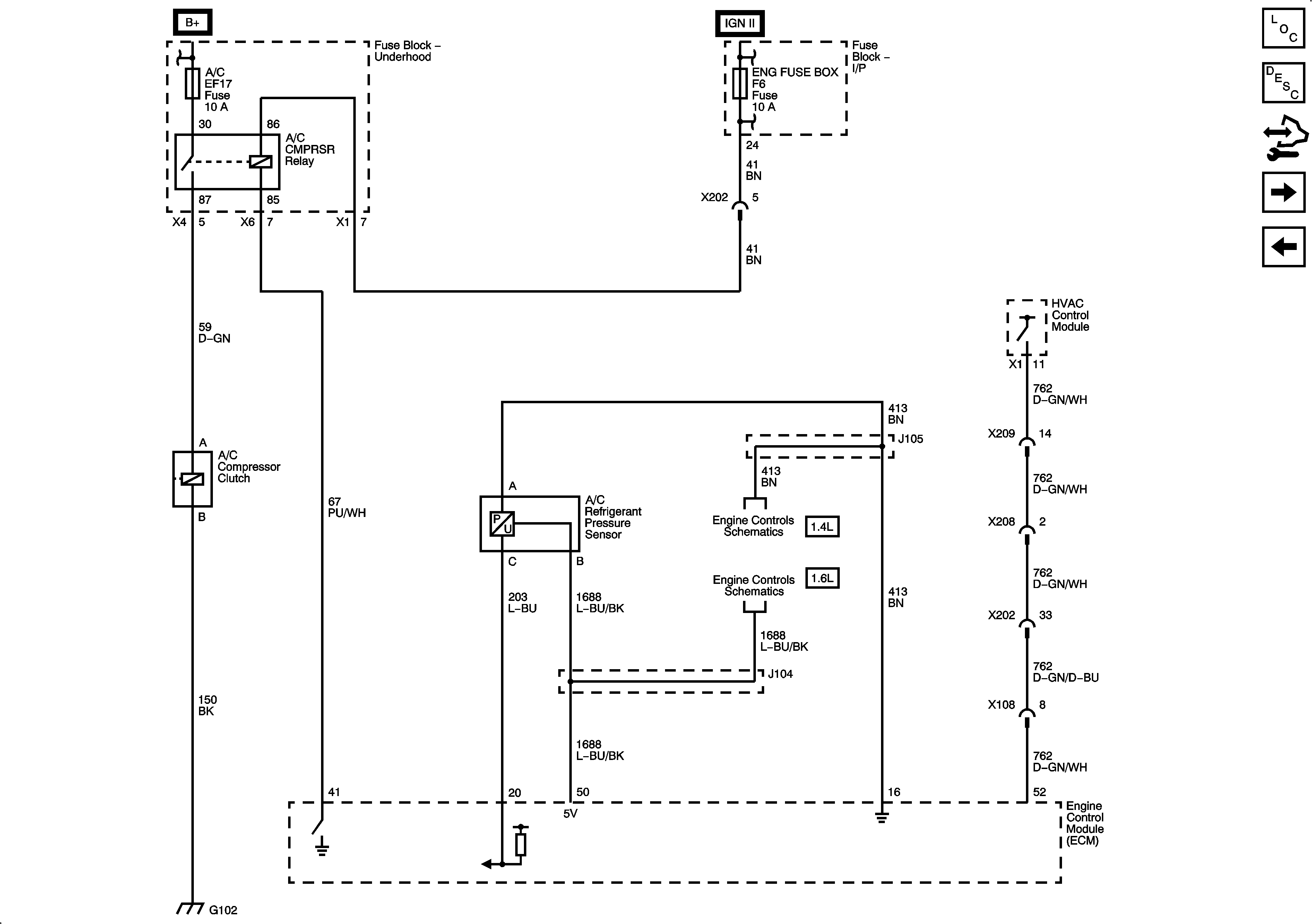
Compressor Controls MR-140
Blower Controls
Fuse Block - Underhood B+ Bus, 1 of 3
Fuse Block - Underhood B+ Bus, 1 of 3
Module Power, Ground, Sensor Data, Malfunction Indicator Lamp (MIL)
CKP, CMP, Knock, Rough Road Sensors
G102