GM Service Manual Online
For 1990-2009 cars only
Makes
🢒
Chevrolet
🢒
2008
🢒
Optra
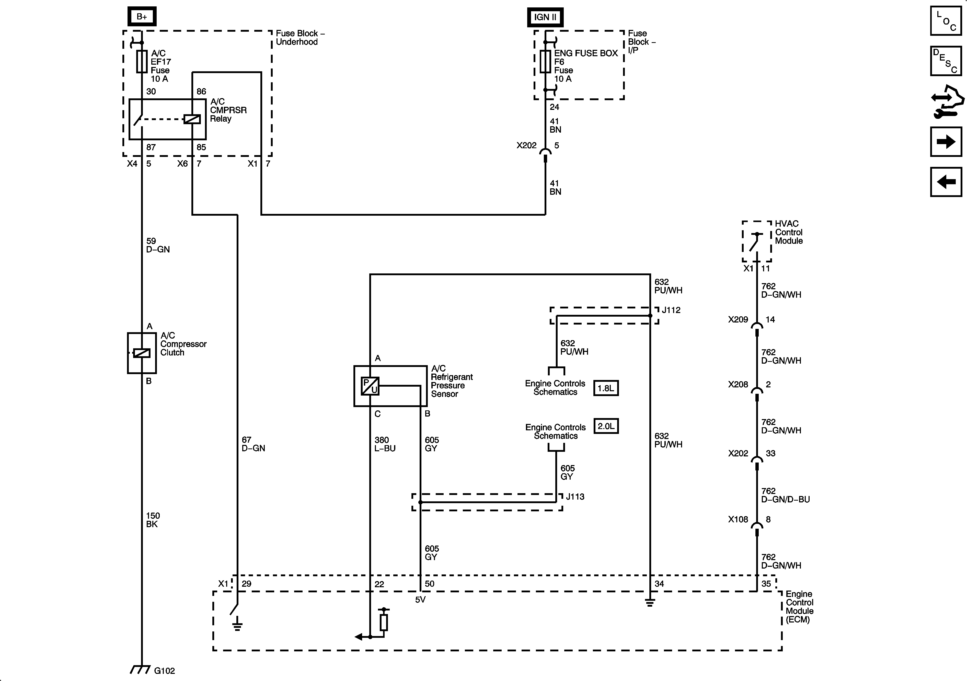
🢒 Compressor Controls MR-140
Compressor Controls MR-140
Compressor Controls - MR-140
Master Electrical Component List
Air Temperature Description and Operation
Control Module References
Compressor Controls HV-240
Compressor Controsl Sirius D4
Fuse Block - Underhood B+ Bus, 1 of 3
Fuse Block - Underhood B+ Bus, 1 of 3
Module Power, Ground, Serial Data, Malfunction Indicator Lamp (MIL)
with Throttle Actuator Control
G102