GM Service Manual Online
For 1990-2009 cars only
Makes
🢒
Chevrolet
🢒
2008
🢒
Optra
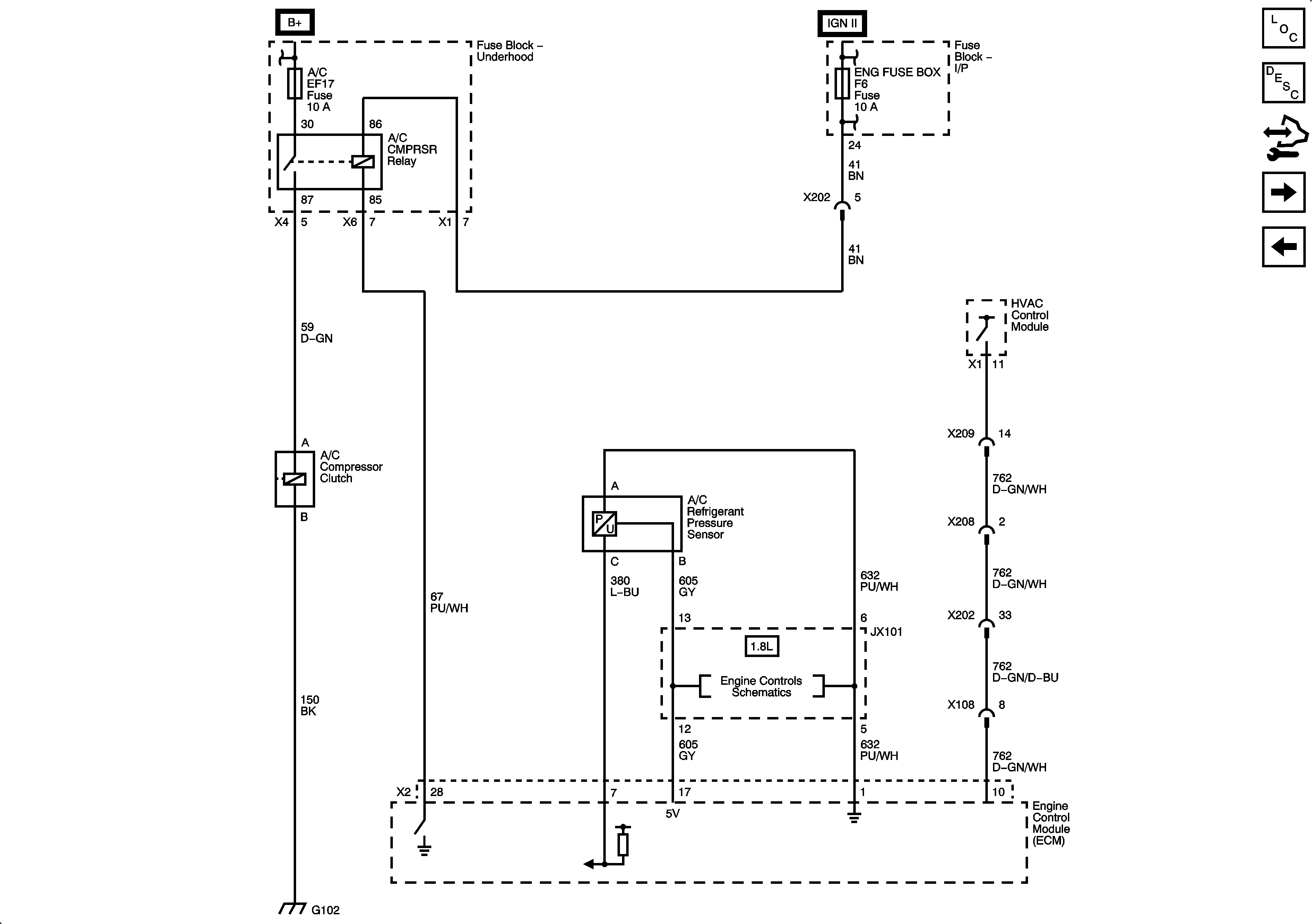
🢒 Compressor Controls HV-240
Compressor Controls HV-240
Compressor Controls - HV-240
Master Electrical Component List
Air Temperature Description and Operation
Control Module References
Compressor Controls Diesel
Compressor Controls MR-140
Fuse Block - Underhood B+ Bus, 1 of 3
Fuse Block - Underhood B+ Bus, 1 of 3
Module Power, Ground, Sensor Data, Malfunction Indicator Lamp (MIL)
G102