GM Service Manual Online
For 1990-2009 cars only
Makes
🢒
Chevrolet
🢒
2008
🢒
Optra
🢒 Air Delivery and Temperature Controls
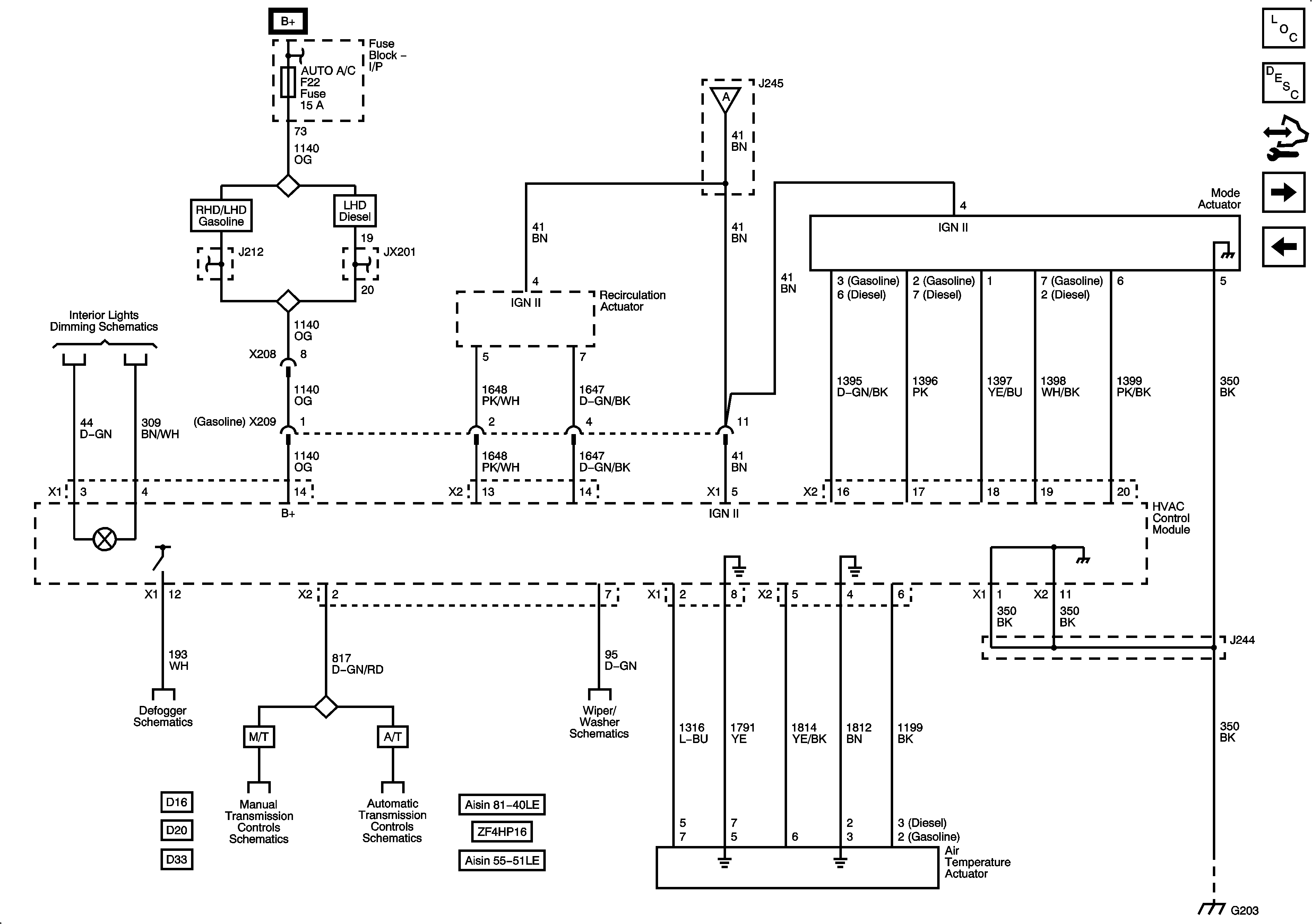
Air Delivery and Temperature Controls
Air Delivery and Temperature Controls
Master Electrical Component List
Air Temperature Description and Operation
Control Module References
HVAC Sensors
Compressor Controls Diesel
Fuse Block - Underhood BATT MAIN, IGN 1, IGN 2 Fuses, Ignition Switch, Fuse Block-I/P RADIO, IMMOBILIZER, DLC, A/C CLK, HAZARD, RKE, TCM, REAR FOG Fuses
Defogger Schematics
D16
D20
D20
Vehicle Speed and Input Speed Sensors
Vehicle Speed Signal
Input Shaft, Output Shaft, and Vehicle Speed Sensors (VSS)
G203
G203